
2
LC-60LE651 MK2
LC-60LE652 MK2
ELECTRICAL SPECIFICATIONS
Specifications
Item 60” LCD COLOUR TV, Models:
LC-60LE651E/K (MK2)
LC-60LE652E (MK2)
LCD Panel (
LED TV) 60”/ 152cm
BLACK TFT
Resolution 6.220.800 dots (1.920 x 1.080 pixels)
Video Colour System PAL/SECAM/NTSC 3.58/NTSC 4.43/PAL 60
TV
Func-
tions
TV Standard Analogue CCIR (B/G, I, D/K, L/L’)
Digital DVB-T (2K/8K OFDM)(H.264), DVB-C, DVB-T2(LE651 only), DVB-S/S2 (LE652 only)
Receiving
Channel
VHF/UHF E2–E69 ch, F2–F10 ch, I21–I69 ch, IR A–IR J ch (Digital: IR A ch–E69 ch)
CATV Hyper-band, S1–S41 ch
TV-Tuning System Auto Preset 999 ch: non-Nordic / 9999 ch: Nordic (ATV: 99 ch), Auto Label, Auto Sort
STEREO / BILINGUAL NICAM/A2
Viewing angles H: 176°, V: 176°
Audio Ampli¿er 15 W + 15 W (Music power)
Speaker (96 mm x 30mm) x 2
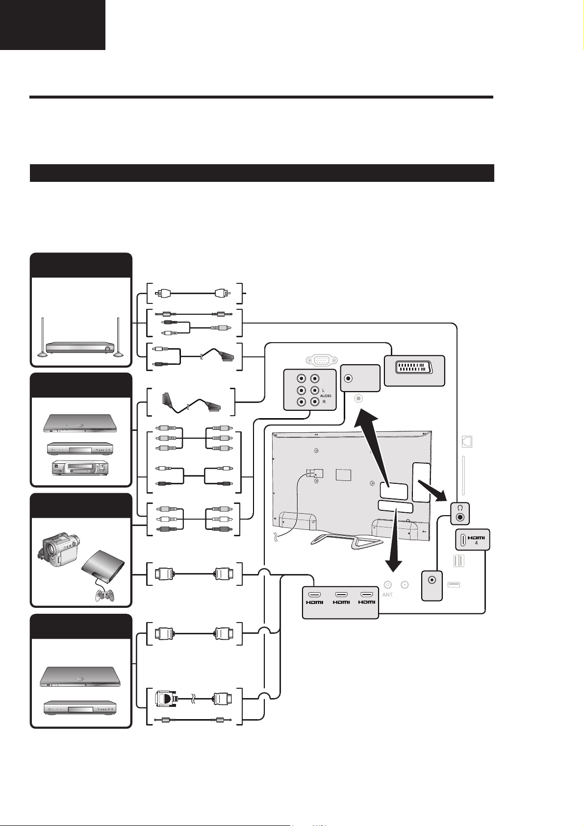
Terminals
TV Antenna VHF/UHF UHF/VHF 75 Din type (Analogue & Digital)
Satellite (652
series only)
75 F type (DVB-S/S2)
SERVICE Ø 3.5 mm jack
SCART SCART (AV input, RGB input, TV output, Y/C input)
PC INPUT VGA (D-Sub 15pin), Ø 3.5 mm jack (shared with HDMI)
COMPONENTS COMPONENT IN: Y/PB(CB)/PR(CR), RCA (AUDIO R/L)
HDMI1 HDMI, Ø 3.5 mm jack (shared with PC INPUT), ARC, 3D.
HDMI2 HDMI, Ø 3.5 mm jack (shared with PC INPUT), 3D.
HDMI3 HDMI, Ø 3.5 mm jack (shared with PC INPUT), 3D.
HDMI4 HDMI, Ø 3.5 mm jack (shared with PC INPUT), 3D.
USB 1 USB 2.0 HOST (A Type)
USB 2 USB 2.0 HOST (A type)
USB 3 (WIFI) USB 2.0 HOST (A type) (Wi-Fi use only)
ETHERNET (10/100) Network connector
AV RCA connector (AV input)
S/PDIF OUT RCA S/PDIF digital audio output.
C. I. (Common Interface) EN50221, R206001, CI+ speci¿cation
Headphones Ø 3.5 mm jack (Audio output)
OSD language
Czech, Danish, Dutch, English, Estonian, Finnish, French, German, Greek, Hungarian, Italian,
Latvian, Lithuanian, Norwegian, Polish, Portuguese, Russian, Slovak, Slovene, Spanish,
Swedish, Turkish, Ukrainian, Byelorussian, Romanian, Croatian, Serbian.
Power Requirement AC 220–240 V, 50 Hz
Power Consumption (IEC62087 Method) 175W
(0.24W Stby)
Weight
24.3Kg
(Without stand)
27,3Kg (With stand)
Operating Temperature 0 °C to +40 °C