
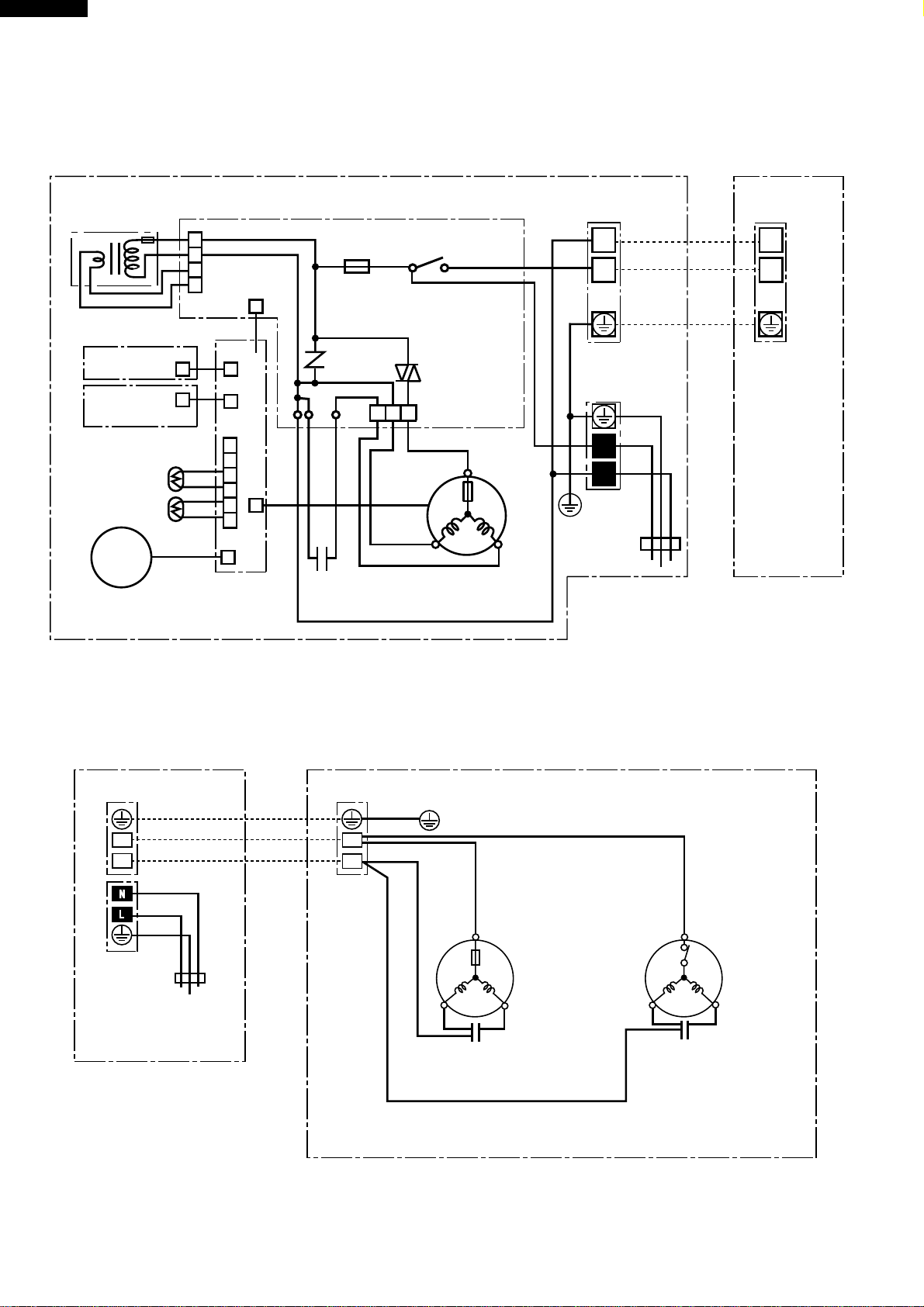
AH-A129E
AU-A129E
10
Table H-1
2-3 Fan only operation
The indoor fan motor always turns on.
3. Fan speed
Fan speeds are given by the indoor fan motor, “H”,
“M”, “L” and “UL”, which are available in the following
operation mode.
Table H-2
7. Timer
7-1 24-HOUR PROGRAMMABLE ON/OFF TIMER
ON-TIMER or OFF-TIMER can be independently
programmed. When the unit operates during one
hour after the OFF-time is set, thermostat setting
is automatically shifted (+1˚C in cool operation
and dry operation, -3˚C in heat operation, but,
16˚C set temperature at the lowest).
When the ON-timer is set in heat operation and
cool operation, operation starts before 0 to 30
minutes(depends on the room temperature) so
that preset temperature is obtaind at set time.
7-2 ONE-HOUR TIMER
When ONE-HOUR timer is set, the unit turns off
automatically after one hour. The one hour timer
operation has priority over other time operation,
such as the TIMER ON and TIMER OFF. If the
ONE-HOUR TIMER button is pressed again
during operation, the unit will operate additionally
for another one hour.
8. Automatic air conditioning
When automatic air conditioning is selected, the
operation mode and preset temperature are set
automatically according to the room temperature on
starting operation.
Table H-3
9. Automatic fan speed
When the automatic fan speed is selected in cool or
heat operation, the fan speed is automatically changed
by the thermostat lines C1 to C3 in cool operation
and H1 to H4 in heat operation.
Figure H-5
4. Anti-sweating
When the operation continues 30 minutes in cooling
zone or dehumidifying zone during dry operation or
in continuous compressor operation during cool
operation, the fan speed of indoor fan motor shifts
up, from “UL” to “L” or from “D” to “UL”.
5. Freeze preventive
When the indoor pipe temperature falls below -1˚C
during cool operation or dry operation, the compressor
is stopped.
6. Test run
If the “TEST RUN” button in the unit is pushed during
suspension of operation, cool test operation starts. At
this time, the fan speed is set to “AUTO”. If this button
is pushed during operation, the test operation starts
in current operation mode. The operation LED (red)
flickers during test run. During cool operation and
heat operation, the compressor is kept on but in dry
operation it is set in the dehumidifying zone. In fan
only mode the indoor fan motor runs continuously.
Compressor
Fan speed
ON "UL"
ON "D"
OFF
Cooling zone
Dehumidifying zone
Circulating zone "D" or OFF
COOL
FAN ONLY
M M
L L
UL
HIGH
FAN Switch
LOW
SOFT UL
Operation
start Preset
temp.
COOL 26˚C
25˚C
DRY
26˚C to 28˚C
Above 28˚C
Room temp. of
operation start
24˚C to 26˚C
Below 24˚C 24˚C
Room temp. at
operation start
Room temperature
Preset temperature
Room
temperature
transition
C3
C2
C1
States 1 & 5 :"M"
States 2 & 4 : "L"
States 3 : "UL"
3
4
5
1
2