Sentiotec S2-18 Manuel utilisateur

Version 09/14 Ident-Nr. ,T15429
DE
EN
MONTAGEANWEISUNG
Deutsch
IT
Leistungserweiterung
S2-18 / S2-18S / S2-30

WORLD OF WELLNESS
Inhaltsverzeichnis
1. Zu dieser Anleitung 3
2. Wichtige Hinweise zu Ihrer Sicherheit 4
2.1. Bestimmungsgemäßer Gebrauch 4
2.2. Sicherheitshinweise für den Monteur 4
3. Produktbeschreibung 5
3.1. Lieferumfang 5
3.2. Produktfunktionen 5
3.3. Regellast 5
4. Montage 6
4.1. Montageort 6
4.2. Montage 6
5. Anschluss 7
5.1. Anschlussschema 7
6. Anschlussplan Professional B, C und just sauna 8
7. Anschlussplan CV31, CK31, CV41 und CK41 9
8. Anschlussplan A2, A3 und K3-Next 10
9. Anschlussplan wave.com4 11
10.Technische Daten 12
11.Entsorgung 12

WORLD OF WELLNESS
DE
Montageanweisung S. 3/12
1.Zu dieser Anleitung
Lesen Sie diese Montage- und Gebrauchsanweisung gut durch und bewahren Sie
sie in der Nähe der Saunasteuerung auf. So können Sie jederzeit Informationen
zu Ihrer Sicherheit und zur Bedienung nachlesen.
Symbole in Warnhinweisen
In dieser Montage- und Gebrauchsanweisung ist vor Tätigkeiten, von denen eine
Gefahr ausgeht, ein Warnhinweis angebracht. Befolgen Sie diese Warnhinweise
unbedingt. So vermeiden Sie Sachschäden und Verletzungen, die im schlimmsten
Fall sogar tödliche sein können.
In den Warnhinweisen werden Signalwörter verwendet, die folgende Bedeutun-
gen haben:
GEFAHR!
Wenn Sie diesen Warnhinweis nicht beachten, sind Tod oder schwere
Verletzungen die Folge.
WARNUNG!
Wenn Sie diesen Warnhinweis nicht beachten, können Tod oder schwere
Verletzungen die Folge sein.
VORSICHT!
Wenn Sie diesen Warnhinweis nicht befolgen, können leichte Verletzun-
gen die Folge sein.
ACHTUNG!
Dieses Signalwort warnt Sie vor Sachschäden.
Andere Symbole
Dieses Symbol kennzeichnet Tipps und nützliche Hinweise.
Sie nden diese Montage- und Gebrauchsanweisung auch im Down-
loadbereich unserer Webseite auf www.sentiotec.com.

WORLD OF WELLNESS
Montageanweisung S. 4/12
2.Wichtige Hinweise zu Ihrer Sicherheit
Die Leistungserweiterung S2-18, S2-18S und S2-30 ist nach anerkannten si-
cherheitstechnischen Regeln gebaut. Dennoch können bei der Verwendung
Gefahren entstehen. Befolgen Sie deshalb die folgenden Sicherheitshinweise
und die speziellen Warnhinweise in den einzelnen Kapiteln.
2.1. Bestimmungsgemäßer Gebrauch
Die Leistungserweiterung S2-18, S2-18S und S2-30 dient zum Erweitern der
maximalen Schaltlast Ihrer Saunasteuerung. Das Gerät kann für alle Sauna-
steuerungen verwendet werden, welche einen 230 V-Schaltausgang für den
Sicherheits- und Schaltkreis besitzen.
Jeder darüber hinausgehende Gebrauch gilt als nicht bestimmungsgemäß.
Nicht bestimmungsgemäßer Gebrauch kann zur Beschädigung des Produkts,
zu schweren Verletzungen oder Tod führen.
2.2. Sicherheitshinweise für den Monteur
●Die Montage darf nur durch eine Elektrofachkraft oder eine vergleichsweise
qualizierte Person ausgeführt werden.
●Montage- und Anschlussarbeiten an der Leistungserweiterung dürfen nur im
spannungsfreien Zustand durchgeführt werden.
●Beachten Sie auch die örtlichen Bestimmungen am Aufstellort.
●Bei Problemen, die in den Montageanweisungen nicht ausführlich genug
behandelt werden, wenden Sie sich zu Ihrer eigenen Sicherheit an Ihren
Lieferanten.
●Bei der Installation ist eine dreipolige Abschaltmöglichkeit mit 3 mm Kontak-
töffnung vorzusehen. Diese ist durch die Sicherung gegeben.

WORLD OF WELLNESS
DE
Montageanweisung S. 5/12
3.Produktbeschreibung
3.1. Lieferumfang
●Leistungserweiterung
●Montagezubehör
3.2. Produktfunktionen
Die Leistungserweiterung S2-18 / S2-18S / S2-30 dient zum Erhöhen der ma-
ximalen Schaltlast Ihrer Saunasteuerung. Die zwei verbauten Schützen dienen
zum Schalten der Netzspannung auf das Heizsystem. Der Schütz K1 (ST1) wird
als Schütz für den Sicherheitskreis und der Schütz K2 (ST2) als Schütz für den
Schaltkreis verwendet.
Beim Anschluss von ST2 an einen der Ofenausgänge (U, V, oder W) muss,
wenn vorhanden, die Phasenrollierung der Saunasteuerung deaktiviert werden.
3.3. Regellast
Die Leistungserweiterung kann in der entsprechenden Ausführung folgende
Leistung schalten:
●S2-18/S2-18S 9 kW
●S2-30 21 kW
Bei aktivierter Phasenrollierung kann es zu einer fehlerhaften Regelung
und dadurch zu verlängerten Aufheizzeiten kommen.

WORLD OF WELLNESS
Montageanweisung S. 6/12
4.Montage
4.1. Montageort
Montieren Sie das Gerät außerhalb der Saunakabine in ca. 1,70m Höhe frei
von Fremdwärme. Um einen ruhigen und lärmlosen Saunagang zu garantieren
empfehlen wir das Gerät möglichst nicht an der Saunakabinenwand zu montie-
ren. Die Installation muss nach VDE 0100, Teil 703, von einem zugelassenen
Elektroinstallateur ausgeführt werden.
S2-18 S2-30
4x254x25 4x25 4x25
4x25 4x25 4x254x25
4.2. Montage
Montieren Sie das Gerät mit den im Lieferumfang enthaltenen Halbrundholz-
schrauben (Siehe Abb.1).
Abb.1
WARNUNG!
Stromschlag-Gefahr
●Machen Sie das Gerät stromlos, bevor Sie den Gehäusedeckel
entfernen.

WORLD OF WELLNESS
DE
Montageanweisung S. 7/12
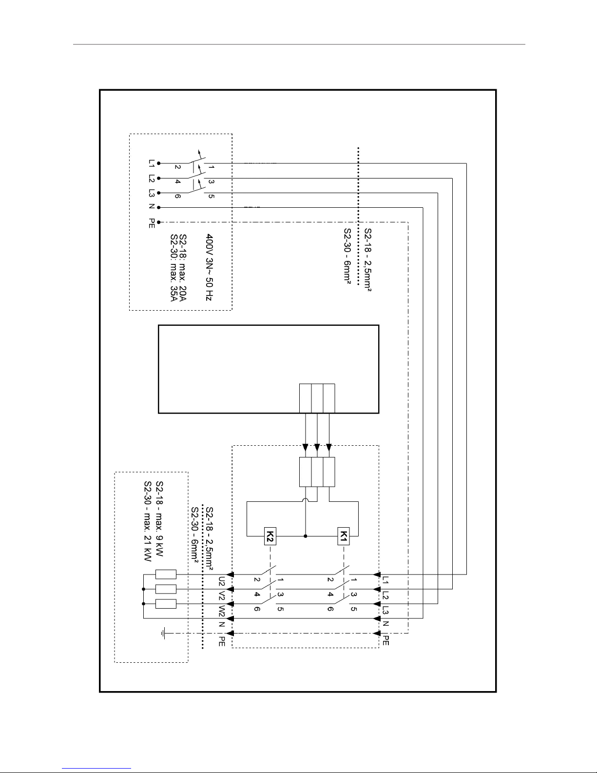
5.Anschluss
5.1. Anschlussschema
Heizsystem Neutralleiter
Regelschütz
Sicherheitsschütz

WORLD OF WELLNESS
Montageanweisung S. 8/12
6. Anschlussplan Professional B, C und just sauna
Saunasteuerung Leistungserweiterung
ST1
ST2
N
Heizsystem
Sicherheitsverteiler
Verteilung:
Absicherung:
Schwarz
Braun
Grau
Blau
Gelb/Grün
Professional
B2+B3
C2+C3
ST1
ST2
ST3

WORLD OF WELLNESS
DE
Montageanweisung S. 9/12
7.Anschlussplan CV31, CK31, CV41 und CK41
Saunasteuerung Leistungserweiterung
ST1
ST2
Heizsystem
Sicherheitsverteiler
Verteilung:
Absicherung:
Schwarz
Braun
Grau
Blau
Gelb/Grün
CV31
CV41
CK31
CK41
ST1
ST2
ST3
ST3

WORLD OF WELLNESS
Montageanweisung S. 10/12
8.Anschlussplan A2, A3 und K3-Next
Saunasteuerung Leistungserweiterung
W1
W
N
Heizsystem
Sicherheitsverteiler
Verteilung:
Absicherung:
Schwarz
Braun
Grau
Blau
Gelb/Grün
A2 - A3 - K3
ST1
ST2
ST3
Ce manuel convient aux modèles suivants
2
Table des matières
Langues :

















