Analog sensor read
This function measure the voltage provided b the sensors. At difference of a
regular multimeter the HMP1 make 2000 reads b second that allow found
errors mostl on TPS. For the rest of sensors ou will found useful the progress
bar in the bottom of screen.
To start the read in the main menu press + and - until see SENS AN and press
OK.
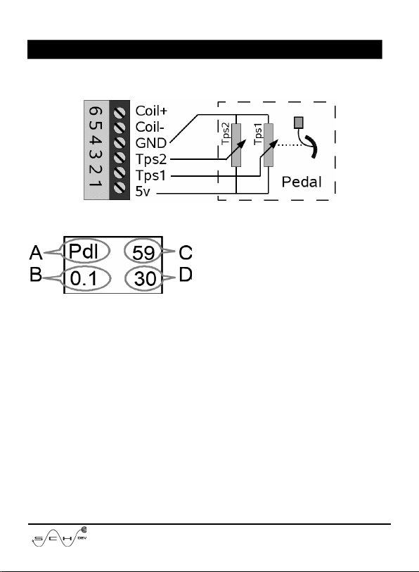
This function allow measure TPS,
MAP, MAF and another sensors with
analog output between 0 and 5v. The
connection can be made using a wire
puncturer to TPS1 input or making a
complete harness like graphic.
In the screen will appear the following information:
A=You are reading an analog sensor
B=Progress Bar
C=Voltage read from sensor
TPS: Normall have a voltage between 0.7 to 4.7v. Opening slowl the
throttle searching fails like explained on throttles.
MAP: With the engine stopped must read 4.7v, with the engine on Idle must
be 1.4v. Do a single hard throttle and then wait for the engine to come to idle.
The voltage must be raise to 4v when is throttling, and a lower than idle value
when engine RPM is decreasing.
MAF: With the engine stopped must read 0v, with the engine on idle must be
1.2V. In a hard throttle for a small moment will have 4v, after that a fall to
1.5v and finall start to grow the voltage like RPM is rising.
Pressing OK back to main menu.
10/36