Renkforce IP65 Manuel utilisateur

Bedienungsanleitung
Wetterfestes Codeschloss IP65
Best.-Nr. 751624 Seite 2 - 17
Operating Instructions
Weatherproof Code Lock IP65
Item No. 751624 Page 18 - 33
Notice d’emploi
Serrure codée IP65 résistante aux
intempéries
N° de commande 751624 Page 34 - 50
Gebruiksaanwijzing
Weerbestendig codeslot IP65
Bestelnr. 751624 Pagina 51 - 68

Inhaltsverzeichnis
Seite
1. Einführung...........................................................................................................................3
2. Symbol-Erklärung................................................................................................................3
3. Bestimmungsgemäße Verwendung ....................................................................................4
4. Lieferumfang .......................................................................................................................4
5. Sicherheitshinweise.............................................................................................................5
a) Allgemeine Hinweise....................................................................................................5
b) Angeschlossene Geräte...............................................................................................5
6. Bedien- und Anzeigeelemente ............................................................................................6
7. LED- und akustische Signalisierungen................................................................................6
8. Montage und Anschluss ......................................................................................................7
9. Programmiermodus...........................................................................................................10
10. PegeundReinigung........................................................................................................16
11. Konformitätserklärung (DOC)............................................................................................16
12. Entsorgung........................................................................................................................17
13. Technische Daten..............................................................................................................17
2

1. Einführung
Sehr geehrte Kundin, sehr geehrter Kunde,
wir bedanken uns für den Kauf dieses Produkts.
Dieses Produkt erfüllt die gesetzlichen nationalen und europäischen Anforderungen.
Um diesen Zustand zu erhalten und einen sicheren Betrieb zu gewährleisten, müssen Sie als
Anwender diese Bedienungsanleitung beachten!
Diese Bedienungsanleitung gehört zu diesem Produkt. Sie enthält wichtige Hinweise
zur Inbetriebnahme und Handhabung. Daran sollten Sie auch denken, wenn Sie die-
ses Produkt an Dritte weitergeben. Heben Sie deshalb diese Bedienungsanleitung
zum Nachlesen auf!
Bei technischen Fragen wenden Sie sich bitte an:
Deutschland: www.conrad.de
Österreich: www.conrad.at
Schweiz: www.conrad.ch
2. Symbol-Erklärung
Das Symbol mit dem Ausrufezeichen im Dreieck weist auf wichtige Informationen in
dieser Bedienungsanleitung hin. Lesen Sie diese Informationen immer aufmerksam.
Das Pfeilsymbol weist auf besondere Informationen und Empfehlungen zur Bedie-
nung hin.
3

3. Bestimmungsgemäße Verwendung
Dieses Codeschloss dient der Zutrittssicherung von Türen (z.B. Büro, Eingangsbereichen usw.).
Es können maximal 99 Benutzer mit unterschiedlichen Codes gespeichert werden. Es ist geeig-
net zum Anschluss elektrischer Türöffner, welche mit einer Spannung von 12 bis 24 V (AC/DC)
arbeiten.
Desweiteren verfügt dieses Codeschloss über einen Alarmausgang (3) (Platinenbeschriftung:
„AL OUT“; z.B. zumAnschluß eines Türmagnetkontakts NC) sowie einenAlarmeingang (5) (Pla-
tinenbeschriftung:REED;z.B.zumAnschlusseinesTürmagnetkontaktsNC).
Das Codeschloss darf ausschließlich mit einer Spannung von 12 bis 24 V (AC oder DC) betrie-
ben werden. Das Codeschloss hat die Schutzart IP65 und ist für den ungeschützten Außenbe-
reich geeignet.
Aus Sicherheits- und Zulassungsgründen dürfen Sie das Produkt nicht umbauen und/oder ver-
ändern. Sollten Sie das Produkt für andere als die zuvor beschriebenen Zwecke verwenden,
kann das Produkt beschädigt werden. Eine unsachgemäße Verwendung kann zudem Kurz-
schlüsse und weitere Gefahren nach sich ziehen. Lesen Sie sich die Bedienungsanleitung sorg-
fältigdurchundbewahrenSiesiesicherauf.ReichenSiedasProduktnurzusammenmitder
Bedienungsanleitung an Dritte weiter.
Alle enthaltenen Firmennamen und Produktbezeichnungen sind Warenzeichen der jeweiligen
Inhaber.AlleRechtevorbehalten.
4. Lieferumfang
• Codeschloss
• Bedienungsanleitung
1Aktuelle Bedienungsanleitungen
Laden Sie aktuelle Bedienungsanleitungen über den Link www.conrad.com/downloads herunter
oderscannenSiedenabgebildetenQR-Code.BefolgenSiedieAnweisungenaufderWebseite.
4

5. Sicherheitshinweise
Lesen Sie sich die Bedienungsanleitung sorgfältig durch und beachten Sie
insbesondere die Sicherheitshinweise. Sollten Sie die in dieser Bedienungs-
anleitung aufgeführten Sicherheitshinweise und Informationen für einen ord-
nungsgemäßen Gebrauch nicht beachten, übernehmen wir keine Haftung für
daraus resultierende Personen- oder Sachschäden. Darüber hinaus erlischt in
solchen Fällen die Gewährleistung/Garantie.
a) Allgemeine Hinweise
• Das Produkt ist kein Spielzeug. Halten Sie es von Kindern und Haustieren fern.
• Lassen Sie das Verpackungsmaterial nicht achtlos liegen. Dieses könnte andern-
falls für Kinder zu einem gefährlichen Spielzeug werden.
• Schützen Sie das Produkt vor extremen Temperaturen, direkter Sonneneinstrah-
lung, starken Erschütterungen, hoher Luftfeuchtigkeit, Feuchtigkeit, brennbaren
Gasen, Dampf und Lösungsmitteln.
• Setzen Sie das Produkt keiner mechanischen Beanspruchung aus.
• Sollte kein sicherer Betrieb mehr möglich sein, nehmen Sie das Produkt außer
Betrieb und schützen Sie es vor unbeabsichtigter Verwendung. Der sichere Be-
trieb ist nicht mehr gewährleistet, wenn das Produkt:
- sichtbare Schäden aufweist,
- nicht mehr ordnungsgemäß funktioniert,
- über einen längeren Zeitraum unter ungünstigen Umgebungsbedingungen
gelagert wurde oder
- erheblichen Transportbelastungen ausgesetzt wurde.
• Gehen Sie stets vorsichtig mit dem Produkt um. Stöße, Schläge oder sogar das
Herunterfallen aus geringer Höhe können das Produkt beschädigen.
• Wenden Sie sich an eine Fachkraft, sollten Sie sich in Bezug auf die Arbeitswei-
se, die Sicherheit oder das Anschließen des Gerätes unsicher sein.
• Lassen Sie Wartungs-, Änderungs- und Reparaturarbeiten ausschließlich von
einer Fachkraft bzw. einer zugelassenen Fachwerkstatt ausführen.
• Sollten Sie noch Fragen haben, die in dieser Bedienungsanleitung nicht beant-
wortet wurden, wenden Sie sich an unseren technischen Kundendienst oder
anderes Fachpersonal.
b) Angeschlossene Geräte
• Beachten Sie auch die Sicherheits- und Bedienungshinweise der übrigen Geräte,
die an dieses Produkt angeschlossen sind.
5

6. Bedien- und Anzeigeelemente
A) LED rot/gelb
Leuchtet rot, während das Codeschloss in
Betrieb ist.
Leuchtet gelb, während sich das Codeschloss
imProgrammier-Modusbendet.
B) grüne LED
Leuchtet grün, während die Relaiskontakte
„Lock Out“ aktiv sind.
C) LED orange
Leuchtetorange,währenddieRelaiskontakte
„Aux Out“ aktiv sind.
D) Keypad
Dient der Programmierung sowie der Codee-
ingabe.
7. LED- und akustische Signalisierungen
Status Akustische
Signalisierung
LED rot/gelb
(A)
Grüne LED
(B)
LED orange
(C)
Inbetriebnahme 3 x Signalton
(langer Abstand)
Leuchtet rot
Während des Betriebs Leuchtet rot
Aufrufen des Programmi-
ermodus
3 x Signalton
(langer Abstand)
Leuchtet
gelb
Im Programmiermodus Leuchtet
gelb
Korrektes Benutzerpasswort Leuchtet
grün
Door Lock Erinnerung (die
Türe ist länger geöffnet als
die Timer-Einstellung der
Relaiskontakte„LockOut“(1)
Blinkt
Korrektes AUX Passwort leuchtet
6

8. Montage und Anschluss
8.1 Montage
Das Codeschloss ist für den Betrieb im Außenbereich geeignet (IP65).
Alle Anschlusskabel dürfen weder geknickt noch gequetscht werden. Funkti-
onsstörungen, Kurzschlüsse sowie ein Gerätedefekt können die Folge sein.
Achten Sie beim Bohren von Löchern in der Wand oder beim Festschrauben
darauf, dass keine Kabel oder Leitungen beschädigt werden.
• Nehmen Sie den rückseitigen Gehäusedeckel ab, indem Sie die an der Gehäuseunterseite
bendlicheSchraubelösen.EinentsprechendesWerkzeugistimLieferumfangenthalten.
• Auf der Innenseite des Gehäusedeckels sind vier runde Markierungen zu sehen. Setzen Sie
mit einem 3,5 - 4 mm-Metall-Bohrer 2 Bohrungen.
• Für das Anschlusskabel ist (abhängig vom Durchmesser) ein weiteres Loch in der Mitte des
Gehäuses zu bohren.
• Befestigen Sie das Codeschloss mit geeignetem Montagematerial auf einer ebenen, senk-
rechtenundvibrationsfreienOberäche.
7

8.2 Anschluss
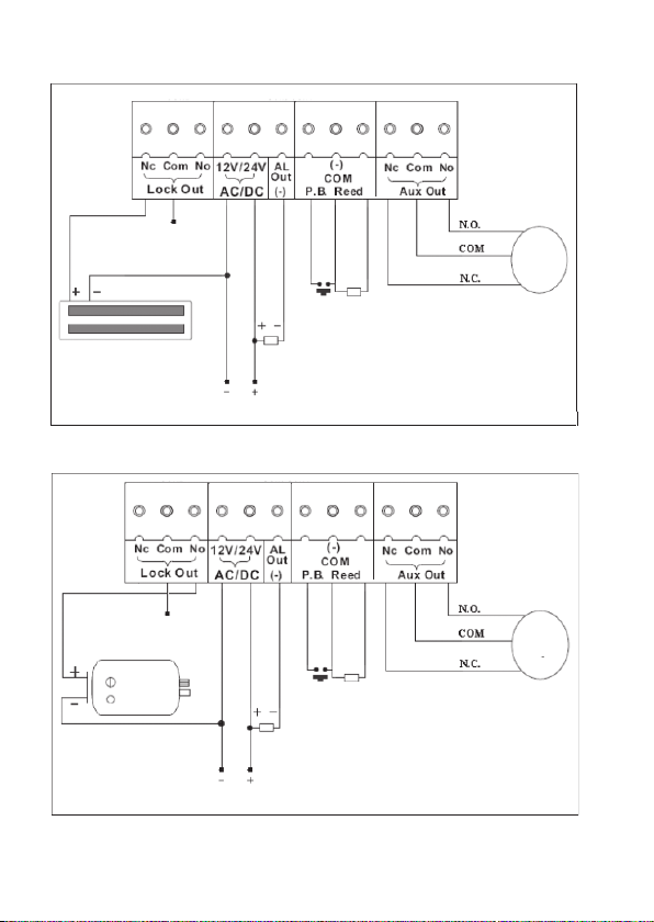
1 2 34 5 6
8
7
9
10
1) Relaiskontakt Lock-Out
2) Anschluss „12-24 V (AC/DC)“
3) Alarm-Ausgang (-)
Dient dem Anschluss einer Alarmsirene.
(=negativ geschalten; Platinenbeschriftung
= „AL OUT(-)“)
4) Anschluss „Egress“ (P.B.)
An diesem Anschluss kann ein NO-Taster
angeschlossen werden, welcher die Re-
laiskontakte „Lock Out“ ansprechen kann.
5) Anschluss „Tür-Magnetkontakt“
Zum Anschluss eines Tür-Magnetkontakts
(NC).BeschriftungaufPlatine=REED
6) Relaiskontakt Aux-Out
7) Schalter „Reset“
Dient der Durchführung eines Werksresets
(siehe Kapitel „9.8 Werkseinstellungen
herstellen(RESET)“).
8) Sabotage-Kontakt
Wird ausgelöst, sobald der Gehäusedeckel geöffnet wird.
9) Schalter „Tür-Magnetkontakt“
Dieser Schalter sollte in die Stellung „OFF“ springen, sobald der Tür-Magnetkontakt an den
fürdenMagnetkontaktvorgesehenenAnschluss(BeschriftungaufPlatine=REED)ange-
schlossen wird.
10)Schalter „Bypass TAMPER“
Dieser Schalter dient zur Überbrückung der Funktion des Sabotage-Kontakts (8)..
8

Direkte Verbindung zu ausfallsicherem Türschloss
Stromver-
sorgung+
DC-Versorgung IN
Blinkleuchte/Alarm-
gerät mit negativem
Trigger
Türfreiga-
betaster
Tür-Reed-
Kontakt
Aux-Aus-
gang
Ausfallsicheres Türschloss
(N.C.)
Direkte Verbindung zu ausfallsicherem Türschloss
Stromver-
sorgung+
Ausfallsicheres Türschloss
(N.O.)
DC-Versorgung IN
Blinkleuchte/Alarmgerät
mit negativem Trigger
Türfreiga-
betaster
Tür-Reed-
Kontakt
Aux-
Ausgang
9

9. Programmiermodus
Der Mastercode lautet ab Werk aus „1234“.
Um in den Programmiermodus zu gelangen, geben Sie zweimal hintereinander den Mastercode
ein.
Beispiel: 1234 1234
Bei korrekter Eingabe wechselt die LED „rot/gelb“ (A) von der Farbe rot auf die Farbe gelb.
SiebendensichnunimProgrammiermodusundkönnendienachfolgendbeschriebenenEin-
stellungen tätigen.
Der Programmiermodus kann mit der Taste „#“ verlassen werden.
9.1 Einstellung des Mastercodes
Um einen neuen Mastercode zu bestimmen, geben Sie, während Sie sich im Programmiermo-
dusbenden,folgendeKombinationein:
00 MMMM
MMMM steht in diesem Fall für die 4-stellige Zahlenkombination des gewünschten Mastercodes.
9.2 Einstellung des Benutzerpasswortes
Um ein neues Benutzerpasswort zu vergeben, geben Sie, während Sie sich im Programmiermo-
dusbenden,folgendeKombinationein:
Eingabekombination für Benutzer 01 bis 19:
XX UUUU
Eingabekombination für Benutzer 20 bis 39:
6 XX UUUU
Eingabekombination für Benutzer 41 bis 99:
6 XX UUUU
XX steht in diesem Fall für den gewünschten Benutzer.
UUUU steht in diesem Fall für die 4-stellige Zahlenkombination des gewünschten Benutzer-
passwortes.
10
Ce manuel convient aux modèles suivants
1
Table des matières
Langues :
Autres manuels Renkforce Verrouillage

Renkforce
Renkforce 1582597 Manuel utilisateur

Renkforce
Renkforce 751781 Manuel utilisateur

Renkforce
Renkforce 1359882 Manuel utilisateur

Renkforce
Renkforce RF-4587459 Manuel utilisateur

Renkforce
Renkforce RF-NL-100 Manuel utilisateur

Renkforce
Renkforce 1359883 Manuel utilisateur

Renkforce
Renkforce 754389 Manuel utilisateur

















