
BA-2120/2240 DP
9
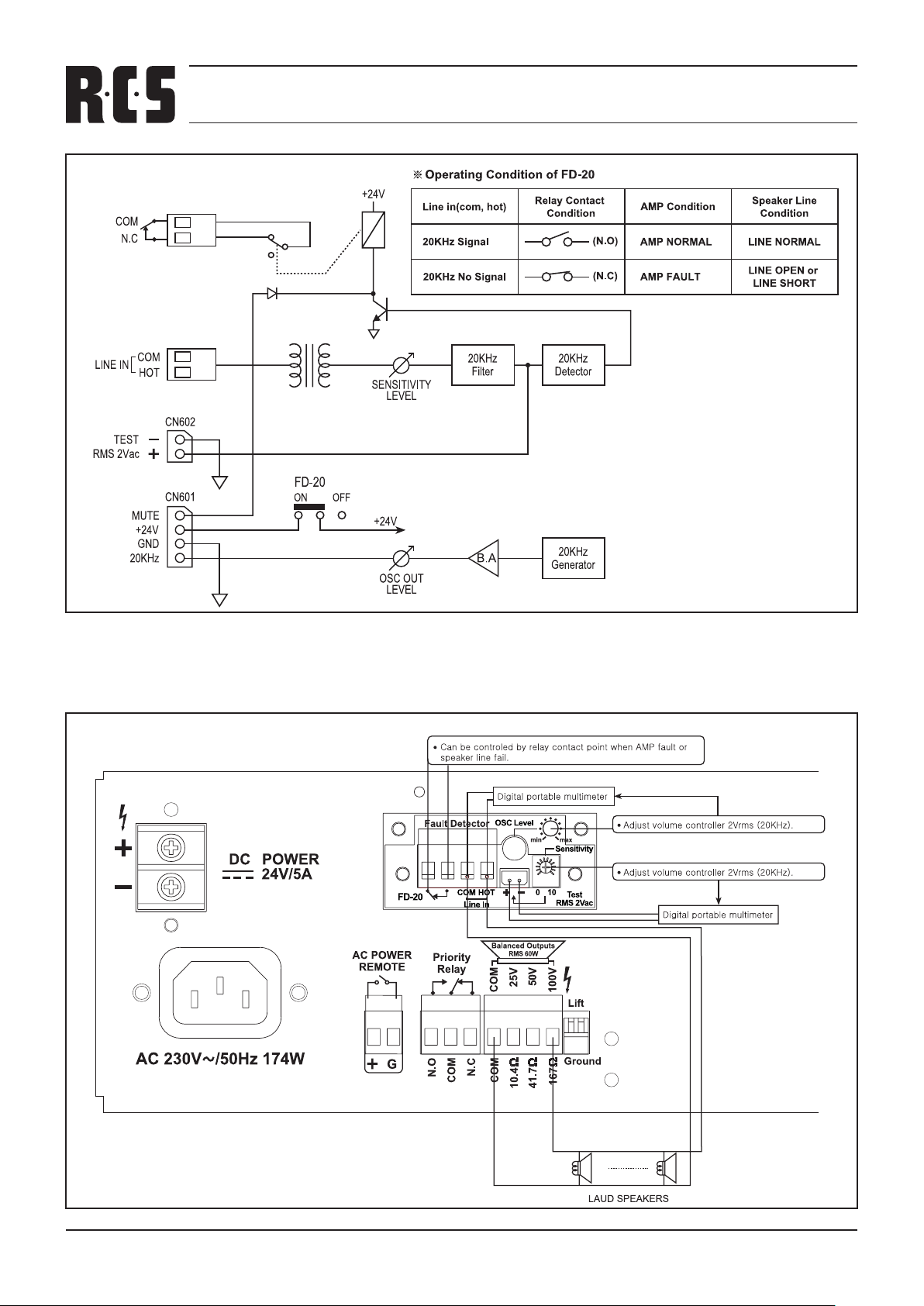
FAULT DETECTION MODULE (FD-20)
DESCRIPTION
Thefaultdetectionmuduleofpoweramplierchecksopera-
tingconditionsofamplieranddisconnectionofspeakerwi-
ringbygivingoutthesinewaveof20kHzatanouputlevelof
2Vrms(at70or100Vline).
Astheblockdiagramshows,thesinewaveof20kHz(2Vrms)
is mixed with other signals on the amplier output witch is
deliverdtothedetecionmodulethoughspeakercablesand
thedetectionmodule detects only thesinewaveof20 kHz
throughaltertocheckafault.
INSTALLATION
1. UnplugthepowercablefromaACoutlet.
2. Removetherearmountedblackpanel,andmounttheFD-
20intheresultantholeusingscrewssuppliedwiththemo-
dule.
3. Set"ON"positionMS1ontheFD-20moduleafterconnec-
tionofCN601ontheFD-20.
4. SettheFD-20switchbesidetheprogramentryofposition
„FD-20“.
5. Connect"COM"ofAMPoutputterminaland100Vtermi-
naltothe"COM"and"HOT".
6. ConnectrelaycontactofFD-20totheinputterminalofre-
laycontactofFS-381.(FAULTSTAND-BYAMPSWITCH)
CALIBRATING FD-20 ON POWER AMPLIFIERS
Ensureampliertobeadjustedinnotbeingused,I.e.Unplug
thePGMandPRIORITYinputscrewterminals.
1. SetDigitalPortableMultimetertomeasureACvoltageand
connectacrosspoweramplierCOMand70V/100Vtermi-
nals.Conrmoutputofpowerampliersis2VACrmsat20
kHz.
Adjust"OSCLEVEL"potentiometer(VR602),ifnecessary.
2. SetDigitalPortableMultimetertomeasureACvoltageand
connect"TEST"connector.Conrmreadingof2VACrms
at20kHz.Adjust"Sensitivity"potetiometer(VR601),ifne-
cessary.InsertPGMandPRIORITYinputtscrewterminals
ifremoved.
BESCHREIBUNG
DasÜberwachungsmodulüberprüftdieFunktiondesVerstär-
kersunddasFehlenderLautsprecherleitung,indemesein20
kHzSinussignalmiteinerSpannungvon2V(bei70or100V
Linie)ausgibt.
WiedasBlockschaltbild zeigt, wirddas Sinussignal aufdas
Audiosignal aufmoduliert, über die Lautsprecherleitung ge-
schicktundanschließendübereinen20kHzFilterimFD-20-
Modulüberprüft.Sollte dasSignalnichtmehr anliegenwird
ein Fehler signalisiert.
INSTALLATION
1. TrennenSiedasGerätvomNetz.
2. EntfernenSiedieBlendeaufderRückseiteundbefestigen
SiedasFD-20ModulmitdenbeigefügtenSchrauben.
3. SetzenSiedenJumperSW1aufONundverbindendas
angehängteKabelvonderLeerblendemitdemSteckplatz
CN601.
4. SetzenSiedenFD-20-SchalternebendemProgrammein-
gangaufdie„FD-20“-Position.
5. Verbinden Sie den "Line In" Kontakt am FD-20 mit dem
100VAusgangderjeweiligenEndstufe.
6. VerbindenSiedenStörmeldeausgangdesFD-20mitdem
StörmeldeeingangdesFS-381.(Havarieumschalter)
KALIBRIERUNG DES FD-20 MODULS
StellenSiesicherdassdieEndstufeinOrdnungistundkei-
ne Signale anliegen. Stecken sie sicherheitshalber die Pro-
gramm-undPrioritätseingängeab.
1. SellenSieIhrDigitalmultimeteraufACundschließenSie
esparallelaufdie100V-LeitungderEndstufe.
Justieren Sie mit dem "OSC LEVEL" Potentiometer (VR
602)dieSpannungauf2VACRMSbei20kHz.
2. SchließenSienundasMultimeteranden"TEST"-Ausgang
desFD-20Modulsundjustierensiegegebennenfallsdie
Spannungandem"Sensitivity"Potentiometerauf2VAC
RMS.AlsletztenSchrittschließenSiedieEingangssignale
wiederandieEndstufe.