PRE-INSTALLATION CONTROL
Before installing the automation, you must check that the gate’s shutter:
-The leaf turn freely in the hinges and without sticking in the ground
-It does not swing during its movement;
-is kept in axis by the special hinges;
-the leaves have the proper stoppages when opening and closing.
Borinato F.lli Snc is liable only for products it manufactures and commercializes. Once
automated, the gate becomes a machine and is therefore subjected to the rules of the “
Machinery Directive”. It is on the installer to verify its security. WARNING: Borinato F.lli Snc is
not liable for any damages to people, animals or things due to unauthorised modifications,
alterations or betterments on its products by third parties.
GENERAL ADVICE
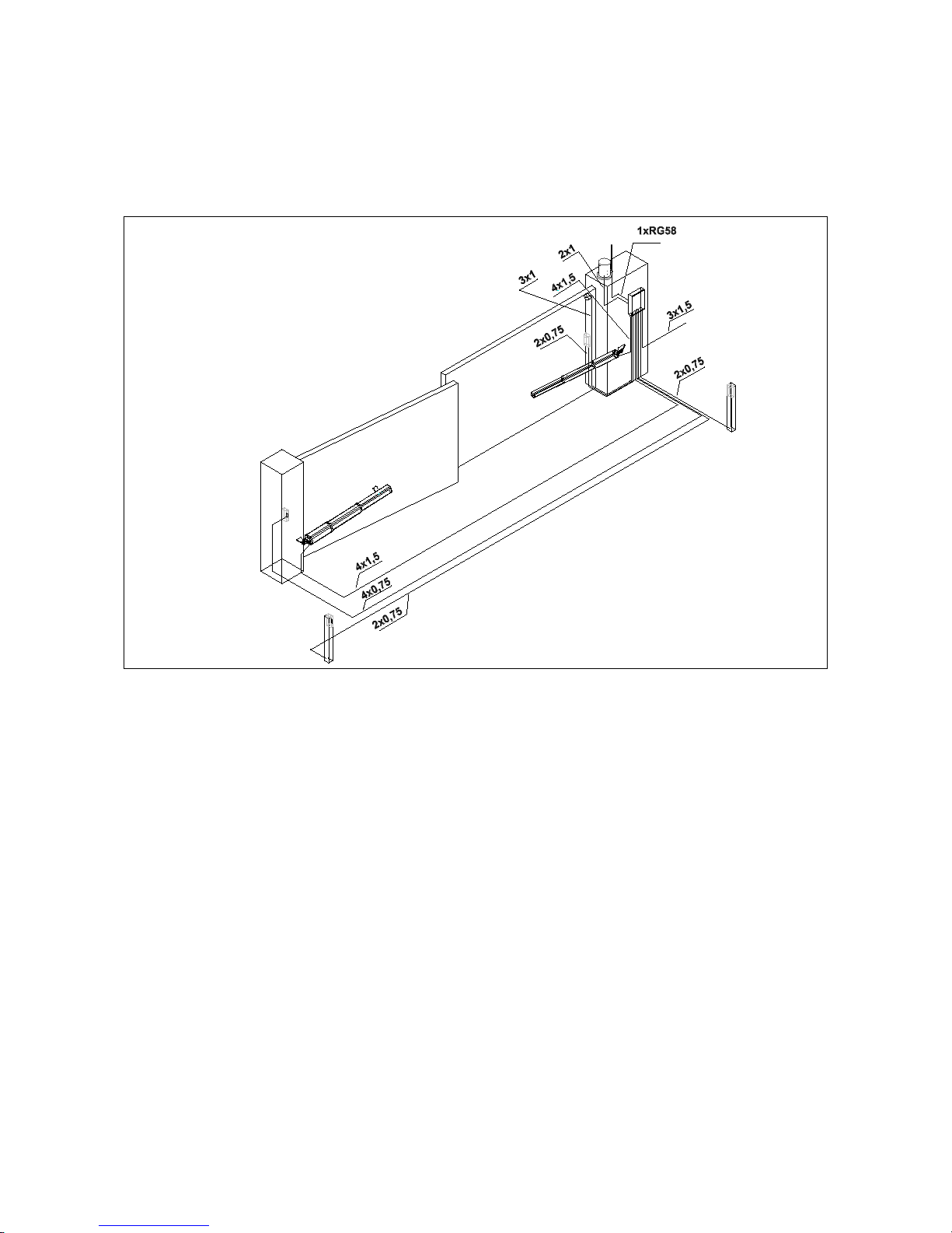
Install a gate’s safety system that complies with current regulations. Choose short routes
for cables and keep power cables separate from control ones. Install the control card in a
waterproof box.
Please refer to current regulations when setting the gear motor’s maximum torque.
We advice you to install an outdoor switch, in compliance with European standards on the
issue of safety, to turn the electricity off when servicing the gate.
Check that each single installed device is efficient and effective.
Affix easily readable signs warning about the presence of a motorised gate.
USE
It is absolutely forbidden to use the device for any other purposes. Installed control board
(which must have built-in electric friction), allows selecting the following functions:
automatic: one control impulse will open or close the gate;
semi-automatic: one control impulse will open or close the gate.
In case of blackout, act on the manual unlocking device and move manually the gate.
Remember that this is an automatic device powered by electricity, consequently use with
care. In particular, remember:
-not to touch the device with wet hands and/or wet or bare feet;
-to turn off electricity before opening the control box and/or actuator;
-not to pull the lead to pull the plug out;
-to put the gate in movement only when it is completely visible;
-to keep out of the gate’s range of action if it is moving. Wait until it has stopped;
-not to let children or animals play near the gate;
not to let children use the remote control or other operating devices