
Developed specifically for the unique requirements
of professional motion picture playback, the SC-443
extends QSC’s commitment to the cinema market. As
a member of the DCS Digital Cinema Speaker Series,
the SC-443 is a three-way, selectable bi or tri-amplified
screen channel loudspeaker system comprised of
three main units—the MH-1075 high-frequency system
and dual LF-4215 low-frequency systems.
The MH-1075 mid-high system features a high
output, horn loaded 10" midrange cone driver and a
3"(75mm) titanium diaphragm compression driver
mounted to an adjustable pan and tilt bracket. The
MH-1075 includes a driver protection network and
a passive crossover for bi-amp operation. Power
limiter circuitry protects the high-frequency driver
from overpowering. The MH-1075 provides extended
frequency coverage for the critical midrange band. A
high power 10"cone driver allows operation as low
as 250 Hz and the advanced phase plug coupling
permits a crossover point of up to 1800 Hz to the
high-frequency horn. This ensures that most of the
dialog range is reproduced by a single element, for
unmatched intelligibility.
The LF-4215 dual 15"(381mm) low-frequency
enclosures are designed specifically to address the
extended low-frequency response required for cinema
applications. The dual LF-4215s cover the frequency
range from 35 Hz to 250 Hz. Close Coupled Woofers
(CCW), with their tight spacing between woofers,
improves coupling and keeps coverage angles wide
over a greater frequency range than more widely
spaced designs.
The SC-443 is designed for ease of installation.
The MH-1075 components come pre-assembled to
reduce field assembly time. Three bolts are all that
are required to secure the MH-1075 to the top of the
LF-4215 enclosure.
SC-443
Cinema Loudspeaker System
Specifications SC-443
Nominal Coverage 90° horizontal x +20 to -30° vertical
Frequency Range 32 Hz - 16 kHz (-6 dB)
Crossover Frequency 250 and 1700 Hz, 24 dB per octave
(2) LF-4215 MH-1075
Impedance 4Ω each 8Ω
Sensitivity 1 watt /1 meter, 102.5 dB Bi-amp Tri-amp
half space 106 dB MF 105 dB HF 107.5 dB
Maximum Input Power1
8 hours of 6 db crest factor 800 W RMS each 250 W RMS2275 W RMS 80 W RMS
IEC 268 noise spectrum
2 hours of 6 db crest factor 1000 W RMS each 350 W RMS
pink noise, 50 Hz - 20 kHz,
AES method
Recommended Amplifier Power 1600 W RMS maximum each 800 W RMS maximum
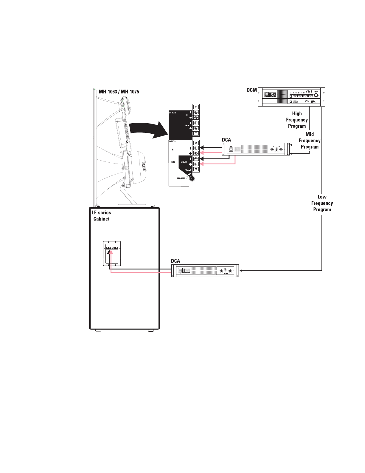
Recommended Processing Subsonic filter below 30 Hz, 4th order LR crossover at 200 and
> 18 dB per octave 1700 Hz via QSC DCM or QSControl.net
Connectors Barrier strip screw terminals Barrier strip screw terminals
accept up to #10 AWG accept up to #10 AWG stranded wire
stranded wire
Transducers Four 15" (381mm) high efficiency, 10" high efficiency mid range,
extended bass woofer featuring 1.5" (38mm) exit, 2.5" titanium
4" copper voice coils diaphragm compression driver
Enclosure Quasi B4 alignment, ported Tilt/Pan Bracket
enclosure with fully flared ports, ±10° vertical tilt
symmetrical port design, tuned to ±10° horizontal pan
36 Hz, constructed of MDF and
heavily braced. Features vandal
resistant woofer mounting bolts
Dimensions (HWD) 72" x 30" x 20.3" 39" x 30" x 20"
(1820 mm x 762 mm x 516 mm) (990 mm x 762 mm x 508 mm)
Weight - Net 344 lbs (156 kg) 85 lbs (39 kg)
System Weight 429 lbs (195 kg)
Baffle Cut-Out 111.6" x 32"
1) Maximum input power tested in accordance with IEC 268-5 recommendations, 50 Hz - 20 kHz band limiting, 6 dB signal crest factor.
2) Maximum input power tested in accordance with IEC 268-5 recommendations, 200 Hz - 2 kHz band limiting, 6 dB signal crest factor.
passive
mid-high
Features
• Three-way selectable, bi or tri- amplified screen channel system
• MH-1075 provides 90° horizontal by +20° to -30° vertical coverage
• LF-4215 is constructed of MDF and features single woofer chambers
• Low-distortion waveguides provide highly articulate dialogue
• Shallow depth (20") facilitates installation
• THX™ approved for professional cinema applications
THX is a trademark of THX Ltd.