
www.pulsar.pl PSDCB09129C
8
WEEE MARK
According to the EU WEE Directive – It is required not to dispose of electric or
electronic waste as unsorted municipal waste and to collect such WEEE separately.
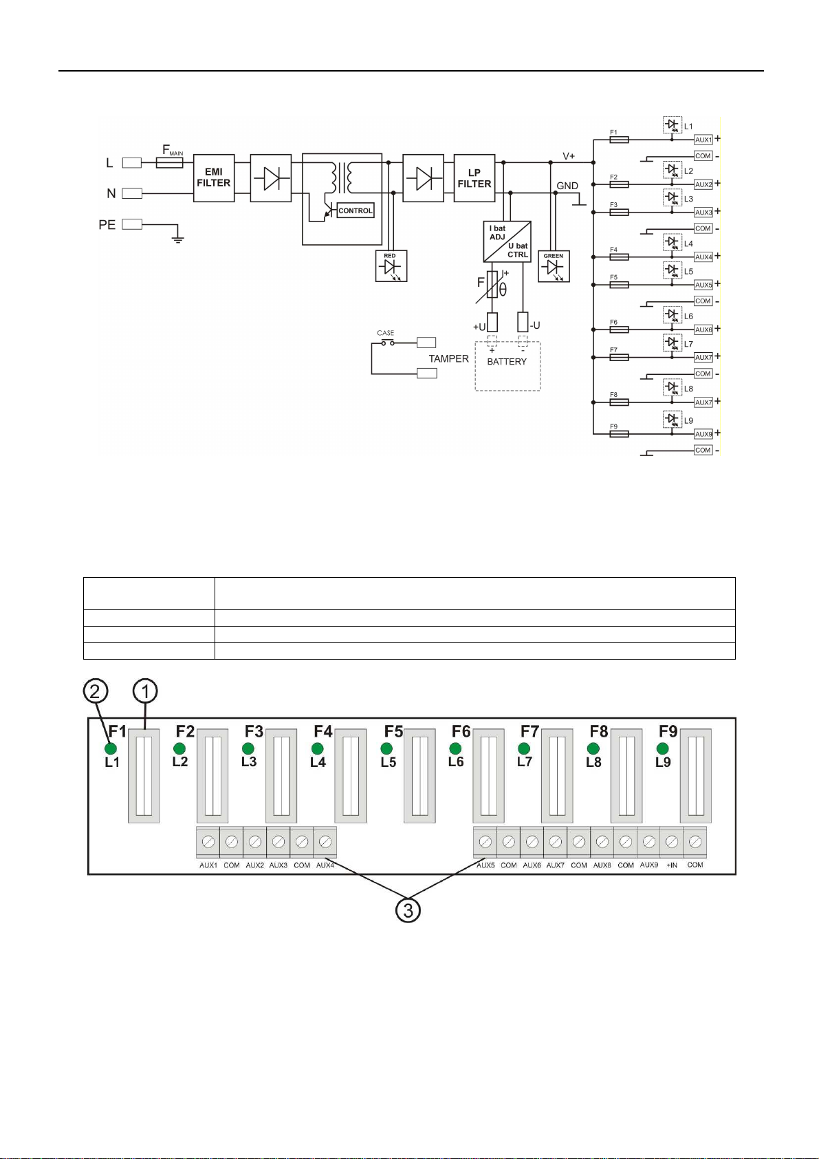
The power supply unit is adapted for a sealed lead-acid battery (SLA). After the operation period it must not be disposed of but recycled
according to the applicable law.
Pulsar K.Bogusz Sp.j.
Siedlec 150, 32-744 Łapczyca, Poland
Tel. (+48) 14-610-19-40, Fax. (+48) 14-610-19-50
e-mail: biuro@pulsar.pl, sales@pulsar.pl
http:// www.pulsar.pl, www.zasilacze.pl
GENERAL WARRANTY C NDITI NS
1. Pulsar K. Bogusz Sp.j. (the manufacturer) grants a two-year warranty for the equipment, counted from the device’s
production date.
2. The warranty includes free-of-charge repair or replacement with an appropriate equivalent (the selection is at the
manufacturer’s discretion) if the malfunction is due to the manufacturer, includes manufacturing or material defects, unless such
defects have been reported within the warranty period (item 1).
3. The equipment subject to warranty is to be brought to the place where it was purchased, or directly to the main office of the
manufacturer.
4. The warranty applies to complete equipment, accompanied by a properly filled warranty claim with a description of the defect.
5. Should the claim be accepted, the manufacturer is obliged to provide warranty repairs, at the earliest convenienve, however
not later that within 14 days from the delivery to the service centre of the manufacturer.
6. The repair period mentioned in item 5 may be prolonged, if there are no technical possibilities to carry out the repairs, or if the
equipment has been conditionally accepted, due to the breaking warranty terms by the claimant.
7. All the services rendered by force of the warranty are carried out at the service centre of the manufacturer, exclusively.
8. The warranty does not cover the defects of the equipment, resulting from:
- reasons beyond the manufacturer's control,
- mechanical damage,
- improper storage and transport,
- use that violates the operation manual or equipment’s intended use
- fortuitous events, including lightning discharges, power failures, fire, flood, high temperatures and chemical agents,
- improper installation and configuration (in defiance with the manual),
9. The warranty is void in any of the following circumstances:
- construction changes
- repairs carried out by any unauthorized service center
- damage or removal of warranty labels
- modifications of the serial number
10. The liability of the manufacturer towards the buyer is limited to the value of the equipment, determined according to the
wholesale prices suggested by the manufacturer on the day of purchase.
11. The manufacturer takes no reponsibility for the defects that result from:
- the damaging, malfunctioning or inability to operate the equipment
- defects that result from using the equipment outside its stated specifications and operating parameters failing to abide by the
recommendations and requirements contained in the manual, or the use of the equipment.