
www.pulsar.pl PSBS10A12C
1.4. Specifications:
- electrical specifications (tab.3)
- mechanical specifications (tab.4)
- operation safety (tab.5)
- operating specifications (tab.6)
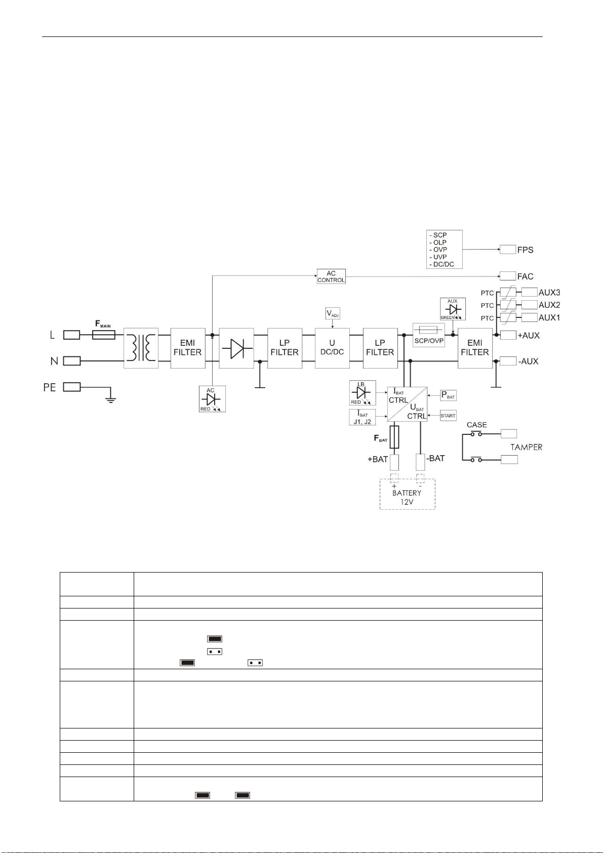
Electrical specifications (tab. 3).
Mains supply 230V AC (-15%/+10%)
Current consumption 1,1A
Power frequency 50Hz
PSU power 138W
Efficiency 71%
Output voltage 11,0V ÷ 13,8V DC – buffer operation
10,0V ÷ 13,8V DC – battery-assisted operation
Output current 10A (without a battery), AUX output
9,3A + 0,7A battery charge
7,9A + 2,1A battery charge
6,4A + 3,6A battery charge
5,2A + 4,8A battery charge
or
3 x 2,5A – outputs : +AUX1-, +AUX2-, +AUX3-
Output voltage escalation, decrease, and
keeping time 20ms / 30ms /50ms
Output voltage adjustment range 12,0V ÷ 14,5V DC
Ripple voltage 50mV p-p max.
Current drawn by the PSU systems 20mA max. – battery-assisted operation
Battery charging current 0,7A / 2,1A / 3,6A / 4,8A - I
BAT
(J1, J2) jumper selectable
Short-circuit protection SCP
200% ÷ 250% of the PSU power,
hiccup mode– 13A/200ms and/or
fuse damage in the battery circuit (fuse-element
replacement required)
Overload protection OLP 110% ÷ 150% of the PSU power – electronic.
Disconnection of the PSU outputs – automatic return after
DC output circuit disconnection
Over voltage protection OVP U>16,5V, disconnection of the output voltage, automatic
return (AUX+ disconnection)
Battery circuit protection SCP and reverse
polarity connection 10A – current limiting, F
BAT
fuse (failure requires fuse-
element replacement)
Deep discharge protection UVP U < 10,0V (± 5%) – battery disconnection (-BAT),
P
BAT
jumper selectable
Sabotage protection:
- TAMPER output indicating enclosure
opening
- micro-switches x2, NC contacts (enclosure closed and
fixed to the surface), 0,5A@50V DC (max.)
Technical outputs:
- FAC; output indicating AC power failure
- FPS;
technical output of the PSU operation
status
- type OC, 50mA max. normal status: L (0V) level, failure:
hi-Z level, relay: 10s.
- type OC, 50mA max. normal status: L (0V) level, failure:
hi-Z level (automatic return after restoration of correct
operation)
F
BAT
fuse
F
MAIN
fuse T 10A / 250V
T 6,3A / 250V
Mechanical specifications (tab. 4).
Enclosure dimensions 350 x 277 x 168 (345 x 272 x 160+8) (WxHxD) [mm] (+/- 2)
Fixing 315 x 240 x Φ6 x 4szt (WxH)
Fitting battery 17Ah / 12V (SLA) max.
Net/gross weight 8,10 / 8,60 kg
Enclosure Steel plate DC01 1,2mmthick, colour: RAL 9003
Closing Cheese head screw x2 (at the front), lock assembly possible
Connectors Supply: Φ0,41-2,5
Outputs: Ф0,41÷2,5
BAT battery outputs: connectors: Φ6 (M6-0-2,5)
TAMPER output: leads