Proxi gate Manuel utilisateur

www.getproxi.com
Gate

Information about the rB-TO2S2 module
The module is used to control entry gates and garage doors with a mobile device. It coopera-
tes with gate controllers produced by dierent manufaurers.
Purpose
Operation
The module allows an entry or garage door
to be controlled with a mobile device as well
as by a traditional remote control.
The free Proxi application can be downlo-
aded from Google Play and the App Store. It
requires a mobile device that is compatible
with Bluetooth 4.0 and iOS7 or Android
version 4.3 or newer.
The Proxi Gate module has two outputs
that allow the control of two gates, a gate
and a door or two funions of one gate.
The operating mode of the module’s output
channels are configured with the help of the
mobile app.
The available modes are monoable (single
impulse returned at the output) or biable
(maintaining the output ate).
If the monoable ate is seleed, the
period for which the on ate at the output is
maintained should also be set. The default
period is 1 second.

Inallation
The Proxi Gate module has a waterproof
housing rated at IP65 with an external
antenna conneion. This allows an antenna
to be fied in the optimal location to extend
the radio range, e.g. away from the gate
ruure.
To conne the module to the gate controller,
open the housing and conne the cables to
the junion located on the PCB (Fig. 1).
Four cables are sucient to control a single
gate funion.
1. PWR +/-/~
2. PWR -/+/~
3. OUT1+
4. OUT1-
5. OUT2+
6. OUT2-
7. IN1 A *
8. IN1 B *
9. IN2 A *
10. IN2 B *
Conne the Proxi Gate conneor terminals to the terminals of the gate controller. The basic
method of inalling the Proxi Gate module is to conne it to the input of the manual control
switch. The location and terminal description depends on the gate controller module being
used.
Detailed information on the funioning of the gate controller and a description of the con-
neors can be found in the inruions for the given controller model.
Fig. 1. View of part of the PCB together with the 10-pin conneor
* Not supported in version 1.0.0
Inallation
1 2 3 4 5 6 7 8 9 10

Inallation
In mo gate controllers, the voltage required to power the switches, photocells and lighting
at the limits is available at the conneor. If the voltage is in the range of 9-25V DC or AC, it
should be used to power the Proxi Gate module. Any power polarity can be used.
When conneing output channel cables, the
conneor polarity given in the description
should be maintained. Depending on the
desired configuration, one or two Proxi Gate
module channels can be conneed.
Power supply conneion:
Conneion of the Proxi Gate
output channels:
Single channel control
Two channel control
The typical operation of a gate controller is
a sequence of “open-op-close” or “open-
-close”. To control the gate with one switch in
the mobile app, apart from the power supply,
two circuits should be conneed:
1. OUT1+ should be conneed to the appro-
priate input of the gate controller, usually
that for manual control or an additional
radio receiver.
2. OUT1- should be conneed to the Ground
of the gate controller, usually marked as
COM, GND or “-“.
The Proxi Gate module operation in two-
-channel mode is analogous to that of a
remote control with two buons.
To control two funions of the gate with
the help of two buons in the mobile app,
conne the power and the control circuits
as follows:
1. OUT1+ should be conneed to the appro-
priate input of the gate controller, usually
that for manual control or an additional
radio receiver.
2. OUT1- should be conneed to the Ground
of the gate controller, usually marked as
COM, GND or “-“.
3. OUT2+ should be conneed to the appro-
priate second input that controls the second
gate funion, usually the door funion
(partial opening), the funion of opening
with maintenance of the ate (the gate does
not close automatically), or other.
4. OUT2- should be conneed to the Ground
of the gate controller, usually marked as
COM, GND or “-“.

Inallation
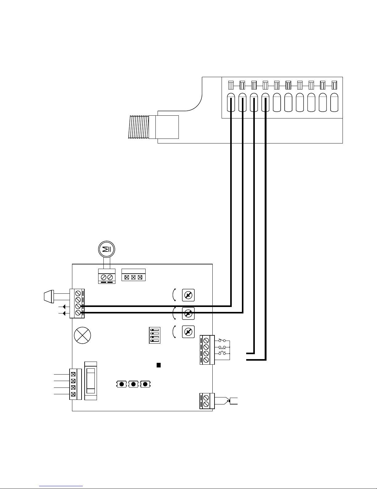
Fig. 2. Example of the conneion of one channel of the Proxi Gate module to the gate
controller (Beninca JM3 controller)
1 2 3 4 5 6 7 8 9 10
17 16 15 14
5 6 7 8
1 2
13 12
+
–
S
21 20 19 18
JP7
JP1
S1
DL1
P.P.
PGM
CL
ON
ANT
TCAANPO
24Vac
1A max
LAMP
24Vac / 15Wmax
AMPC +++– – –
JP4
ENCODER
SERVICE LIGHT
24Vac/10W
PHOT
STOP
P.P.
COM
SHIELD
ANT
4 3 2 1
2AFF1

Inallation
Fig. 3 shows examples of where the Proxi Gate antenna module could be fied inside the
garage. Location 1 is the be and recommended for the be radio range. In location 4, the
signal is mo dampened.
Fig. 3. The location of the Proxi Gate antenna module
The Proxi Gate module has an antenna and
a cable that is conneed by screwing in
the antenna conneor to the SMA socket
located on the exterior of the housing.
A 27mm antenna is aached to the end of
the cable. To ensure the be radio range for
Inallation of the Proxi Gate module
3
1
4
2
the module, the antenna should be fied
outside of the garage or the conruion
of the gate. Inallation of the antenna on
a metal gate will dampen the radio signal.
If the antenna has to be fied inside, it
should be located by the front wall, beside
the doors.

Operating temperature
Proteion code
Power voltage
Peak power voltage
Peak current
Average power
Number of outputs
Output polarity
Output galvanic separation
Max load voltage
Max load current
Max output voltage at switching on
Surge proteion
Output overvoltage proteion
Proteion again
reverse output polarity
ENVIRONMENTAL CONDITIONS
ELECTRICAL PARAMETERS
OUTPUTS
-30 °C / +55 °C
IP65
AC/DC 9 V–24 V (any polarity)
50 V
70 mA
120 mW
2
Yes
Yes (each separately)
DC 50 V
DC 20 mA
0,3 V
(for a load current of 20 mA)
Yes
Yes
Yes
(diode conta with thermal fuse)
Technical data

Number of inputs
Output galvanic separation
Min. input voltage
Max. input voltage
Surge proteion
Input mode
INPUTS
2 (inputs with polarity deteion)
Yes
AC/DC 10 V
AC/DC 25 V
No
Monoable/Biable
(mode and duration are defined by the app)
Technical data
F&F Filipowski . j., ul. Konantynowska
79/81, 09-200 Pabianice, POLAND, tel./fax
+48 42 2152383, fif@fif.com.pl, www.fif.com.pl
©2014 F&F Filipowski . j. All rights reserved.
Guarantee: F&F produs are guaranteed
for 24 months from the date of purchase.
908312 5973845
Radio conneion
Signal power
Transmission type
Coding
RADIO PARAMETERS
Bluetooth, 2,4 GHz
6 mW
Bi–directional
Yes
Autres manuels pour gate
1
Table des matières
Autres manuels Proxi Télécommande
Manuels Télécommande populaires d'autres marques

Panasonic
Panasonic EUR7622KB0 Manuel utilisateur

Bang & Olufsen
Bang & Olufsen Beo4 Manuel utilisateur

Sunwave Tech.
Sunwave Tech. RemoteComm SRC-7000 Manuel utilisateur

Multiplex
Multiplex PROFI TX 9 Manuel utilisateur

One Remote
One Remote RMB4 Manuel utilisateur

FUTABA
FUTABA 9ZAP - PART2 Manuel utilisateur












