
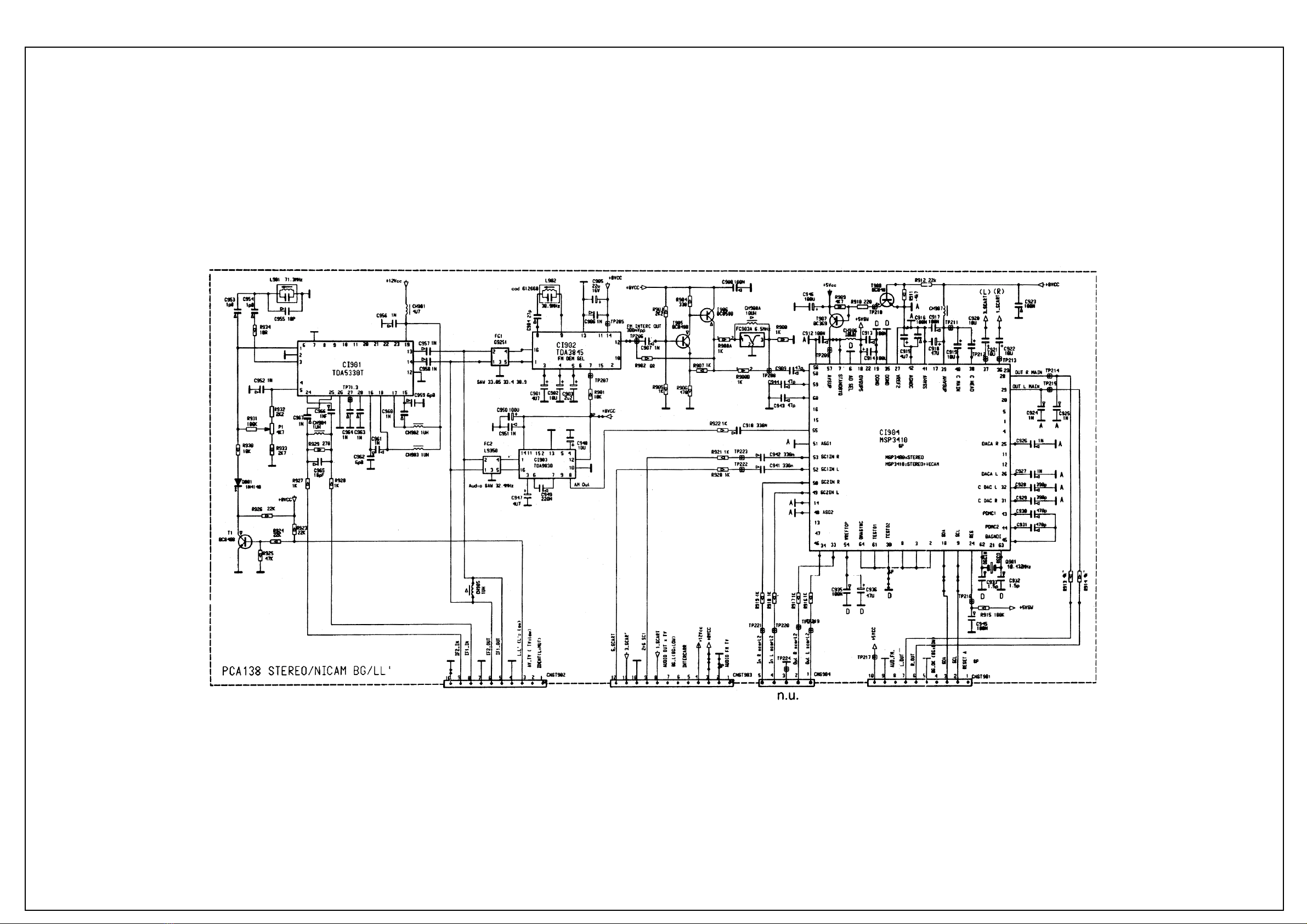
PROLINE 1405 R
Adjustments
(PC180 CHASSIS)
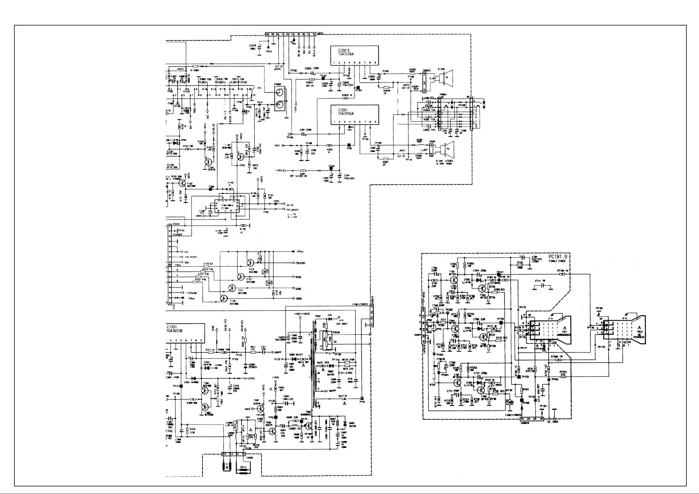
Power Supp y
Conditions: Set brightness and contrast to the
minimum (dark condition).
Operations: Adjust P401 to obtain, on C420
(TP111), the ollowing value:
105VDC± 1V when diode D410A present on
chassis.
118VDC± 1V when diode D410 present on
chassis.
Note: on chassis is present D410 or, alternately,
D410A.
Video Frequency (IF):
Conditions: Apply a standard modulated IF
signal o 50 mV amplitude to the CH501.
Operations: Connect a balanced oscilloscope
probe on pin 19 scan connector.
- Connect a voltmeter on pin 9 o C11.
- Adjust L101 to read 2.5 V on voltmeter and to
obtain the best signal on oscilloscope.
Tuner AGC
Conditions: Tune a channel at the end o
BAND III (e.g. channel E11) with RF input o
1mV.
- Connect a voltmeter to C508.
Operations: Set P101 ull on counterclockwise
and check that the voltage is about 8W.
- Adjust then P101 to obtain a reduction o the
previous measured voitace o 300mV.
Adjustment of geometry contro parameters
Conditions: monoscope or cross hatch signal
rom antenna and normalised brightness,
contrast and colour.
Operations:
- Adjust P303 or vertical shi t correction.
- Adjust P302 or vertical amplitude correction.
- Adjust P301 or vertical correction.
Automatic Cut-Off
Conditions: Normal TV signal.
- Set the Colour, Brightness and Contrast to
minimum setting. Check, with oscilloscope,
the dc voltages o cut-o pulse visible during
the vertical blanking on collectors o T701-
T702-T703 and select the higher pulse (see
Fig. 1).
Operations: Adjust the cut-o pulse with G2
potentiometers (on the EHT trans ormer) to
obtain the ollowing level:
- 150VDC i the power supply o the video
ampli iers (TP160) is 190VDC
- 130VDC i the power supply o the video
ampli iers (TP160) is 160VDC
- 115VDC i the power supply o the video
ampli iers (TP160) is 140VDC
Focusing
Adjust the pontentiometer on the EHT trans-
ormer in order to obtain the best ocus condi-
tions.
White setting
Conditions: Use a staircase black/white signal
and set the Colour, Brighhtness and Contrast to
obtain a normal picture.
- Adjust P701 and P702, i present, to obtain
the maximum video signal on T701-T704-
T707 collectors.
Operations: Adjust P701 and P702 to obtain a
grey level staircase without any colour.
Genera Information
PC 180 “Nova” Chassis
Fig 1.
Waveforms
Text Diagram