
Compruebe periódicamente que el orificio de la punta por donde sale el hilo no está excesivamente desgastado, con lo
que haría un mal contacto eléctrico con el hilo. Sustituya la punta si no está en buen estado.
Prevenga que las mangueras del soplete no se rocen con partes cortantes capaces de causar un cortocircuito. Si ve que
la manguera tiene cortes, sustitúyala.
SECUENCIA DE OPERACIÓN
•SOLDADURA CON GAS DE PROTECCIÓN
Para este tipo de soldadura, Ud debe utilizar un arrastrador de hilo; PRAXAIR SOLDADURA S.L. comercializa un modelo
apropiado para esta máquina el MIG-44 Cód.246.068.4 este arrastrador tiene un potente sistema de arrastre de 4 rodillos.
La máquina se conecta al arrastrador por medio de una alargadera de longitudes normalizadas de 5,10,15,25 y 50 m.
Se dispone de dos tipos de alargadera: alargadera estandar y monocable.Las máquinas salen de fábrica con la conexión
gas para tipo monocable; cuando se usen alargaderas estandar, desmontar el panel lateral dcho, y cambiar la conexión
de gas, pasando la manguera de la conexión centralizada a la toma rápida situada en el panel delantero.
La alargadera monocable se conecta al panel delantero de la máquina por medio de un conector centralizado tipo
EURO de potencia y un conector de control ;en las alargaderas estandar, conexionar el conector rápido de potencia, el
del adaptador de gas a la toma rápida, y conexionar el conector de control. estos En ambos casos se conectan por el
otro extremo de la alargadera a la parte trasera del arrastrador. El gas de protección se conexiona de la botella a la
máquina usando la manguera de gas que se suministra, al panel trasero; debe disponer un caudalímetro en la botella.
PRAXAIR SOLDADURA S.L. comercializa kit´s para los distintos sopletes, donde se suministra un caudalímetro mod. R54-CA
cód.232.246.0.
Seleccione el caudal correcto de gas para el tipo de trabajo a realizar.
El arrastrador MIG-44 puede apoyarse simplemente en la tapa de la máquina ó puede utilizarse un soporte giratorio. Este
soporte se introduce en el orificio existente en la tapa de la máquina, el arrastrador se fija en este soporte mediante cuatro
tornillos; debe desmontar los paneles del arrastrador para poder acceder a estos tornillos; este soporte dotará al arrastrador
de giro, y le permitirá bascular con lo que el soplete estará siempre recogido en el aire, sin arrastrarlo por el suelo lo que
evitará cortes en las mangueras de mimo. El código de este soporte es 245.769.6 está construido con un moderno diseño en
acero cincado.El soplete se conecta al arrastrador por medio de una conexión centralizada tipo EURO.
Opcionalmente está máquina puede trabajar con sopletes refrigerados por agua, para ello necesitará el REFRIGERADOR
R-7 cód.241.897.5 que se instala en la parte trasera de la máquina; cuando instale este refrigerador,
deberá desplazar hacia la dcha. el soporte de la botella utilizando los orificios existentes para su nueva posición.
La máquina dispone de una plataforma en la parte trasera para colocar la botella de gas, esta botella se sujeta a la
máquina mediante una cadena de acero de fácil fijación.
Coloque la bobina de hilo apropiado para el trabajo a realizar en el arrastrador, seleccione el tipo de rodillo apropiado
para este hilo, y proceda al avance rápido hasta que salga por la punta del soplete.
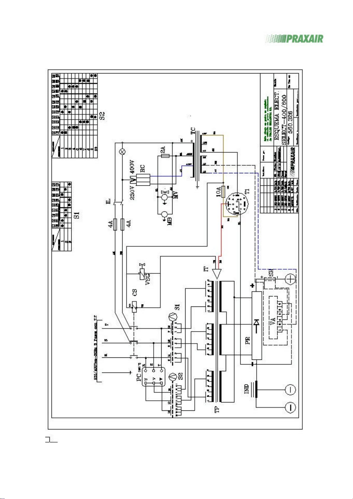
La intensidad de soldadura se selecciona mediante dos selectores situados en el panel delantero de la máquina; uno de
paso grueso (S1) de 3 posiciones y otro de paso fino (S2) de 10 posiciones. Mediante la combinación de estos dos selectores,
dispone de 30 escalones para regular la intensidad a la necesaria para su trabajo.
ATENCION ! : No manipule estos selectores mientras se está soldando, el hacerlo provocaría la avería de estos selectores.
Conecte el cable masa a uno de los dos conectores situados en la parte inferior izq. del panel delantero; uno de estos
conectores es de media inductancia (onda pequeña) y otro de alta inductancia (onda grande). Seleccione el
adecuado para su trabajo.Pulse el interruptor de línea del panel delantero marcado con (O-I), y comience a soldar.
RENDIMIENTO
El rendimiento de la máquina está definido por la intermitencia indicada en % referida a un intervalo de tiempo de 10 min.
en el cual la máquina puede dar la corriente especificada.
Para obtener un óptimo rendimiento utilice siempre que sea posible cables cortos sin bucles y de sección apropiada; no
utilice cables de alimentación de sección menor a 6 mm2 ni menor de 50 mm2 (SELECT-400) y 16 mm2 ni menor de 70 mm2
(SELECT-600) en la soldadura. Utilice siempre conectores originales suministrados por el fabricante de la máquina PRAXAIR
SOLDADURA S.L.; cuide que estos conectores estén siempre limpios de grasa y otras suciedades, y gire al realizar la conexión
hasta que se consiga un correcto contacto eléctrico.