6
6. Currently selected profile.
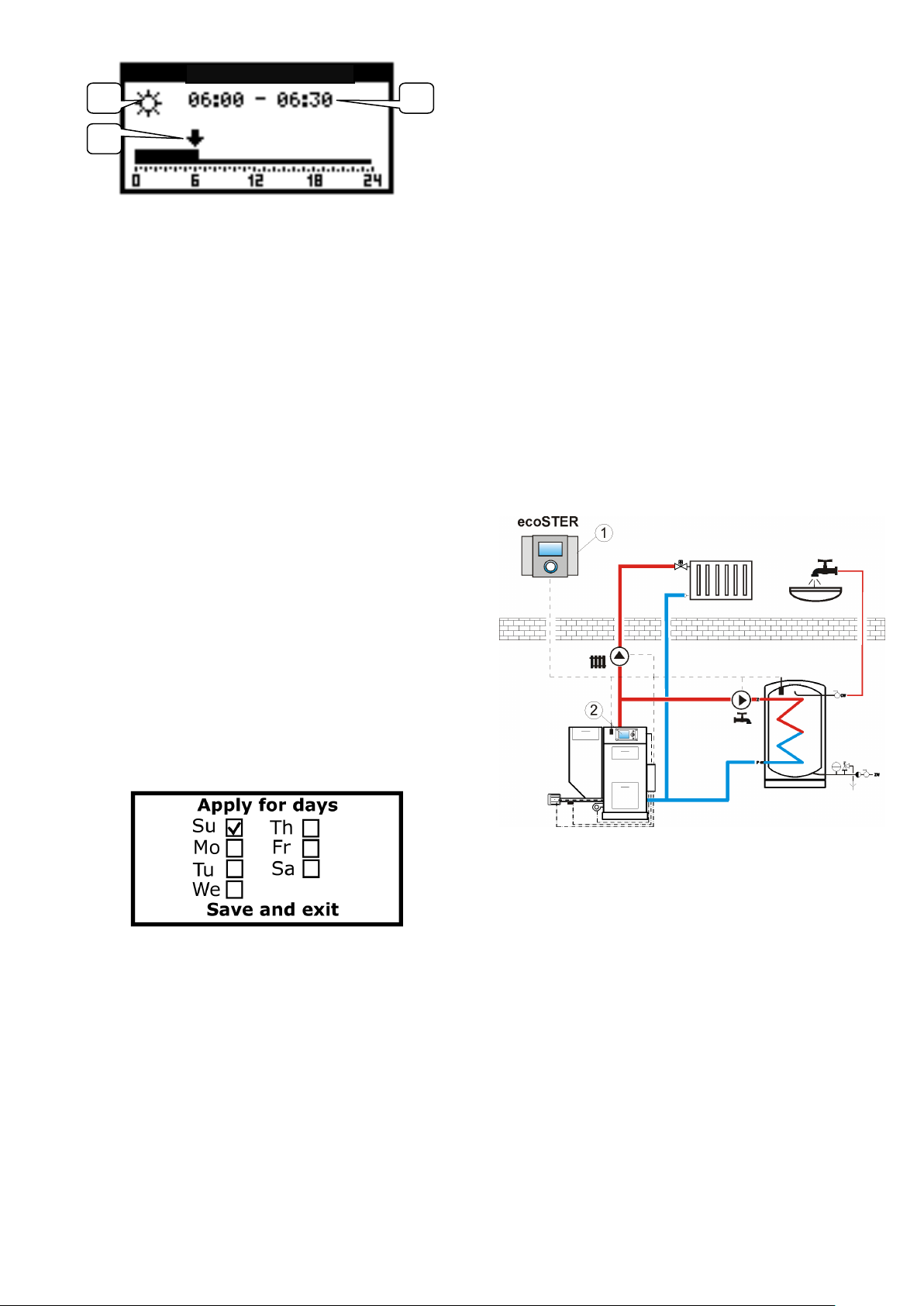
7. Graphic presentation of programmed
time zones (schedule).
8. Number of thermostat for which this
main screen is displayed.
9. Current, measured room temperature.
7.6 Operation modes
7.6.1 Operation mode with a schedule
In this mode, the regulator presets the
temperature in rooms according to a time
schedule. In the main window, in a place for
displaying operation mode, a clock icon is
displayed. To set this mode, select:
MENU →Operation mode →Schedule
Programming a schedule is described in 7.8.1
7.6.2 Economic mode
In this mode, the regulator works with
constant economic preset temperature, set in
the following parameter:
MENU →Temperature Settings →Night
temperature
In the main window, in a place for displaying
operation mode, a quarter moon icon is
displayed. In order to activate this mode,
select:
MENU →Operation Mode →Economic
7.6.3 Comfort mode
In this mode, the regulator works with
constant comfort preset temperature set in
the following parameter:
MENU →Temperature Settings →Day
temperature
In the main window, in a place for displaying
operation mode, a sun icon is displayed.
In order to activate this mode, select:
MENU →Operation mode →Comfort
7.6.4 "Output" Mode
This mode enables to replace the existing
temperature setting for a period of 1 to 60
hours with an economic temperature set in
the following parameter:
MENU →Temperature Settings →Night
temperature. In order to activate this
mode, enter the MENU and select:
Operation mode →Output
Screen for editing the duration of this mode
will be displayed. After setting the required
duration and confirming by pushing the
button, the "Output" operation mode is
activated; in this mode, the economic
temperature is set to a preset duration.
Note: Time will be counted by full hours. It
means that the first hour will not be a full
hour - it will be a number of minutes left to a
current full hour.
For example, if the manual mode is set to
17:45 for a duration of 4 hours, a real
duration of the party mode will be 3h 15 min.
When a preset time elapses, the regulator
switches to a previous mode. In the main
window, in a place for displaying operation
mode, an open door icon is displayed.
7.6.5 Airing mode
Selecting the airing mode in thermostat 1
will close mixers and switch off central
heating pump in the boiler regulator for 1 to
60 minutes. In order to activate this mode,
enter the MENU and select:
Operation mode →Airing
Screen for editing the duration of this mode
will be displayed. After setting the required
duration and confirming by pushing the
button, the Airing operation mode is
activated.
Note: Time will be counted by full minutes. It
means that the first minute will not be a full
minute - it will be a number of seconds left
to a current full minute.
When a preset time elapses, the regulator
switches to a previous mode. In the main
window, in a place for displaying operation
mode, an open window icon is displayed.
During this mode, a thermostat contact
remains opened.
7.6.6 Party mode
Party mode enables to replace the existing
temperature setting for a period of 1 to 48
hours with any temperature. In order to
activate this mode, enter the MENU and
select:
Operation mode →Party
The preset room temperature edition window
will be displayed. Set the required
temperature by turning the button right or
left. Push the button to confirm and save the