
1
FREIGHT DOORS ICAR GATES ICAR ENCLOSURES
TECHNICAL SUPPORT 1-800-787-5020 ext 275
THE PEELLE COMPANY
Guide No.
Date:
266-EN
WIRELESS CONTROLLER & BRIDGE
INSTALLATION & INTERFACE GUIDE
May 16 / 2022
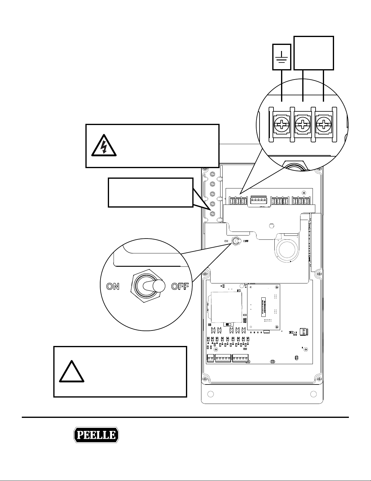
Electrical Hazard Warning Symbol – Failure to observe this warning could result in electrical shock
or electrocution.
Operational Hazard Warning Symbol – Failure to observe this warning could result in dangerous or
unsafe conditions.
Installation Note: This product should be installed and serviced by a qualied elevator technician
familiar with its operation and hazards involved. Proper safety procedures must be followed when
working with this controller during installation and with control under power. Proper shielding and
grounding of this product is necessary to reduce the emissions of radio frequency interference (RFI)
which may adversely aect sensitive electronic equipment.
Electrical Wiring: Wire controller in accordance with the National Electrical Code, Canadian Electrical
Code, European Norms and/or any other local codes that apply.
General Contractor Note: A separate fuse disconnect switch is required for the door controllers. See
job specic wiring diagrams for disconnect and fuse requirements.
1.0 SAFETY WARNING
Enclosure Conduit Connections
TYPE 1, 4 & 4X
(Indoor Use Only)
CAUTION
Non-metallic enclosure does not provide grounding
between conduit connections. Use grounding bushing
and jumping wires.
WARNING
Do not mount controller on or above a combustible
surface.
The conduit hubs are to be connected to the conduit
before being connected to the enclosure.
To maintain the environmental rating of this enclosure,
install in any openings only listed or recognized conduit
hubs with the same environmental ratings as required,
in compliance with the installation instructions of the
device.
53
T&B Conduit Fittings
Rigid and Intermediate Metal Conduit Fittings
Methods of Bonding and Grounding (continued) —
Typical Installations Using Thomas & Betts Bonding and Grounding Wedge
T&B Series 3651
Bonding & Grounding Wedge
(1) T&B Series 142 Locknut
(2) T&B Series 122 Metallic Bushing
(3) T&B Series 3651 Bonding &
Grounding Wedge
(4)T&B Pressure (crimp type)
Terminal Lug.
Grounding electrode
Conductor enclosure
(Rigid Metal Conduit or
Intermediate Metal Conduit)
Service Enclosure
Service Equipment
Bonding Jumper
Equipment Bonding Jumper
Phase Conductors
Grounding electrode
conductor
Threaded Rigid Metal Conduit
or intermediate Rigid Metal Conduit
Sheet Metal Box or
Enclosure with unpunched
concentric or eccentric
rings remaining around
knockout opening.
Ground Bus
Acceptable Method for Bonding
Following
(i) Service Equipment
CEC Rule 10-614
(ii) Bonding for Circuits over 250 volts
CEC Rule 10-614
(iii) Bonding in Hazardous Locations
CEC Rule 18-074
When installed with a bonding jumper,
acceptable method of bonding where
unpunched rings remain around
concentric or eccentric knockouts in
sheet metal boxes or enclosures.
[CEC Rule 10-614].
Suggested Specifications
Bonding and Grounding Wedge
(Series 3650)
Bonding and Grounding Wedges
installed to effectively bond terminating
fitting or metal conduit to a cabinet, box,
enclosure or an auxiliary gutter or to
install bonding jumper around
concentric or eccentric knockouts shall
be of the type as manufactured by
Thomas & Betts—Series 3650.
Bonding and Grounding Wedge
shall be of rugged bronze/tin plated or
steel/electro-zinc plated.
CONFITMRO_1a_fr.pdf 53 9/21/2011 10:15:19 AM
!