
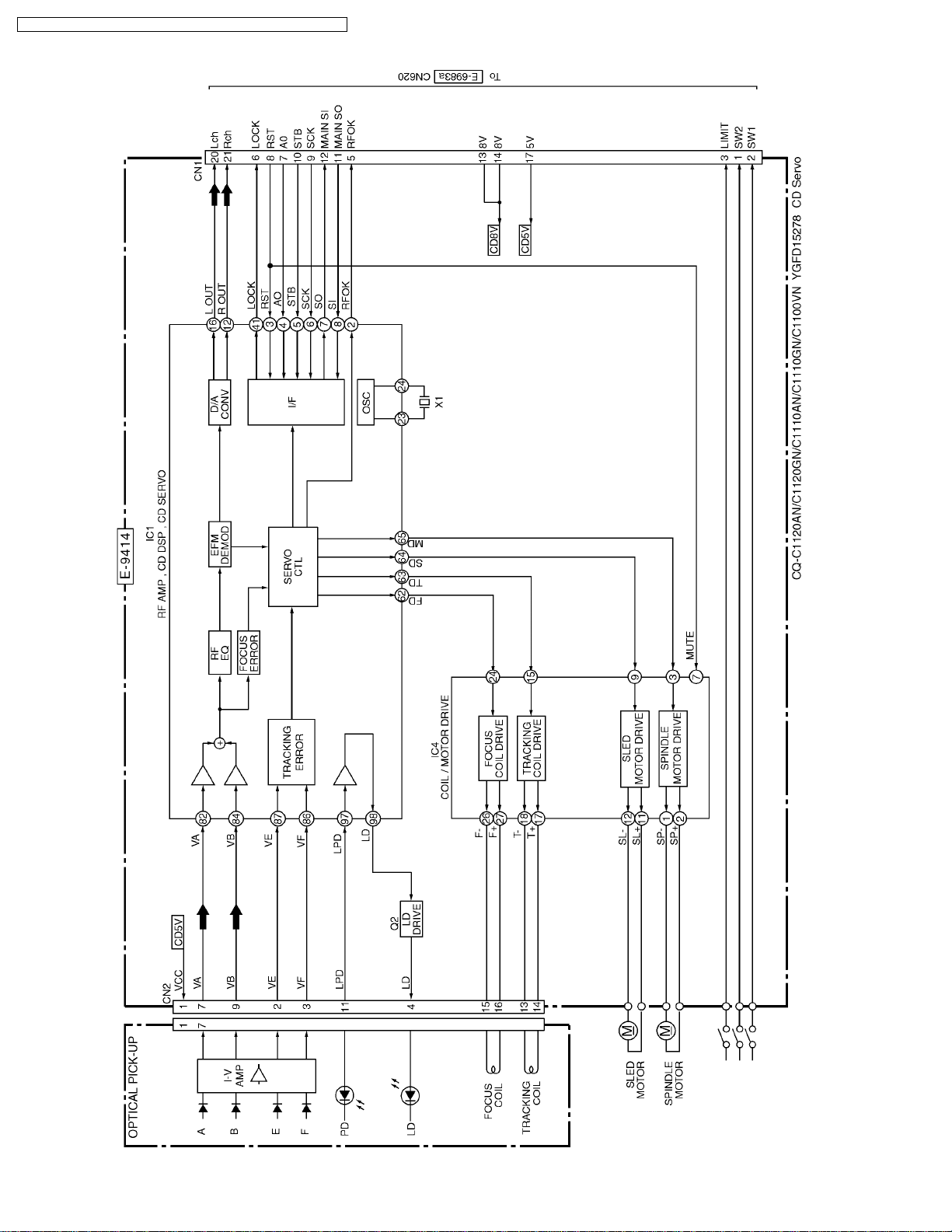
10.3. CD Servo Block
IC1 : C1BB00000665
Pin
No. Port Description I/O (V)
1 D.GND Digital Ground - 0
2 RFOK RFOK Signal O 4.9
3 /RESET Reset I 4.9
4 A0 Address 0 I 4.0
5 /STB Strobe I 4.9
6 /SCK Serial Clock I 4.9
7 SO Serial Data Output O 0
8 SI Serial Data Input I 3.0
9/XTALEN Crystal Oscillaton Enable I 0
10 D.VDD Digital Power Supply - 4.9
11 DA.VDD D/A Converter Power Supply - 4.7
12 ROUT R-channel Audio Signal Output O 3.3
13 DA.GND D/A Converter Ground - 0
14 REGC Capacitor Connection for Regulator - 3.4
15 DA.GND D/A Converter Ground - 0
16 LOUT L-channel Audio Signal Output O 3.3
17 DA.VDD D/A Converter Power Supply - 4.6
18 R+(NC) No connection - -
19 R-(NC) No connection - -
20 L-(NC) No connection - -
21 L+(NC) No connection - -
22 X.VDD Crystal Oscillator Power Supply - 4.8
23 XTAL Crystal Connection O 2.3
24 /XTAL Crystal Connection I 2.1
25 X.GND Crystal Oscillator Ground - 0
26 D.VDD Digital Power Supply - 4.7
27 EMPH(NC) No connection - -
28 FLAG(NC) No connection - -
29 DIN Data Input I 2.5
30 DOUT Data Output O 2.5
31 SCKIN Serial Clock Input I 2.7
32 SCKO Serial Clock Output O 2.7
33 LRCKIN LR Clock Input I 2.5
34 LRCK LR Clock O 2.5
35 HOLD/WDC
K(NC) No connection - -
36 TX(NC) No connection - -
37 D.GND Digital Ground - 0
38 C16M(NC) No connection - -
39 LIMIT(NC) No connection - -
40 D.VDD Digital Power Supply - 4.9
41 LOCK Lock O 4.9
42 RFCK(NC) No connection - -
43 MIRR/WFC
K(NC) No connection - -
44 PLCK(NC) No connection - -
45 D.GND Digital Ground - 0
46 C1D1(NC) No connection - -
47 C1D2(NC) No connection - -
48 C2D1(NC) No connection - -
49 C2D2(NC) No connection - -
50 C2D3(NC) No connection - -
51 D.VDD Digital Power Supply - 4.9
52 PACK(NC) No connection - -
53 TSO(NC) No connection - -
54 TSI Parameter Input for Text Data I 0
55 /TSCK Serial Clock for Text Data I 0
56 TSTB Text Parameter Strobe I 0
57 D.GND Digital Ground - 0
58 TEST0 Test I 0
59 TEST1 Test I 0
60 ATEST Analog Test O 2.0
61 A.GND Analog Ground - 0
62 FD Focus Drive O 2.5
Pin
No. Port Description I/O (V)
63 TD Tracking Drive O 2.5
64 SD Sled Drive O 2.6
65 MD Motor Drive O 2.5
66 DAC0(NC) No connection - -
67 DAC1(NC) No connection - -
68 DAC2(NC) No connection - -
69 DAC3(NC) No connection - -
70 A.VDD Digital Power Supply - 4.9
71 EFM EFM Signal O 2.7
72 ASY Slice Level I 2.4
73 C3T Capacitance Connection for 3T Signal
Detecting Circuit - 2.7
74 RFI RF Signal Input I 2.4
75 AGCO AGC Amp Output O 2.4
76 AGCI AGC Amp Input I 2.4
77 RFO RF Amp Output O 2.7
78 EQ2 Equalizer Parts Connection for RF
Amp - 2.5
79 EQ1 Equalizer Parts Connection for RF
Amp - 0.3
80 RF- Impedance Connection to RF Amp for
Negative Feedback I 2.3
81 A.GND Analog Ground - 0
82 A Error Signal Input I 2.7
83 C(NC) No connection - -
84 B Error Signal Input I 2.7
85 D(NC) No connection - -
86 F Error Signal Input I 2.9
87 E Error Signal Input I 2.9
88 A.VDD Analog Power Supply - 4.9
89 REFOUT Reference Output O 2.5
90 FE- Impedance Connection to Focus Error
Amp for Negative Feedback I 2.5
91 FEO Focus Error Amp Output O 2.5
92 TE- Impedance Connection to Ttacking
Error Amp for Negative Feedback I 2.5
93 TEO Tracking Error Amp Output O 2.5
94 TE2 Tracking Error Amp Output Multiplied
by Two O 2.6
95 TEC Tracking Error Comparator I 2.5
96 A.GND Analog Ground - 0
97 PD Photo Diode Signal (for Detecting
Laser Power) Input I 0.2
98 LD Laser Diode Control Current Output O 3.6
99 PN APC Circuit Polarity Control I 0
100 A.VDD Analog Power Supply - 4.9
8
CQ-C1120AN / CQ-C1120GN / CQ-C1110AN / CQ-C1110GN / CQ-C1100VN