
7
pH-MaxiDos
MA60-01R
РУССКИЙ
5
Autodos
1
2
3
4
X
B
РУССКИЙ
Общее описание установки
Регулировка CO2- pH, артикул № 414800.
•Данная установка предназначена для регулировки уровня рН в бассейне путем добавления в воду двуокиси углерода CO2.
•Контроль регулировки осуществляется включением /выключением рН-регулятора системы «Autodos».
•Данная установка предназначена для использования в помещении с температурой окружающей среды от +5С до+40°С.
•Если при использовании установки нарушаются технические условия, то может быть нарушена защита, обеспечиваемая
оборудованием.
•Блок управления включает в себя расходомер со встроенным игольчатым клапаном для управления потоком, 230 В
электромагнитный клапан и все необходимые электрические компоненты для управления и индикации.
•Инжектор представляет собой дозировочный клапан, включающий в себя обратный клапан и спеченный конгломерат для
максимальной дисперсии газа, соединение R1/2 «, наружная резьба. Подключение к 6/8 мм шлангу.
•На газовом баллоне должен быть смонтирован регулятор, понижающий давление до 6 бар.
•В настоящее время имеются стальные газовые баллоны в диапазоне от 10 до 30 кг (5 или 15 м. газа). В них содержится в
жидком состоянии двуокись углерода CO2, которая становится газом при выходе из баллона. В некоторых установках
нагреватель должен быть установлен перед регулятором. (Все зависит от местоположения, потребления газа и т.д.).
•Нельзя подавать CO2 непосредственно в установку в жидком виде, поскольку это может привести к повреждению установки.
CO2 может также поставляться в упаковках емкостью 240 кг (120m3 газа). Кроме того, на месте можно подключить 2, 4 или 6
газовых баллонов в одну упаковку.
•На блоке управления имеется сигнальная лампа, которая показывает, когда в газовом баллоне давление становится низким.
Внешний вывод (230В) позволяет подключить дополнительную световую индикацию, предупреждающую о низком давлении газа.
•Установка предназначена для максимального потока CO2, равного 6,5 л/мин, при давлении, равном 6 бар.
Монтаж установки
Монтаж установки должен выполняться только квалифицированным электриком. Монтажу установки должен предшествовать
монтаж в легко доступном месте многополюсного переключателя, маркированного и сертифицированного в соответствии со
стандартом IEC 60947-1, IEC 60947-3 или другим аналогичным стандартом.
Откройте блок управления, ослабив четыре винта, которые удерживают крышку, нажмите, как показано на рисунке ниже.
Важно, чтобы на стороне высокого давления были установлены специальные металло-резиновые прокладки. (Входят в
комплект поставки). Со стороны напорной линии должен использоваться полугибкий воздушный шланг диаметром 8/6мм
PN10
.
(10 м шланга входит в комплект поставки).
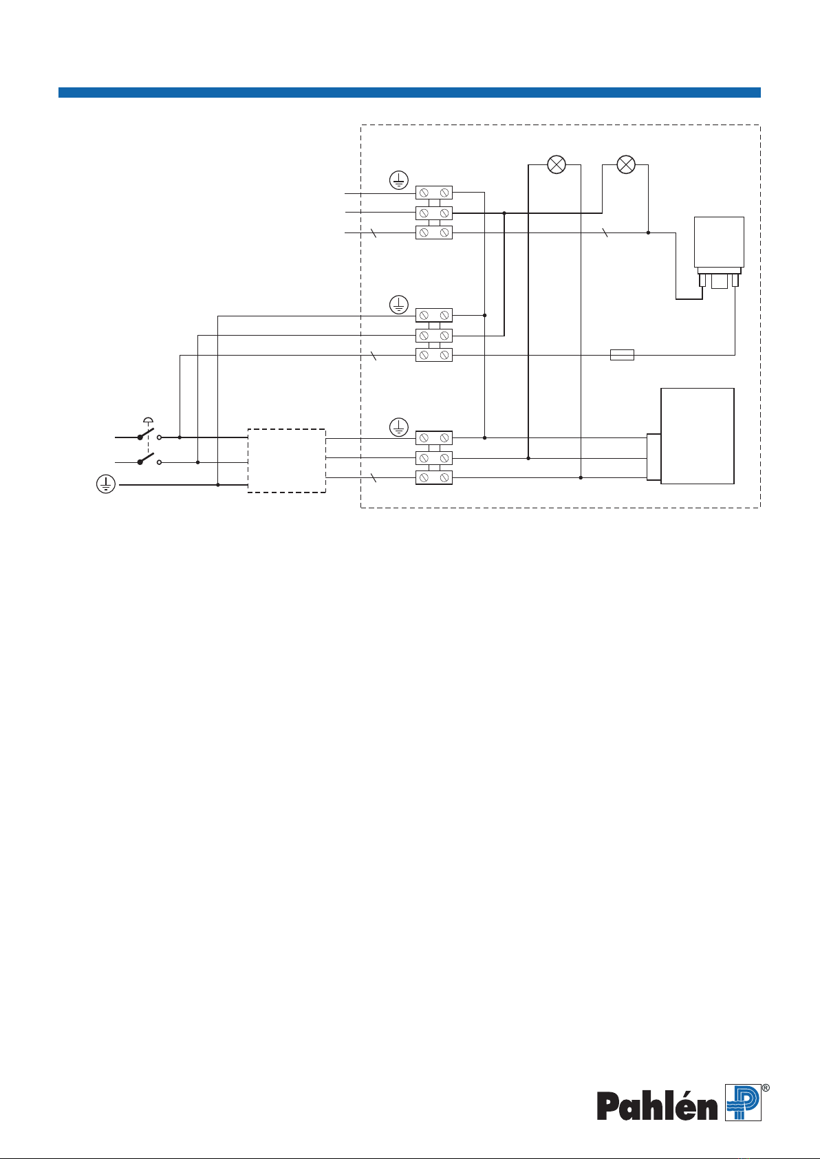
Блок управления.
Блок управления должен монтироваться на стене и располагаться таким образом, чтобы его подключения
были расположены вертикально. Подключение CO2 должны осуществляться, как описано выше. Справа (если смотреть
спереди) расположен входной патрубок, слева – выходной. При подаче питания загорается индикатор (зеленый),
и открывается элект-ромагнитный клапан. Поток газа регулируется игольчатым клапаном, когда открыт
электромагнитный клапан. Предупре-дительный световой сигнал
(красный) указывает, что давление газа слишком низкое.
Инжектор.
Поместите инжектор в
основной поток воды между
циркуляционным насоса и фильтром
и всегда после любого подключения
оборудования для контроля воды.
Технические характеристики
Категория установки 2
Напряжение: 230 B
Частота: 50 Гц
Мощность: 8 В.А
Встроенный предохранитель T500mA, 250B, Cooper Bussman S500/S506
Класс защиты (блока управления): IP44
Уровень загрязнения: 2
Размеры (блока управления): в190 x ш240 x г110
Вес: 1,53 кг
Уровень тревоги: <1,4
бар
(Поток газа меньше 3
л/мин
)
Чтобы
открыть крышку,
нажмите здесь
1. Блок управления CO2
2. Инжектор
3. Регулятор
4. Напорный шланг,
арт. № 41493-03 (3
м
), 41493-05 (5
м
), 41493-10 (10
м
)
5. Держатель для газовых трубок
Выход Вход
(Сигнализация, выход 230В)
Вход 230В
Вход 230В
от
Autodos
Баллоны с CO2
(не включены в поставку)