
E-935-1-E
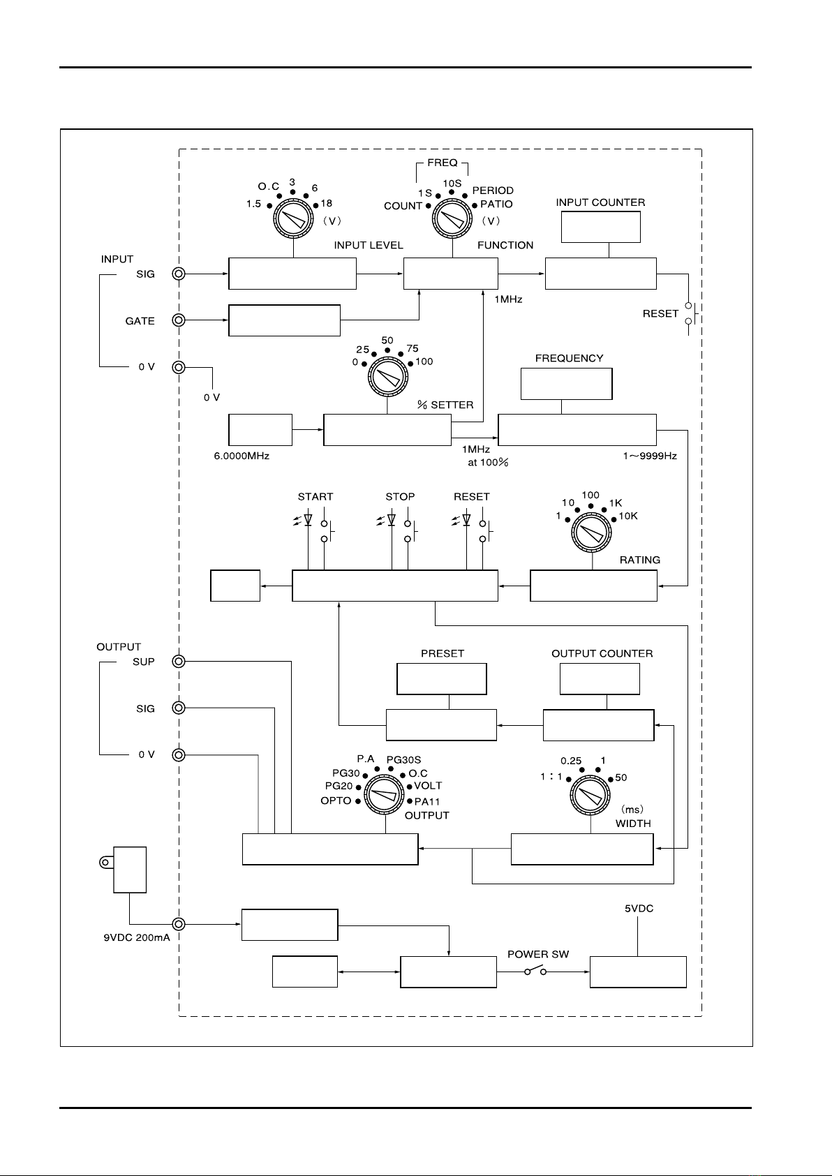
(3)“FUNCTION”Select Switch
Selects“INPUT COUNTER”functions.
“COUNT” …… Accumulated total counter
Counts the number of incoming pulses at“SIG”terminals.
“FREQ 1S”…… Frequency counter with one second gate
Counts the number of incoming pulses at“SIG”terminals for a period of one
second →Displays it for one second →Reset to“0”. The cycle above is
repeated.
Unit of measure displayed on the counter …… “Hz”
“FREQ 10S” … Frequency counter with 10-second gate
Counts the number of incoming pulses at“SIG”terminals for 10 seconds →2
sec. hold displayed →“0”reset.
This cycle is repeated.
Unit of measure displayed on the counter …… “Hz”
“PERIOD”…… Period counter with 1MHz pulses
Counts the period of incoming pulses at“SIG”terminals against the 1MHz
internal pulses and displays it, latched.
Unit of measure displayed on the counter …… μs
“RATIO” …… Gated accumulated total counter
Counts the number of incoming pulses at“SIG”terminals at the intervals of
pulses incoming through“GATE”terminals and displays it, latched.
(4)“RESET”Pushbutton Switch
Upon depression, the“INPUT COUNTER”is reset to“0”.
(5)“INPUT COUNTER”
An 8-digit LCD accumulated total counter. Its functions are selectable with“FUNCTION”select switch.
3. Output Functions
(1)“FREQUENCY”Preset Switch
Establishes the reference frequency of output pulses with 4-digit decade switch.
Preset coverage: 1 to 9999Hz (in 1Hz steps)
(2)“RATING”Select Switch
Selects the decimal point of the“FREQUENCY”reference frequency.
“1” …… The decimal point of 4-digit decade switch is □□□□. Hz
“10” …… The decimal point of 4-digit decade switch is □□□.□Hz
“100”…… The decimal point of 4-digit decade switch is □□.□□ Hz
“1K” …… The decimal point of 4-digit decade switch is □.□□□ Hz
“10K”…… The decimal point of 4-digit decade switch is 0.□□□□ Hz
(3)“% SETTER”Select Switch
Selects % frequency reduction of the reference frequency.
“100”…… Provides the reference frequency output with the decimal point chosen as above.
“75” …… Provides the reference frequency output ×0.75 with the decimal point chosen as above.
“50” …… Provides the reference frequency output ×0.5 with the decimal point chosen as above.
“25” …… Provides the reference frequency output ×0.25 with the decimal point chosen as above.
“0” …… No output is provided.
(4)“PRESET”Switch
Presets the number of output pulses with 8-digit decade switch.
Upon“START”button depression, the checker produces the number of pulses preset before it
comes to stop pulse generation automatically.
Preset coverage: 1 to 99999999 P (in 1P steps)