Osram EASY Manuel utilisateur

EASY Touch Panel
Operating instructions

2
Contents

3

4
Description
Purpose and application
Function
Design
EDCBA

5
Installation
Safety instructions
WARNING!
CAUTION!
Mounting notes
G
F
EAN: 4008321552556
EAN: 4008321552532

6
Procedure
Step Activity
CAUTION!

7
Step Activity

8
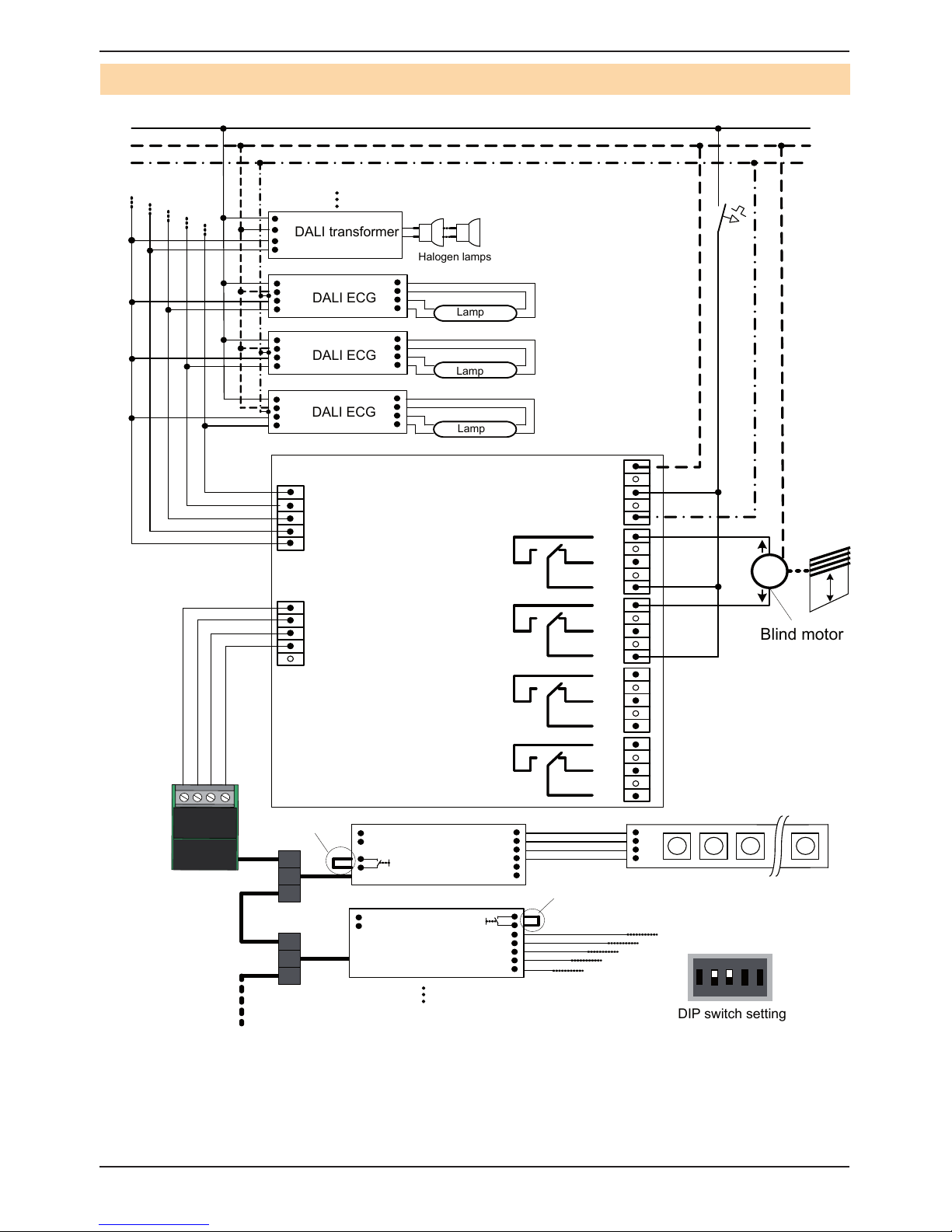
Connection diagram (example)
Relay A
Relay B
Relay C
Relay D
N 21
L 23
PE 25
DALI output
EASY bus
1CH1 + (red)
2CH2 + (green)
3CH3 + (blue)
4CH4 + (white)
5 GND -
11 + 5V
12 SYNC
13 IR
14 GND
31
33
35
41
43
45
51
53
55
61
63
65
M
L
N
PE
~
~
DA
DA
~
~
DA
DA
~
~
DA
DA
~
~
DA
DA
Easy signal
24 V (+)
CH1 (R-)
CH2 (G-)
CH3 (B-)
CH4 (W-)
GND (-)
OT EASY 60 II
+
R
G
B
LED Modul LINEARlight Colormix
L
N
Y-Connector
1 4
Y-Connector
Screw
Slave
EASY Touch Panel (Master)
Slave
Easy signal
GND (-)
CH4+ (W)
CH3+ (B)
CH2+ (G)
CH1+ (R)
DALI EASY III
L
N
1 2 3 4 5
ON
5 4 3 2 1
Lamp
Lamp
Lamp
Halogen lamps
DIP switch setting
DALI transformer
DALI ECG
DALI ECG
DALI ECG
Blind motor

9
Basic settings
DIP switches
DIP Description ON OFF
Operating modes
• Non-addressed operation (delivered state)
• Addressed operation
Master/slave operation

10
Conguration
Procedure
Step Activity
Setup screen
Step Activity
Autres manuels pour EASY
1
Table des matières
Manuels Écran tactile populaires d'autres marques

IBASE Technology
IBASE Technology ASTUT-152-RE1S Manuel utilisateur

YASKAWA
YASKAWA TP 610C Manuel utilisateur

B&R
B&R Power Panel C Series Manuel utilisateur

Beijer Electronics
Beijer Electronics X2 control Manuel utilisateur

AXIOMTEK
AXIOMTEK GOT321W-521 Manuel utilisateur

TRIDONIC.ATCO
TRIDONIC.ATCO x-touchBOX Manuel utilisateur











