
797-32 CAPG BREAD SLICER
0797S20020CAPG 0-1
INDEX
Section Description Document No. Page No.
SAFETY INSTRUCTIONS --------------------------------------0797S20021 --------------------------- 1-1
DESCRIPTION/SPECIFICATIONS ---------------------------0797S20022----------------------------2-1
Description -------------------------------------------------------------------------------------------------- 2-1
Specifications----------------------------------------------------------------------------------------------- 2-1
INSTALLATION INSTRUCTIONS ---------------------------- 0797S20023 --------------------------- 3-1
Removing the Slicer from the Shipping Skid ------------------------------------------------------- 3-1
Installing Optional Casters ------------------------------------------------------------------------------ 3-2
OPERATING INSTRUCTIONS --------------------------------0797S20024 --------------------------- 4-1
Adjusting the Gravity Feed Slicer’s Holddown ----------------------------------------------------- 4-1
Adjusting the Slicer for Product Length --------------------------------------------------------------4-2
Adjusting the Outfeed Side Guides on a Standard Outfeed Table --------------------------- 4-2
Operating a Gravity Feed Slicer ----------------------------------------------------------------------- 4-3
Operating the Gravity Feed’s Last Loaf Pusher --------------------------------------------------- 4-4
TROUBLESHOOTING -------------------------------------------0797S20025CAPG--------------------5-1
Machine control sequence------------------------------------------------------------------------------ 5-1
The Slicer Will Not Start (Motor is Not Humming) ------------------------------------------------ 5-2
The Slicer Will Not Start (Motor is Humming) ------------------------------------------------------ 5-4
Bread Slices Vary in Thickness ------------------------------------------------------------------------5-4
The Blade Frames are Knocking ---------------------------------------------------------------------- 5-4
The Slicer Vibrates Excessively ----------------------------------------------------------------------- 5-4
The Bread is Cutting Slowly or is Being Damaged ----------------------------------------------- 5-5
MAINTENANCE --------------------------------------------------- 0797S20026 --------------------------- 6-1
Cleaning ----------------------------------------------------------------------------------------------------- 6-1
Lubrication -------------------------------------------------------------------------------------------------- 6-1
Removing the Blade Frames --------------------------------------------------------------------------- 6-2
Changing the Blades ------------------------------------------------------------------------------------- 6-6
Tightening the Belt ---------------------------------------------------------------------------------------- 6-8
Replacing the Belt --------------------------------------------------------------------------------------- 6-10
Adjusting the Blade Frames When Slices Vary in Thickness -------------------------------- 6-11
Adjusting the Clearance Between the Blade Frames ------------------------------------------ 6-12
RECOMMENDED SPARE PARTS -------------------------- 0797S20027CAPG------------------- 7-1
REPLACEMENT PARTS SECTION
MAIN FRAME & ROCKER ------------------------------------- 0797S20028CAPG--------------------8-1
Drawing -------------------------------------------------------------------------------------------------8-1
Parts List ----------------------------------------------------------------------------------------------- 8-2
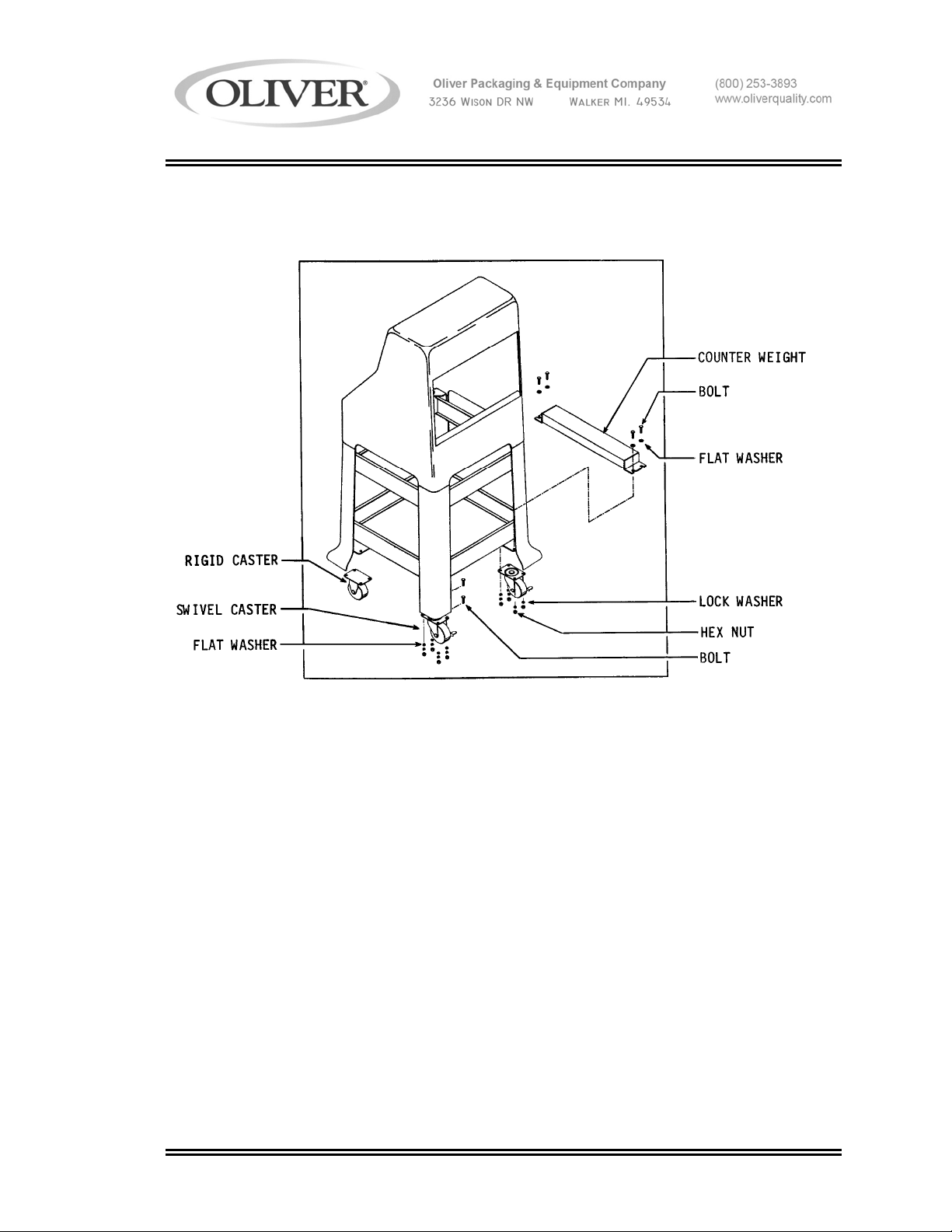
BASE & CASTER ------------------------------------------------- 0797S20029 --------------------------- 9-1
Drawing ------------------------------------------------------------------------------------------------ 9-1
Parts List ----------------------------------------------------------------------------------------------- 9-2
Continued