
Information subject to change without notice. For ordering information or regarding your local sales office visit www.numatics.com.
8
SentronicD
Installation
Manual
6 Field-Programmable Settings
Display/Pressure Readings
The actual outlet pressure is displayed during normal operation. See "Parameters/Display" section. Other displays:
Hnd indicates that the Manual mode has been selected.
SOF Internal error of pressure control. Replace valve or contact our Product Support.
Err Internal overflow.
AEr Autozero overflow. Contact our Product Support.
Push Buttons
To enter the Manual mode, press and hold both pushbuttons simultaneously during power up. "Hnd" appears in the
display.
Use the UP button to increase the outlet pressure and the DOWN button to decrease it. The actual outlet pressure is
displayed.
Quick presses on the buttons allow you to make slight changes in the pressure rating.
Longer presses allow you to make quick pressure changes.
Press both pushbuttons simultaneously to exit the manual mode.
Construction Installation
Directly operated valve Assembly position: any; for optimum performance vertically
with solenoid at the top.
Body: Aluminium Air: filtered at 50 µm, free of condensate
Internal parts: POM Connections: Hemp or Teflon tape must not be used.
Seals: NBR (nitrile), FPM (fluoroelastomer) Electrical connection: Select a wire section that will give a
voltage drop of less than 2 volts at 2A.
7.1 Fluid Characteristics
Fluids: Air or neutral gas, filtered at 50 µm, free of condensate, lubricated or not
Ports: 1/8-1/4-3/8 NPT or GTap, see section 3
Max. Inlet Pressure: see section 3
Temperature / Fluid: 32°F - 140°F (0ºC - 60ºC)
Temperature / Ambient: 32ºF - 122ºF (0°C - 50°C)
Hystersis: <1% of span
Linearity: <0.5% of span
Repeatability: <0.5% of span
Minimum Setpoint: 100mV (0.2 mA/4.2mA) with shut-off function
Minimum Outlet Pressure: <1% of span
7.2 Specifications
Nominal diameter
dn (mm)
Supply voltage
(stabilised)*
Max. Power
(W)
Max. Current
(mA)
Insulation
Class
Degree of
Protection
Flow
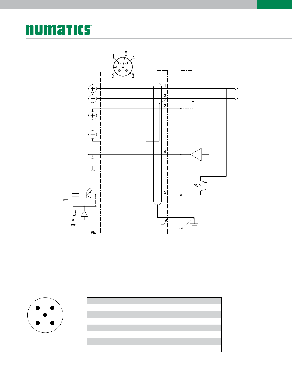
Electrical Connection
KvNm3/h l/min (SRA)
4 24 V = +15%/-10% 21 850 H IP 65 0.25 470 5-pin female M12
connector
8 24 V = +15%/-10% 40 1650 H IP 65 0.7 1300 5-pin female M12
connector
* Residual ripple: 10 %
Test conditions according to ISO 8778: temperature: 20 °C, relative inlet pressure: 6 bar, relative outlet pressure: 5 bar
Command signal: 0 ... 10 V (100 kOhm input resistance)
0 ... 20 mA / 4 ... 20 mA (250 Ohm input resistance)
Feedback output: 0 ... 10 V (max. 10 mA), short-circuit protected
0 ... 20 mA / 4 ... 20 mA (max. 24 VDC)
Digital output: pnp; open collector; max. 200 mA/4.8W, short-circuit protected
HIGH (24 VDC) if feedback=setpoint
LOW (open) if feedback≠setpoint
Overvoltage: Shut-off at a voltage level higher than 30 volts (+10%).
Low voltage: Shut-off at a voltage level lower than 19.5 volts (-10 %).
7. Technical Characteristics