
Evaporative Humidifier / Cooler Nortec MH Series
Is a sustainable solution for both humidifying and cooling. Nortec’s MH series is an evaporative humidifier based on the adiabatic
principle that results in air humidifying and cooling. Its innovative design is specifically engineered for Air Handing Units (AHU) or
ventilation duct systems and is a perfect compliment towards GREEN/LEED building design.
Model MHTC REflow Modulation
The circulation pump conveys the water in the latter via EPDM plastic hoses to the spray beam located above the humidifier box.
The water then trickles vertically through the boxes. The water not needed for humidifying flows back into the water basin where it
is collected and recirculated for optimal water efficiency. The low-energy Nortec MH Series is an ideal design for integration into a
central air conditioning system.
Nortec MH characteristics at a glance:
Humidifier media box made of polyester free of glass fibre with an impressed V-Profile for an efficient and healthy way
of humidifying and cooling
Simple and uncomplicated installation
Low installation and operational costs for short and long-term facility cost reductions
Short water basin depth made of stainless steel material with multi-sided gradients for effective drying of the
humidifier.
Water management integrated in the MH control system unit for optimising water consumption and humidity control
Operation for all water quality types: potable, softened, reverse osmosis (R/O) and fully-de-ionized (D/I) water
Adiabatic evaporation cooling of over 21.5° F (12°C) can be achieved
Ultra violet water treatment available
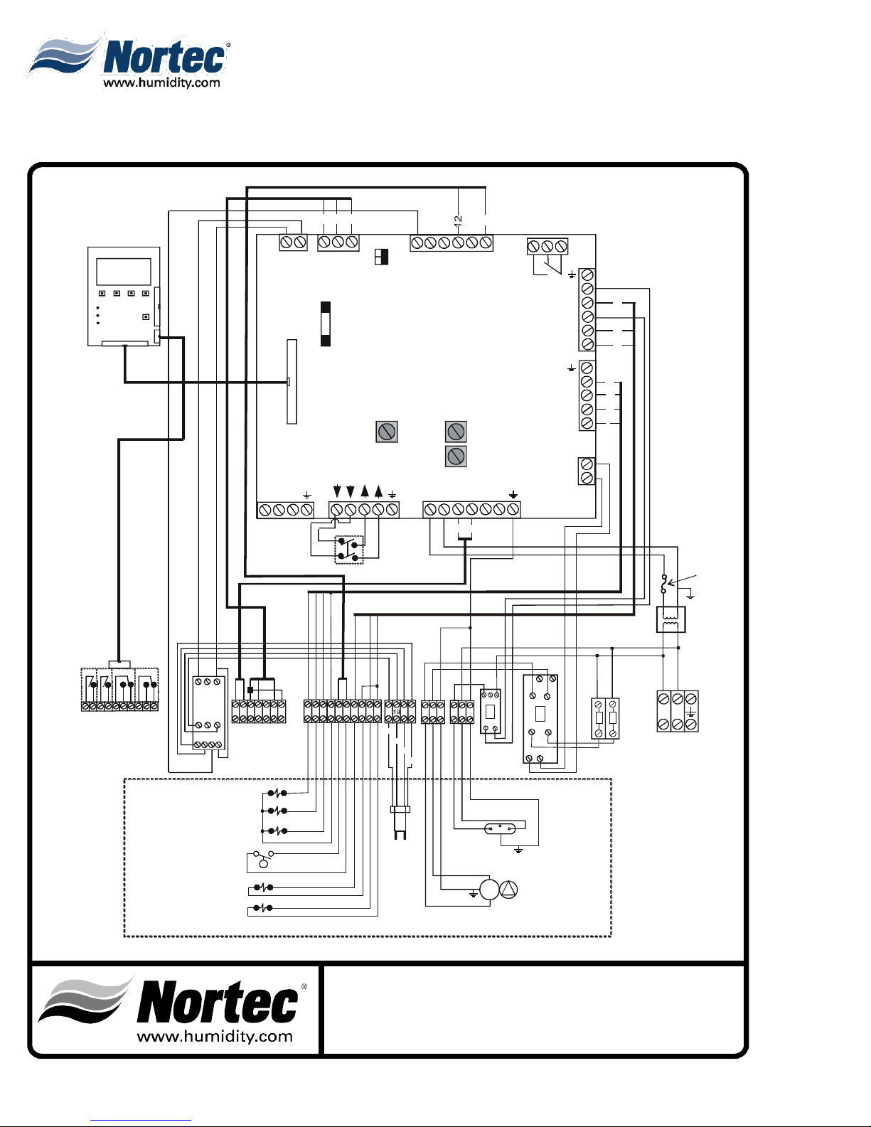
The electronic control is an integral part of the humidifier. It enables operation free of malfunctions and optimises control accuracy
and water consumption.
The short stainless steel water tank depth will reduce on the overall footprint, saving valuable air handling real estate. There are
lateral two guide tracks with suspension fixtures for the humidifier media boxes and mist eliminators to be easily installed.
Integrated water management system consists of water distributors with flow regulators for setting consistent water flow volumes,
a circulation pump, stainless steel water distribution hoods, electrical inlet valves, electrical step control valves and electronic
control for optimum water efficiency and humidity control.
Humidifying Media Box
The core element of the MH series is the patented polyester media box located in the air duct. Dry air flows through the box, water
flows over the hygroscopic media and the extremely large wet surface releases humidity to the air. This method enables air
humidifying or cooling with substantially limiting the use of electrical energy.
The V-Profile humidifier box consists of a polyester material with an impressed V-Profile, which enables a more intensive
exchange of air and water. The polyester box is free of glass fibre and is fire protected in compliance with UL 900 Class 1
certification. This not only makes it perfectly safe with regards to health, but also ensures a longer service life compared to the
rational cellulose or fibre glass media.
V-Profile Media Media Box