impedance high voltage meter. (SENSITIVE RESEARCH MODEL: ESH
or
Equivalent).
Connect
(
-
)to
chassis earth and (+)to the CRT anode button.
NOTE:
Make
sure to turnpower switch off before
making
the connection to the Anode
Button.
X
-
RADIATION
TUBE:
The
primary source ofX
-
radiation in this monitor is the picture tube.
The
tube utilized
in this chassis is specially constructed to limited X
-
radiation emissions. For continued X
-
radiation
protection, the replacement tube must be the same
type
as
the original, manufacturer approved
type.
When trouble shooting and making test measurements
in
a monitor with a problem of excessive
high voltage, avoid being unnecessary close tothe picture tube and the high voltage components.
Do not operate the chassis longer than is necessary to locate the cause of excessive voltage.
PRODUCT SAFETY
NOTICE
Many electrical and mechanical
parts
in
the color monitor units have special safety related
characteristics. These are often not evident from visual inspection nor can
the
protection
afforded by them necessarily be obtained by
using
replacement components rated for high
voltage, wattage, etc. Replacement parts that have these special safety characteristics are
identified in this Service Manual. Electrical components having such feature are identified
by
marking with
"!"
onthe schematics and onthe parts list in this Service Manual.
The
use
of
a
substitute replacement component which does not
have
same safety characteristics
as
the manufacturer recommended replacement one, shown in the parts list in this Service
Manual, may create shock, fire, X
-
radiation, or other hazards. Product Safety is continuously
under review and new instructions are issued from time to time. For the latest information,
always consult this Service Manual.
2.
INTRODUCTION
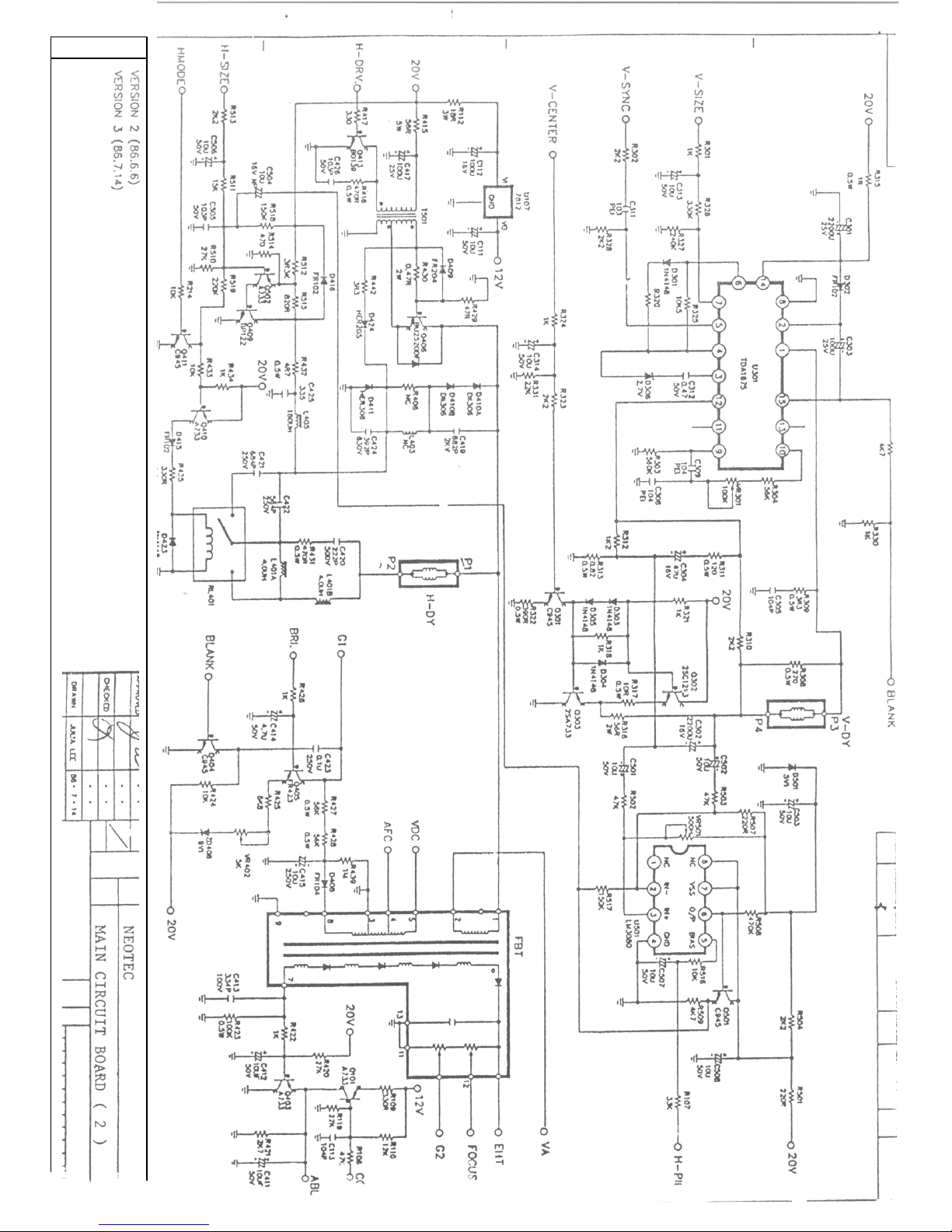
This service manual gives information about the NT
-
43
lHRfNT-1438/NT-I448/NT-931HR
NT-1938NT-1948 color display monitors. These color monitors
accept
TTL
and
ANALOG
inputs for
R.G.B.;
they feature stable convergence, easy maintenance and compact styling.
2