
Naval Electronics AB
Höjdrodergatan 18, SE-212 39 Malmö, Sweden
Tel. +46(0)40-29 20 45 Fax +46(0)40-18 74 13
All specifications stated are subject to change without notice
Since 1971, the objective of Naval Electronics has been to offer the
best possible products for TV and Radio reception at sea. Naval
began with omnidirectional antennas and is the world leader in this
field of technology today. Now, with an expanded product range, the
name Naval means much more than antennas. Naval operates in
more than 40 countries and has installations on thousands of vessels
all over the world.
0011
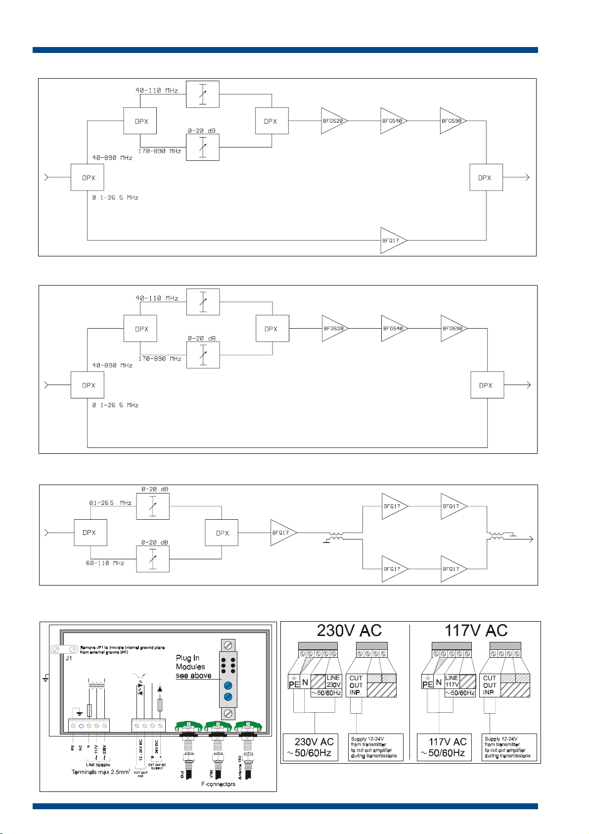
PSA 30V Power Supply and Amplifier
Technical manual
The PSA 30V modular power supply and amplifier is designed to supply power to the Mark
and VPA series active antennas as well as amplifying radio, TV and VTR signals with fitted
plug-in modules. Factory fitted plug-in modules are available in three versions for the PSA
30V in addition to the basic power supply.
The power supply accepts 24 V DC and 117/230 V AC. As with all other Naval products, the
PSA 30V series is specifically designed for the special requirements needed for world-wide
marine use. For more details on different applications see overleaf.
5010