
Sicherheitshinweise
Die Installation darf ausschließlich durch den autorisierten
Fachmann durchgeführt werden. Bei Montage und Anschluss
sind die einschlägigen Normen einzuhalten.
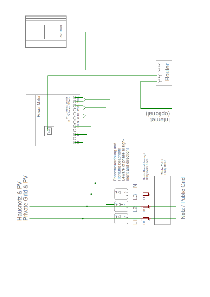
Die Klappstromwandler am Power Meter anschließen
und dann erst an der Leitung anbringen! Eine andere
Vorgehensweise könnte zur Induktion von gefährlichen
Spannungen in den Messleitungen führen und/oder die
Stromwandler beschädigen!
Bei der Montage der Klappstromwandler auf korrekte
Montagerichtung achten!
Bei Schäden, die durch Nichtbeachten der Anleitungen
verursacht werden, erlischt die Gewährleistung.
Siehe Betriebsanleitung Power Meter.
Inbetriebnahme und technische Daten
Siehe Betriebsanleitung Power Meter.
Entsorgung
Verpackungsmaterial entweder aufbewahren oder
ordnungsgemäß entsorgen. Entsorgen Sie das Produkt
am Ende seiner Lebensdauer gemäß den geltenden
gesetzlichen Bestimmungen.