
Model 11 – 3
Model 11 - Electronic Ice Bank Controls
(BLK)
(BRN)
(BLK)
(RED)
(BLUE)
(BLK)
(YEL)
(RED)
(L1)
USED ON MODELS
SS901120
SS901122
SS901139
ONLY
(RIBBED)
(213)
(L2 & N)
(132)
(SMOOTH)(211)
(293)
(BRN)
(215)
(130) (217)
(219)
(293)
(292)
(RIBBED)
(BRN)
(292)
(291)
(290)
(373)
(374)
(371)
(370)
(GRN)
(RED)
(BLK)
(GRN)
(RED)
(BLK)
SS901125 ONLY
(RED)
CARB
MOTOR A
CARB
SWITCH
SW2
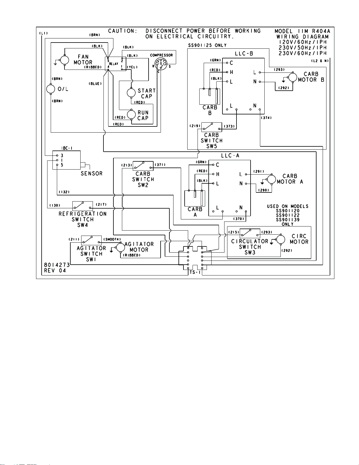
MODEL 11M R404A
WIRING DIAGRAM
120V/60Hz/1PH
230V/50Hz/1PH
230V/60Hz/1PH
8014273
REV 04
CAUTION: DISCONNECT POWER BEFORE WORKING
ON ELECTRICAL CIRCUITRY.
3
1
5
IBC-1
SENSOR
FAN
MOTOR
CIRC
MOTOR
START
CAP
RUN
CAP
R
C
S
COMPRESSOR
CARB
SWITCH
SW5
AGITATOR
SWITCH
SW1
REFRIGERATION
SWITCH
SW4
CIRCULATOR
SWITCH
SW3
AGITATOR
MOTOR
2
1
RELAY
5
4
TS-1
O/L
L
C
H
L
N
L
N
LLC-A
L
C
H
L
N
L
N
LLC-B
CARB
A
CARB
B
CARB
MOTOR B
Rev 12/09