
User's Manual
MS3716
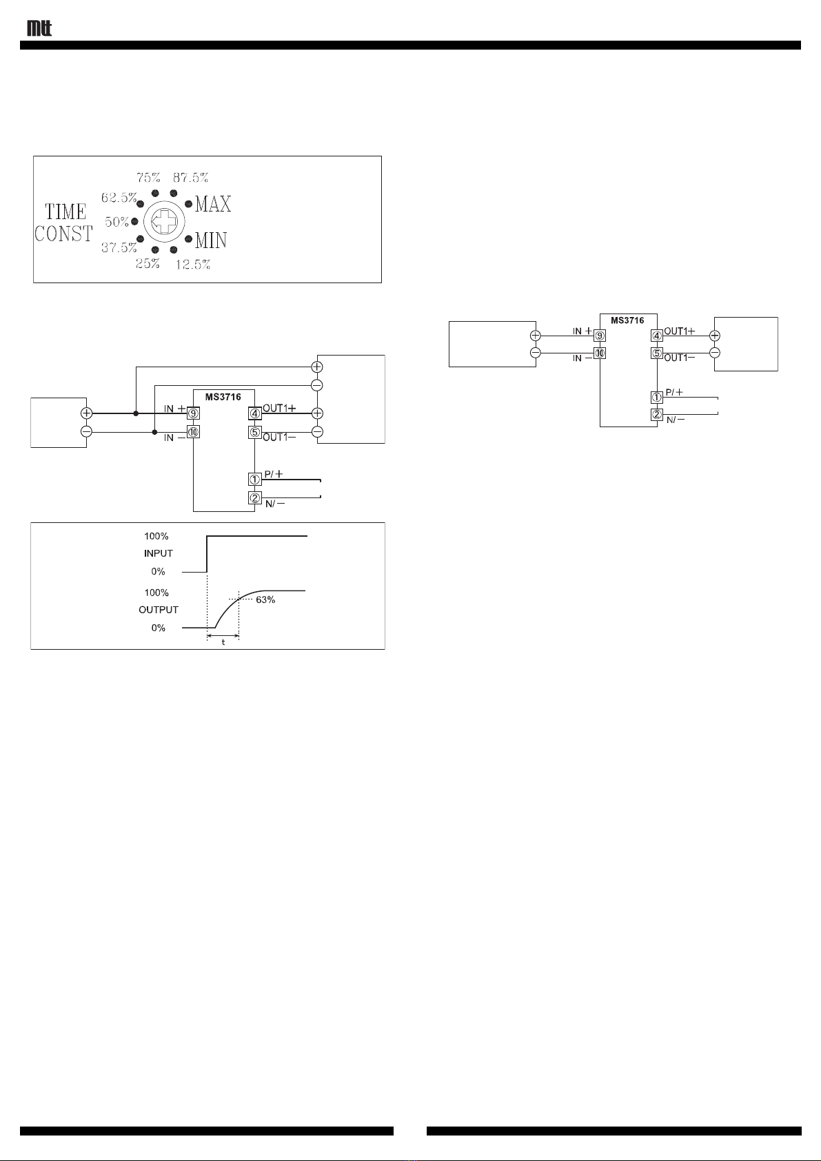
Slim Plug-In First-Order Delay Signal Conditioner with Isolated Single/Dual Output
DocumentNo:MQDDK-110801-10 Rev.1.40
AD Ichigaya Building 4F
2-5 Ichigaya-Honmuracho
Shinjuku-ku, Tokyo, 162-0845
Phone: +81 (0) 3-6280-8635
Thank you very much for employing MTT products.
Upon receipt of the product(s), please check the affixed label to
make sure that the specifications shown therein conform to your
requirements. If you find any discrepancies and/or any damage on
the product(s), please contact MTT or its local representatives.
You can be assured that all the MTT products are manufactured
according to the strict quality control standards.
1. Introduction
For proper operation of the instrument(s), we recommend that you
carefully read this manual prior to operation. The manual should be
retained for future reference. Please also refer to the relevant
product specification sheet.
2. For Safe Operation
Be sure to observe the following safety clauses in your operation of
the instrument(s). MTT cannot undertake any responsibility and
guarantee for any damage and/or loss caused by improper
operation contrary to or neglecting these clauses.
The following safety symbols are used on the instrument and in this
document:
Equipment protected throughout by double insulation or
reinforced insulation
Functional earth terminal (Do not use this as a protective
earth terminal.)
3. Precautions
Be sure to observe the following precautions to make the best use
of the instrument(s). If these precautions are disregarded, the
performance of the instrument(s) cannot be guaranteed.
For Handling:
This is a precision instrument. Do not drop or throw the
instrument.
This product contains electronic parts. Do not splash water on
the product and do not dip it in water. For installation, select a
place where no condensation occurs.
Avoid storing or installing the instrument in locations subject to
direct sunlight, high temperature, dust, high humidity or vibration.
On Power Supply:
Check the power rating on the specification label of the unit to
ensure you use the correct power supply.
Rating 100 to 240V AC, 50 to 60Hz, 6.0VA max.
(Input range: 85 to 264V AC, 47 to 63Hz)
Rating 24V DC, 1.8W max. (Input range: 24V DC±10%)
Rating 100 to 240V DC, 6.0W max. (Input range: 85 to 264V DC)
For Installation:
The instrument is intended for indoor installation.
Refer to section 9 “Mounting / Demounting” to install the unit on
a DIN rail or wall.
Operating environmental conditions:
- Temperature range: -5 to 55°C
- Humidity: 5 to 90% RH
- Altitude up to 2000 meters
Do not block the vents in the instrument.
Be careful not to ground the minus (−) terminal of the power
supply.
Use an independent grounding or alternative grounding which
does not allow current to flow in.
The instrument should be installed as shown in the sketch below,
namely, in such a position that the label on the front panel is
readable in the right direction.
For effective heat dissipation, allow a space of at least 100 mm
above and below the unit. When units are used in multiple
stacks, they should be spaced at least 130 mm apart from each
other. If the required minimum space is not available, take
appropriate heat protection measures by, e.g., placing a partition
between the units. Provide a ventilation hole or install a cooling
fan to improve airflow. Keep adequate working space in front of
and on both sides of the unit.
Disregard of this clause may cause fatal
harm or serious bodily injury due to fire or
electric shock.
Disregard of this clause may cause bodily
harm or damages to nearby objects due to
electric shock or other accidental
happenings.
All electrical connections must be made to the terminal block of
the socket. All connections and disconnections must be made
with no power applied to the instrument. Otherwise, electric
shock may result.
Do not disassemble or modify the instrument, and do not replace
the power fuse. Otherwise, fire or electric shock could result.
Do not allow any foreign matter (metal chips, water, liquid, etc.)
to get into the instrument. Should any foreign matter enter the
instrument, immediately unplug the power cable, and contact
MTT or its distributor.
When the instrument is used for applications that require higher
reliability and safety, such as transportation, communication,
power generation control and medical equipment, special
consideration should be taken in safety design to prevent such
equipment from malfunctioning as a whole system.
Do not operate the instrument in an explosive atmosphere
containing flammable vapors, gases or dusts. Otherwise, an
explosion may result.
Do not place any combustible materials in the vicinity of the
instrument.
Because no power switch is provided on the instrument, the
power supply of the instrument cannot be turned off on the
instrument side. So, be sure to provide a power circuit breaker
for the power source of the instrument. Note that the breaker
should be installed in a location close to the instrument for the
convenience of operation. And the breaker should be marked as
a “disconnecting device” for the instrument.
Use the instrument within the operating conditions described in
the published product specification. Failure to do so may cause
fire or damage to the instrument.
Avoid operating the instrument in locations where extreme
temperature changes can cause condensation. Otherwise, it
may be damaged and malfunction.
Avoid operating or storing the instrument in locations where
corrosive gases are present or chemical solvents may splash.
Hot-swapping may not cause immediate defects in the unit, but
this should be avoided as far as possible.
For the sake of safety, installation and wiring must be performed
by qualified personnel with expertise in electronics, electricity or
instrumentation engineering.
CAUTION
!
WARNING
!
WARNING
!
CAUTION
!