Modine Manufacturing VE Series Guide de démarrage rapide
Autres manuels Modine Manufacturing Chauffage

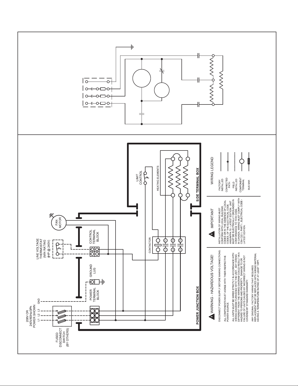
Modine Manufacturing
Modine Manufacturing AMP Manuel

Modine Manufacturing
Modine Manufacturing Heatcraft Document technique

Modine Manufacturing
Modine Manufacturing PTC Manuel

Modine Manufacturing
Modine Manufacturing MELMEL-24B1-120 Series Manuel

Modine Manufacturing
Modine Manufacturing POR Manuel

Modine Manufacturing
Modine Manufacturing HD Manuel utilisateur

Modine Manufacturing
Modine Manufacturing HCH Series Manuel

Modine Manufacturing
Modine Manufacturing PTS Manuel

Modine Manufacturing
Modine Manufacturing HEX5 Series Guide de démarrage rapide

Modine Manufacturing
Modine Manufacturing Heatcraft 5WS1406C24.00 Document technique

Modine Manufacturing
Modine Manufacturing IPT Series Manuel

Modine Manufacturing
Modine Manufacturing LM Manuel

Modine Manufacturing
Modine Manufacturing HD100 Manuel utilisateur

Modine Manufacturing
Modine Manufacturing HDB Manuel utilisateur

Modine Manufacturing
Modine Manufacturing PTX Manuel

Modine Manufacturing
Modine Manufacturing PAE 30 Manuel

Modine Manufacturing
Modine Manufacturing PV Series Manuel

Modine Manufacturing
Modine Manufacturing MT28 Manuel

Modine Manufacturing
Modine Manufacturing IPT Manuel

Modine Manufacturing
Modine Manufacturing PDE Manuel
Manuels Chauffage populaires d'autres marques

oventrop
oventrop Regucor Series Manuel utilisateur

Blaze King
Blaze King CLARITY CL2118.IPI.1 Manuel utilisateur

ELMEKO
ELMEKO ML 150 Manuel utilisateur

BN Thermic
BN Thermic 830T Manuel utilisateur

KING
KING K Series Mode d’emploi

Empire Comfort Systems
Empire Comfort Systems RH-50-5 Guide de démarrage rapide

Empire Heating Systems
Empire Heating Systems WCC65 Manuel utilisateur

Wetekom
Wetekom 92 86 43 Manuel utilisateur

Desa
Desa SPC170-F Manuel utilisateur

Watlow
Watlow Watrod Electric Tubular Heaters Manuel utilisateur

Haverland
Haverland ECO-DRY GPS Series Manuel de la liste des pièces

Stelpro
Stelpro ASILVC2060 Series Manuel utilisateur



















