
5
Service and Repair Manual
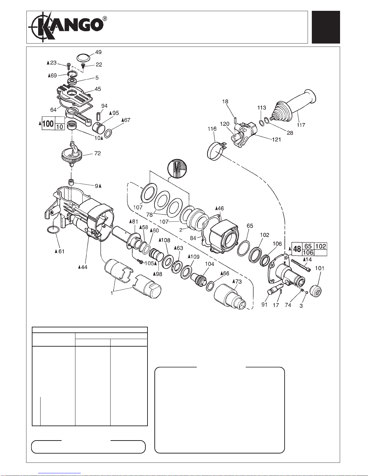
Model 800S
z
z
z
z
z
z
z
z
z
z
LUBRICATION NOTES: (TYPE "S2" GREASE, NO. 9170 4664 70)
Fill Piston #95 with grease and
assemble to Connecting Rod
#100 with Wrist Pin #94. Front
surface of Piston to be free of
grease.
Lubricate O-Ring
#67 with grease.
Place 1.5 oz. grease here.
Place a total of 1.0 oz. grease
in the barrel cavity in the crankcase #44.
Place .5 oz. in each corner in barrel
chamber.
Lightly grease
Spring #74
and bit lock #91.
Place 1.0 oz. grease in
lower cavity.
FRONT OF CRANKCASE
Place
1.5 oz.
grease in bottom
of crankcase prior to
installing crankshaft
assembly.
Dip Felt Washer #106 into light oil.
Press Oil Seal #102 and Felt
Washer into Nose #48 to dimension
shown using Nose Service Tool
9170 4668 50.
.75+/-.015
Lubricate O-Ring with grease.
Install O-Ring onto Ram.
Assemble Cap Seal onto Ram.
Resize Cap Seal and load
into Barrel (seal end first).
Ram should be located
flush with end of Barrel.
Seal to be installed with
garter spring to left as shown.
FIG. PART NO. DESCRIPTIONOFPART NO.REQ.
1 9170 4670 50 Grease Displacer (2)
2 9170 4670 60 Spindle Support (1)
3 9170 4661 10 1/4" Steel Ball (1)
5 9170 3254 90 Ball Bearing (1)
9 9170 3255 70 NeedleBearing (1)
10 9170 3255 20 NeedleBearing (1)
14 9170 4661 90 M6 x 1.0 x 70 Skt. Hd. Cap Scr. T-27 (4)
17 9170 4662 00 Cross Pin (1)
18 9170 3258 10 Dowel Pin (1)
22 9170 3254 60 8-32 x 3/8" Pan Hd. Slt. Taptite T-20 (1)
23 9170 3254 70 M4 x 0.7 x 14 Pan Hd. Slt. Taptite T-20 (4)
28 9170 3257 80 ExternalRetainingRing (1)
44 9170 4670 80 Crankcase (1)
45 9170 3254 40 Crankcase Cover (1)
46 9170 4662 30 IntermediateHousing (1)
48 9170 4662 50 Nose Assembly (1)
49 9170 3254 50 Cap-Cover (1)
58 9170 4662 90 Cap Seal (1)
60 9170 4664 40 O-Ring (1)
61 9170 3255 80 O-Ring (1)
63 9170 3261 00 Rubber Damping Washer (1)
64 9170 3255 00 Seal-Cover (1)
65 9170 4664 60 O-Ring (1)
66 9170 3255 50 O-Ring (1)
67 9170 4665 50 O-Ring (1)
69 9170 3254 80 RetainingRing-Beveled (1)
72 9170 3255 60 Crankshaft Assembly (1)
73 9170 4668 60 Spindle (1)
74 9170 4666 80 Bit Lock Spring (1)
78 9170 3260 20 Belleville Spring (2)
81 9170 4667 40 Barrel (1)
84 9170 3261 40 Gasket (1)
91 9170 4667 50 Bit Lock (1)
94 9170 4661 60 Wrist Pin (1)
95 9170 4667 60 Piston (1)
98 9170 4667 70 Ram (1)
100 9170 3255 10 Connecting Rod Assembly (1)
101 9170 4667 80 Dust Seal-Hex (5/pkg.) (1)
102 9170 4663 00 OilSeal (1)
104 9170 4668 00 Striker (1)
105 9170 4668 10 DG50 x 16mm Torx Pan Head Screw (2)
106 9170 4664 20 Felt Seal (1)
107 9170 3260 10 Thrust Washer (2)
108 9170 3261 10 Barrel Thrust Washer (1)
109 9170 3260 90 Striker Cushion Washer (1)
113 9170 3257 90 Wave Washer (1)
115 9170 4651 60 Hex Head Bolt-Special (1)
116 9170 4668 20 Side Handle Band (1)
117 9170 3257 70 Side Handle Assembly (1)
120 9170 3258 20 Band Retainer (1)
121 9170 4668 40 Side Handle Housing (1)
9170 4668 50 Nose Service Tool
Service Carrying Case
No. 9170 4667 20