Middle Atlantic Products USC-6R Manuel utilisateur

I-00004 Rev K
USC-6R
Universal Sequencing Controller
For MPR Modular Power System
Instruction Sheet
Thank you for purchasing the Universal Sequencing Controller For MPR Modular Power
System.
FRONT VIEW
PRODUCT FEATURES
THANK YOU
- Provides six-step sequencing to remote switchable modules via 12 volt DC and/or dry contact
switch closure
- Adjustable start delay times
- Adjustable sequence intervals
- Up to three units may be daisy-chained together for a total of 18 steps of sequencing
- Requires momentary contact closure (single pole, double throw, center off)
ON
MASTER
OFF
REAR VIEW
Start Delay Switch Settings
USC-6R
Middle Atlantic Products
120V 12A 60Hz
0 - Single Unit
1 - 1st Unit of 3
2 - 2nd Unit of #
3 - 3rd Unit of 3
Common
Remote
Down
Up
Start Delay
0-1-2-3
USC Remote
Switch Only
1
12VDC
2
12VDC
OUTPUTS
3
12VDC
4
12VDC
5
12VDC
6
12VDC
1.5A 125V

IMPORTANT NOTES
Page 2
DANGER HAZARDOUS VOLTAGE/DANGER HAUTE
TENSION
The lightning flash with the arrowhead symbol, within an
equilateral triangle is intended to alert the user to the
presence of uninsulated dangerous voltage within the
product’s enclosure that may be of sufficient magnitude to
constitute a risk of electric shock to persons.
L'éclair avec le symbole de flèche dans un triangle
équilatéral est destiné à alerter l'utilisateur de la présence
d'une tension dangereuse non isolée dans l'enceinte du
produit qui peut être d'une ampleur suffisante pour constituer
un risque de choc électrique pour les personnes.
CAUTION/ATTENTION
The exclamation point within an equilateral triangle is
intended to alert the user to the presence of important
operating and maintenance (servicing) instructions in the
literature accompanying the appliance.
Le point d'exclamation dans un triangle équilatéral est
destiné à alerter l'utilisateur de la présence d'importants
instructions d’opération et de maintenance (entretien) dans la
documentation accompagnant l'appareil.
READ AND SAVE THESE INSTRUCTIONS!
CONSERVER CES INSTRUCTIONS!
• Contains switched receptacle(s). To reduce risk of shock , disconnect the
device from the power source before servicing any connected
equipment
Contient de(s) receptacle(s) commuté(s). Pour réduire les risques
d'électrocution, débranchez l'appareil de la source d'alimentation
avant l'entretien de tout équipement connecté
• Do not overload the wall outlet where this device is being connected. Do not
overload this device. Ensure the total load to this device does not exceed that
which is listed in the specifications section of this manual
Ne surchargez pas le réceptacle de mur ou le circuit qui fournit l'énergie à ce
appareil. Ne pas surcharger cette appareil. S'assurer que la charge totale à cet
appareil ne dépasse pas celle qui est répertoriée dans la section des
spécifictions de ce manuel
• Ensure this device is connected to a properly grounded AC power source.
Ensure the device is plugged into a source providing the required 120V. Do not
use a plug adapter that defeats the ground pin of the AC plug
Assurez-vous cet appareil est connecté à une source d'alimentation C/A avec
mise à la terre. Assurez-vous cet appareil est branché sur une source
d’alimentation fournissant les nécessaires 120V. Ne pas utiliser un adaptateur
qui contrecarre la broche de terre de la prise du cordon d’alimentation
• There are no user-serviceable components within this device. Removal of the
cover from this device may present a shock hazard, and void the warranty
Il n'ya pas de composants réparables par l'utilisateur au sein de cet appareil.
Retrait de la couverture de cet appareil peut présenter un danger
d'électrocution et annuler la garantie
• To be used indoors in a dry location only
Pour être utilisé en intérieur dans un endroit sec seulement
• Do not operate with a damaged cord or plug
Ne pas faire fonctionner avec un cordon ou une prise endommagée
• Clean only with dry cloth
Nettoyer avec un chiffon sec seulement
NOTE: The MAINS plug or an appliance coupler is used as the disconnect device, the disconnect device shall
remain readily operable. The socket-outlet shall be installed near the equipment and shall be easily accessible.
IMPORTANT SAFETY INSTRUCTIONS
The product meets the requirements of the following standards:
• UL 60065, 7th Ed,
• CAN/CSA-C22.2 No. 60065, R2012
• UL/CSA 60950-1, 2nd Ed
• UL 1419, 3rd Ed
REGULATORY COMPLIANCE

Page 3
CONNECTIONS, CONTROLS AND INDICATORS
A. The Master Power Switch Circuit Breaker (with indicator light): Switches power from the line cord to the rest of the unit and additionally provides overload
protection (rated at 15 Amps at 120 VAC). Also provides “power on” indication via the illuminated switch actuator. Master Switch is enhanced by a switch guard to
prevent accidental power switching.
B. The System Switch (single pole, double throw, center off, momentary): Initiates system start for system sequence up and down. When the master switch
(described above) is on, depressing the top of the system switch initiates the power up sequence. Outputs will activate in ascending order from one to six. The sequence
interval delay and start delay are determined by the “delay adjust” settings (described later). Depressing the bottom of the system switch initiates the power down
sequence. Outputs will deactivate in descending order from six to one. The “delay adjust” settings also function in the “sequence down” mode.
C. Remote Control Terminal Block: This terminal block (located on the rear of the unit) is wired parallel to the system switch. This provides remote control of the system
switch functions. This terminal block has three positions: system up, common, system down. A separately provided switch (single pole, double throw, center off) may be
connected to this terminal block and installed in a remote location (providing a secondary control location). If multiple sequencers are used, the remote control switch may
be connected to the terminal block on any sequencer in the system. This is not limited to one remote location. Several remote switches can be installed if multiple
control locations are required. It is recommended that a “momentary” switch be used, since a control switch left in either the up or down position would “lock out” all
other switches installed on the system, including the system switch on the unit. However, this may have an
advantage if the installation requires a “lock out” function at a specific location. A key type switch (USC-KL, USC-K)
can be installed for added security. Standard telephone cable may be used for the connection
of the remote control switch(s) (500’ max with 22-gauge wire). Longer distances can be achieved by increasing
the wire gauge. The voltage on the remote control circuits is 5 VDC (class 2 wiring).
Another function of the remote control terminal block is to provide a connection point to allow “daisy chaining” of up to three sequencers together. They function
as three separate controllers, controlled by a single actuation of any system switch, or they can be programmed to act as a single 18 channel controller (three units with
six channels each). This programming function is described later, see “delay adjust switches”.
D. Status Indicators: Six yellow LED indicators are provided to allow visual monitoring of the outputs. As each output is activated, the corresponding channel LED
illuminates (one to six), thus allowing the operator to monitor the status of the sequence operation. Conversely, the LEDs will turn off sequentially (six to one)
during the “sequence down” operation.
E. Delay Adjust Switches: There are two delay adjust switches on the unit: Interval Delay (between sequence steps) and Start Delay (both up and down system start).
1. (Interval) Delay Adjust Switch: Three position switch providing a one, three and six second delay between sequence steps. The switch actuator is a slide type, and is
located on the front of the unit. The delay is common to all channels (one through six).
2. Start Delay Switch: Mounted on the rear of the unit. This switch is a four position slide switch (switch positions 0-1-2-3) providing a delay on both “system up” and
“system down” operation. This allows the interconnection of up to three, six channel sequencers to operate as a single 18 channel unit; by delaying the start of
sequencer #2 until sequencer #1 has completed it’s sequence function, then subsequently initiating the start of sequencer #3. At the same time, individual units
are selectively programmed to initiate the “sequence down” function in reverse order. (i.e. unit #3 will begin sequence down first,then unit #2, then unit #1,
“first on – last off”). Switch position #0 is for single sequencer (no start delay, up or down).
The sequencing functions are controlled by elapsed time, not by a “trigger pulse”, therefore, sequence interval and start delay time settings provide great latitude when
interconnecting (“daisy chaining”) up to three units together. This “elapsed time” programming method eliminates many of the problems experienced when a “trigger”
pulse is sent from one sequencer to the next. The start delay is directly proportional to the interval delay, (the longer the interval delay, the longer the start delay).
When “daisy chaining” two or three sequencers together, it is important to set the interval delay the same on all units to provide proper synchronization.
HINT: To ensure a good, longer lasting
connection when connecting wires to a
screw-type terminal block, do not twist or
tin(solder) the conductors on stranded wires.
Start Delay Switch Settings
USC-6R
Middle Atlantic Products
120V 12A 60Hz
0 - Single Unit
1 - 1st Unit of 3
2 - 2nd Unit of #
3 - 3rd Unit of 3
Common
Remote
DownUp
Start Delay
0-1-2-3
USC Remote
Switch Only
1
12VDC
2
12VDC
OUTPUTS
3
12VDC
4
12VDC
5
12VDC
6
12VDC
1.5A 125V
BE1
F
A
C
E2
I
H
GJ
UNIVERSAL SEQUENCING CONTROLLER
SEQUENCE
SYSTEM
ON
OFF
POWER
ON
OFF
SEC.
1-3-6
DELAY ADJUST 123456
STATUS
POWER
D
FRONT
REAR

Page 4
CONNECTIONS, CONTROLS AND INDICATORS (Continued)
F. Green LED “Ready” Indicator: This LED, located on the front panel, will be illuminated when the master power switch is turned on. When a start delay function is
selected via the “start delay switch”, this light will blink indicating that the unit has received a command to initiate a sequence up or down. The LED will blink for
the duration of the selected start delay time (from the time sequence is initiated to the time first channel output is energized). This LED also serves as a DC power
supply fuse indicator.
Each output has three connection options:
• 12 VDC output (individual channel terminal block).
• Contact closure (individual channel terminal block).
• 12 VDC output (all channels and (+) and (-) constant). Terminated in a RJ-45 jack.
Each channel has a plugable terminal block output, consisting of four terminal positions. Terminals (1) and (2) provide a dry switch closure and terminals (3) and (4)
provide 12 VDC output. These outputs activate simultaneously and can be used at the same time (i.e. one output can be used for control and `the other can be used
to monitor sequence status). These outputs are electrically isolated from each other via a double pole electro-mechanical relay. Maximum total load on the external
12 VDC section is 750mA. Maximum current capacity on each switch closure is 5 Amps.
I. RJ-45 Jack Output: This output is connected in parallel to the 12 VDC output on the individual channel terminal blocks. It provides a convenient connection point for
utilization devices or status monitor indicators. Positions 1 - 6 output +12 VDC corresponding to sequence channels 1 through 6, position 7 is –12 VDC (common),
and position 8 is a +12 VDC, parallel to the green “LED ready indicator” circuit, which is photo-optically isolated from the internal 12 VDC supply. This jack can be used
in addition to, or instead of the individual channel terminal blocks, however, care should be taken not to exceed the load restriction of 1.5 Amps total.
This jack may also be connected to USC-KL remote wallplate key switch or USC-SWL remote wallplate switch.
J. Supplemental grounding and bonding stud.
G. Power Supply Fuses: In addition to the master switch/circuit breaker, the DC power supplies are protected by two fuses. One located internally, which DC protects
internal components, and one located on the rear panel (1.5A MAX) which protects output circuitry. An overload on the external customer provided wiring will
have no effect on the internal voltage power supply or its associated fuse.
Fuse Warning: For continued protection against risk of fire, replace only with same type and rating of fuse.
Avertissement Fusible: Pour ne pas compromettre la protection contre les risques d'incendie, remplacer par un fusible de même type et de memes caractéristiques
nominales
H. Plugable Terminal Block Outputs: The control outputs, located on the rear of the unit, are provided via “plugable” terminal blocks, which allow for pre-wiring prior
to installation of the controller. This feature allows fast and simple controller installation and reduces risk of potential damage due to premature controller
installation. Additionally, if controller replacement is necessary, it can be replaced without rewiring of control circuits, just “plug and play”.
Warning: Do not connect 12V outputs to RLM Modules. Use Dry Contacts Only.

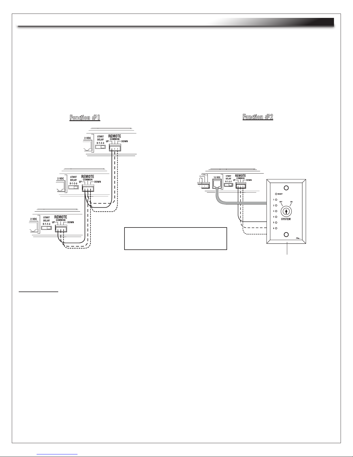
The remote terminal block on the rear of the USC-6R has two functions:
1. Enables the interconnection of up to three USC-6R’s to function as a single 18 step unit. Allows up to three USC-6R sequencer to operate under control of the
system switch on any sequencer in the group (dependent on delay start switch settings).
2. Allows the connection of a customer provided remote control switch.
Note: The above described functions (1 and 2), may be used simultaneously.
For remote control use.
USC-KL, USC-K, USC-SWL, USC-SW
or optional customer provided
single pole, double throw center
off, momentary switch
Function #1 Function #2
: To ensure a good, longer lasting connection when
connecting wires to a screw-type terminal block, do not
twist or tin (solder) the conductors on stranded wires
Status
Indicator
USC-KL
Page 5
USC-KL: This is a key switch and LED status indicator panel. It is designed to be installed in a single gang electrical box. The key switch terminates in a 3 position terminal block,
and the LED status indicators terminate in a RJ-45 jack. The LED status mimics the LED indicators on the front panel. This unit is optional and must be purchased separately.
USC-K: This key switch panel is designed to be installed in a single gang electrical box. The key switch terminates in a 3 position terminal block. This unit is optional and must be
purchased separately.
USC-SWL: This is a switch and LED status indicator panel. It is designed to be installed in a single gang electrical box. The switch terminates in a 3 position terminal block, and
the LED status indicators terminate in a RJ-45 jack. The LED status mimics the LED indicators on the front panel. This unit is optional and must be purchased separately.
USC-SW: This switch panel is designed to be installed in a single gang electrical box. The switch terminates in a 3 position terminal block. This unit is optional and must be
purchased separately.
Function #2
HINT
USC-6R REMOTE CONTROL TERMINAL BLOCK CONNECTIONS

Page 6
WARRANTY
Middle Atlantic Products (the "Company") warrants the USC-6R Universal Sequencing Controller For MPR Modular Power System to be
free from defects in material or workmanship under normal use and conditions for a period of (3) years from the date of shipment by the
company.
The Company's entire liability to the purchaser, and the purchaser's (or any other party's) sole and exclusive remedy, under this warranty
shall be limited, at the Company's option, to either (a) return of and refund of the price paid for, or (b) repair or replacement at the
Company's factory of the products purchased, or any part or parts thereof, which the Company has determined to be defective after
inspection thereof at the Company's factory.
This warranty does not cover damage due to acts of God, accident, misuse, abuse or negligence by parties other than the Company, or
any modification or alteration of the products. In addition, this warranty does not cover damage due to improper handling, assembly,
installation or maintenance.
THIS WARRANTY IS IN LIEU OF ALL OTHER WARRANTIES OF ANY KIND, EITHER EXPRESSED OR IMPLIED, INCLUDING, BUT
NOT LIMITED TO, IMPLIED WARRANTIES OF MERCHANTABILITY AND FITNESS FOR A PARTICULAR PURPOSE.
TO THE MAXIMUM EXTENT PERMITTED BY APPLICABLE LAW, IN NO EVENT SHALL THE COMPANY BE LIABLE FOR ANY
SPECIAL, INCIDENTAL, INDIRECT, OR CONSEQUENTIAL DAMAGES WHATSOEVER (INCLUDING, WITHOUT LIMITATION,
DAMAGES FOR LOSS OF BUSINESS PROFITS, BUSINESS INTERRUPTION OR ANY OTHER PECUNIARY LOSS) ARISING OUT OF
THE USE OF THE PRODUCTS PURCHASED, EVEN IF THE COMPANY HAS BEEN ADVISED OF THE POSSIBILITY OF SUCH
DAMAGES. THE COMPANY'S LIABILITY TO THE PURCHASER (OR ANY OTHER PARTY) HEREUNDER, IF ANY, SHALL IN NO
EVENT EXCEED THE PURCHASE PRICE OF THE PRODUCTS PAID TO THE COMPANY.
Corporate Headquarters
Corporate Voice 973-839-1011 - Fax 973-839-1976 / International Voice +1 973-839-8821 - Fax +1 973-839-4982
Middle Atlantic Canada
Voice 613-836-2501 - Fax 613-836-2690 / middleatlantic.ca - [email protected]
Factory Distribution
USA: NJ - CA - IL Canada: ON - BC
At Middle Atlantic Products we are always listening. Your comments are welcome.
Middle Atlantic Products is an ISO 9001 and ISO 14001 Registered Company.
Table des matières
Autres manuels Middle Atlantic Products Contrôleurs




















