►►1. SAFETY INSTRUCTIONS
3
AL
E RËNDËSISHME !!! Ju lutemi të njiheni hollësisht me
përmbajtjen e këtij udhëzimi para vënies në punë, riparimit
ose pastrimit të paisjes. Përdorimi i gabuar i ngrohëses së
ajrit mund të shkaktojë plagosje të rënda, diegie, zënie
korrenti ose zjarre.
1. Udhëzimi mbi masat e sigurisë.
Kjo paisje është parashikuar të përdoret në mjedise të mbyllura si psh.
magazina, dyqane, shtëpi.. Paisja është në përputhje me direktivën:
2006/95/EC, 2004/108/EC si dhe normat e harmonizuara EN60335-1,
EN 60335-2-30.
KUJDES! Paisja nuk duhet të vendoset në vijë të drejtë
poshtë prizave elektrike të instaluara në mur. Të mos preken
elementet e brendshme të paisjes.
Kjo pajisje nuk duhet përdorur nga personat (mes këtyre edhe fëmijët) me aftësi fizike,
psiqike ose ndijimore të kufizuara, ose nga personat që nuk kanë pervojë ose dijeni për
pajisjen, përveç rasteve kur kjo bëhet nën mbikëqyrje ose në pajtim me udhëzuesin e
përdorimit të pajisjes, të dorëzuar nga personat që përgjigjen për sigurinë e tyre.
Duhet pasur kujdes që fëmijët të mos luajnë me pajisjen.
•
-
Paisja nuk duhet të mbulohet kur është në përdorim pasi
mund të shkaktojë nxehje jashtë mase.
•Paisja të mos përdoret pranë vendeve me lagështi si psh. depozita uji,
vaska, dushe ose pishina. Kontakti me ujin mund të shkatojë masë
elektrike ose zënie korrenti.
•Paisja duhet të mbahet larg materialeve të djegshme. Largësia
minimale e sigurisë është 0,5 m. Moszbatimi i kësaj largësie mund të
shkaktojë zjarr.
•Paisja nuk duhet përdorur në mjedise me shumë pluhur si dhe në
vendet ku ndodhen benzinë, tretësa kimikë, bojëra ose materiale të tjera
avulluese që digjen lehtë. Në mjedise të tilla përdorimi i paisjes mund të
shkatojë shpërthim.
•Ngrohësja nuk duhet përdorur pranë perdeve ose tekstileve të tjera
me qëllim shmangien e marrjes flakë të tyre.
•Duhet treguar kujdes i veçantë në rastet kur fëmijët ose kafshët
shtëpiake ndodhen në afërsi të paisjes në gjendje pune.
•Paisja duhet ushqyer me rrymë elektrike sipas parametrave të
përshkruar në tabelën bashkangjitur asaj.
•Për vënien në punë të paisjes duet përdorur vetëm kabëll elektrik me
tokëzim për të shmangur rrezikun e zënieśnga korrenti në rast defekti.
•Pasja nuk duhet fikur duke e hequr nga priza. Paisja duhet të ftohet
me ventilatorin e vet.
•Kur nuk është në gjendje pune paisja duhet të hiqet nga priza për të
shmangur dëmtimet e mundshme.
•Para heqjes së karkasës duhet të sigurohemi plotësisht që paisja nuk
është në prizë. Elementet e brendshëm mund të jenë nën tension.
2. Shpaketimi dhe transporti.
•Pas hapjes së paketimit duhet nxjerrë jashtë paisja dhe elemntët e
përdorur për sigurimin e saj gjatë transportit.
•Në rast se paisja duket e dëmtuar duhet njoftuar menjëherë për këtë
shitësi ku u ble paisja.
•Paisja duhet të kapet në vendet e shënuara me nr 1, fig. 1,2,3 faqja 2
•Paisja duhet të transportohet në paketimin origjinal bashkë me
elementët e sigurisë.
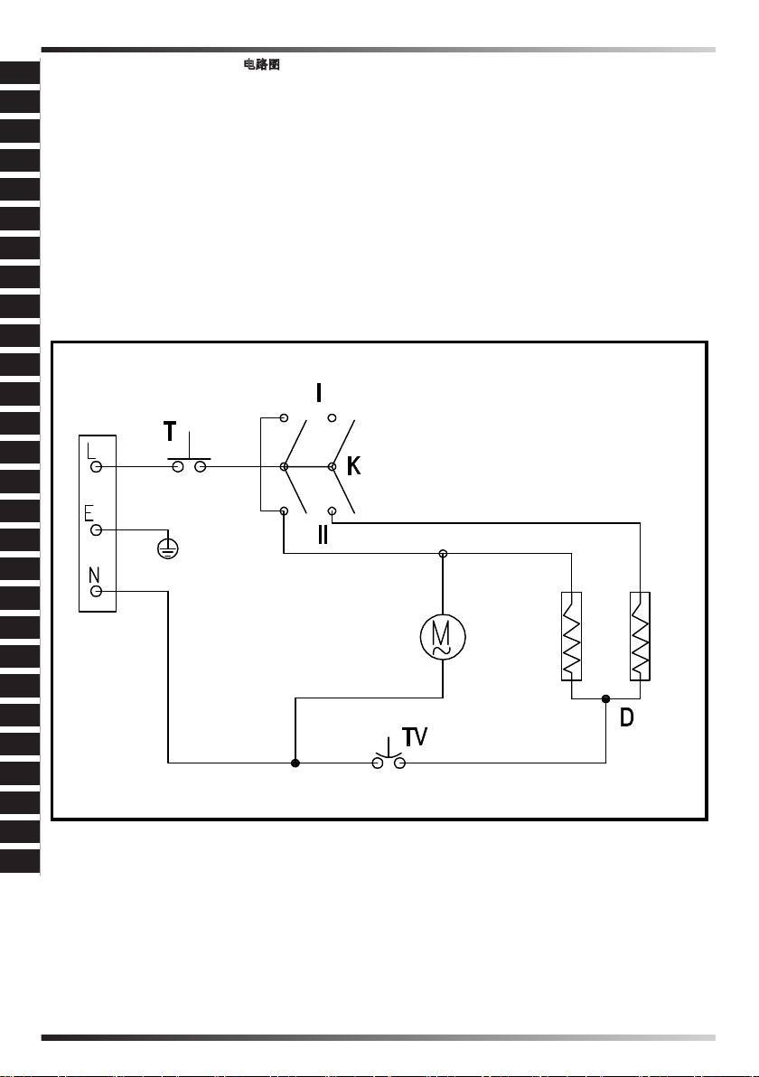
3. Përshkrimi i elementeve të paisjes
Shiko figurat 1-2-3 në faqen 2
1) Vendi i kapjes 8) Grila e mbrapme
2) Termostati 9) Kablli elektrik
3) Grila e përparme 10) Bazamenti
4) Elementi ngrohës 11) Ventilatori
5) Karkasa 12) Motorri
6) Çelësi 13) Spina
7) Venkalimi i kabllit
4. Vënia në punë e paisjes
KUJDES !!! Ju lutemi të lexoni me vëmendje udhëzimin e
sigurisë para vënies në punë të paisjes, gjë që do tju mundësojë
përdorimin në menyrë të rregullt te paisjes.
Duhet të siguroheni që kablli elektrik nuk është i dëmtuar. Nëse
kablloja furnizuese e pashkëputshme do të dëmtohet, duhet
zëvendësuar tek prodhuesi ose në një punishte specialistike të
riparimit ose nga personi i kualifikuar që të evitohet rreziku. Duhet të
siguroheni gjithashtu që parametrat elektrikë të burimit të rrymës
perkojnë me te dhënat teknike të udhëzimit ose me te dhënat që
përmban tabela bashkangjitur paisjes.
Paisja duhet të vendoset në pozicion vertiakl. Duhet kontrolluar që
çelesi të jetë ne pozicionin ,,0’’ fig. 4. Paisja duhet të lidhet me
burimin e rrymës. Çelësi duhet të rrotullohet çdo 5 sek. në
popzicionet e mëposhtme :
•Vetëm ventilatori – fig.5
•Ngrohje e shkallës së parë – fig.6
•Ngrohje e shkallës së dytë – fig. 7
5) Fiki i pajisjes
Për të fikur pajisjen, duhet të rregulloni stakuesit në pozitën ‘’0’’.
Kur fik ngrohje, tifozi mund të punojë ende per 3 minuta.
6) Puna me telin e shpërndarjes se ajrit të nxehtë
Pajisja është edhe përshtatur për të punuar me telin që shpërndar ajrin
e nxehtë 100°C. Në prizë duhet të bashkangjit telin Ø 305 që
shpërndar ajrin e nxehtë me gjatesinë maksimale 15m. Kur teli është
bashkangjitur duhet të siguroni nëse teli është i kalueshëm dhe nëse
nuk është përkulur sepse atëherë mund të vështirësojë ose
parandalojë rrjedhjen e ajrit.
7. Çelësi automatik ,,RESET’’ (9 EPB)
Për të rritur nivelin e sigurisë paisja përmban nje çelës termik
automatik i cili ndërpret automatikisht rrymën për elementët ngrohës
kur kapërcehet temperatura maksimale e sigurisë. Në rast të veprimit
të ketij çelësi paisja duhet të lihet të ftohet dhe më pas të kërkohet
shkaku i tejnxehjes. Më pas duhet shtupur çelësi ,,RESET’’ me
ndihmën e një sendi të imët (fig. 8) me qëllim çbllokimin e çelësit.
Në rast se paisja nuk mund të vihet përsëri në punë duhet kontaktuar
me shitesin ose servisin e autorizuar.
8. Ruajtja e përkohshme
Kur paisja nuk përdoret për një kohë të gjatë, para depozitimit duhet
pastruar duke komprimuar në të ajër. Paisja duhet ruajtur në vend të
thatë dhe te pastër. Para përdorimit të ardhshëm duhet kontrolluar
kablli në se është i dëmtuar. Në rast pasigurie ju lutemi të kontaktoni
me shitesin ose servisin e autorizuar.
9. Kontrolli periodik
Të paktën një herë në vit paisja duhet çuar në servis për kontroll
teknik. Çdolloj kontrolli ose riparimi duhet kryer vetëm nga
personeli i trainuar dhe autorizuar prej prodhuesit.
10. ZGJIDHJA E PROBLEMEVE
LLOJI I DEFEKTIT SHKAKU ZGJIDHJA
Punon motorri por paisja nuk ngroh Çelësi termik i sigurisë është në veprim
Difekt i termostatit
Difekt i përcjellësit
Difekt i elementit ngrohës
Shtypja e çelësit ,,RESET’’ pas ftohjes
Ndërrimi i termostatit
Ndërrimi i përcjellësit ( modeli me 400 V)
Ndërrimi i elemntit ngrohës
Motorri nuk punon por rezistencat ngrohin Difekt i motorrit
Ventilatori i bllokuar
Difekt i çelësit të fikjes
Ndërrimi i motorrit
Çbllokimi / pastrimi i ventilatorit
Ndërrimi i çelësit të fikjes
E gjithë paisja nuk punon Shkeputje në qarkun elektrik
Difekt i çelësit të fikjes
Kontroll i lidhjes me burimin e rrymës
Ndërrimi i çelësit të fikjes
Qarkullim i dobët i ajrit Papastërti në kanalin e ajrit
Difekt i motorrit
Pastrim i kanalit
Ndërrimi i motorrit
ting. The appliance may get overheated.
1... SAFETY INSTRUCTIONS
2... UNPACKING AND TRANSPORT
3... DESCRIPTION OF INDIVIDUAL COMPONENTS
4... SWITCHING ON
5... SWITCHING OFF
6... TEMPERATURE CONTROL
7... OUT-OF-SEASON STORAGE
8... FUNCTIONAL INSPECTION
9... TROUBLESHOOTING