
INSTALLATION
EN / WHISPER 3,5 / October 2004 3
1 INSTALLATION
To ensure reliability and durability of the equipment, it is
very important that the installation is carried out with the
utmost care and attention. To avoid problems, such as
temperature problems, noise levels, vibration, etc. the
instructions set out in this manual must be followed and all
installation work must be carried out professionally.
1.1 LOCATION
Since Whisper generating sets have extremely compact
dimensions, they can be installed in tight locations. Please
consider that even almost maintenance-free machinery
must still remain accessible.
When selecting the location area in which to mount the
generating set, make sure there is sufficient room to carry
out any maintenance work. The unit must be easily
accessible on the service side and on the distribution side
to have access to the raw water pump and oil strainer.
Please also note that in spite of the automatic oil pressure
sensor it is still essential that the oil level is checked
regularly.
1.2 INSTRUCTIONS FOR OPTIMAL SOUND
AND VIBRATION INSULATION
Position the generating set as low as possible in the
vessel. As the generating set is already secured to the
base frame by means of flexible engine mountings, the
frame can be mounted directly to the vessel’s main
structure.
1.2.1 Steel base plate
However to keep resonant vibrations at a minimum, it is
recommended to mount the generating set on a solid steel
base plate, approx. 30 mm weighing approx. 44 kg or 50%
of the weight of the generating set. The engine draws its
inlet combustion air through several holes in the capsule
base. Therefore the capsule must be fitted with sufficient
clearance between the capsule underside and the base
plate. A steel base plate is available from Mastervolt as an
optional accessory (ref. fig. 12, page 15).
Further recommendations
Whisper generating sets are standard equipped with a
"GRP" (Glass Reinforced Plastic) sound cover. The
canopy has been designed to give effective sound
insulation. For optimum sound and vibration dampening,
the following factors should be considered.
1 Avoid mounting the generating set in close proximity
to thin walls or floors that may cause resonance.
2 Sound dampening is extremely poor if the generating
set is mounted on a light weight flimsy surface such
as plywood which will only amplify vibrations. If
mounting on a thinner surface cannot be avoided, this
should at least be reinforced with stiffening struts or
ribbing. If possible, holes should be bored or cut
through the surface to help reduce the resonance.
Covering the surrounding walls and floors with a
heavy coating plus foam will certainly improve the
situation.
3 Never connect the base of the generating set directly
to bulkheads or tanks.
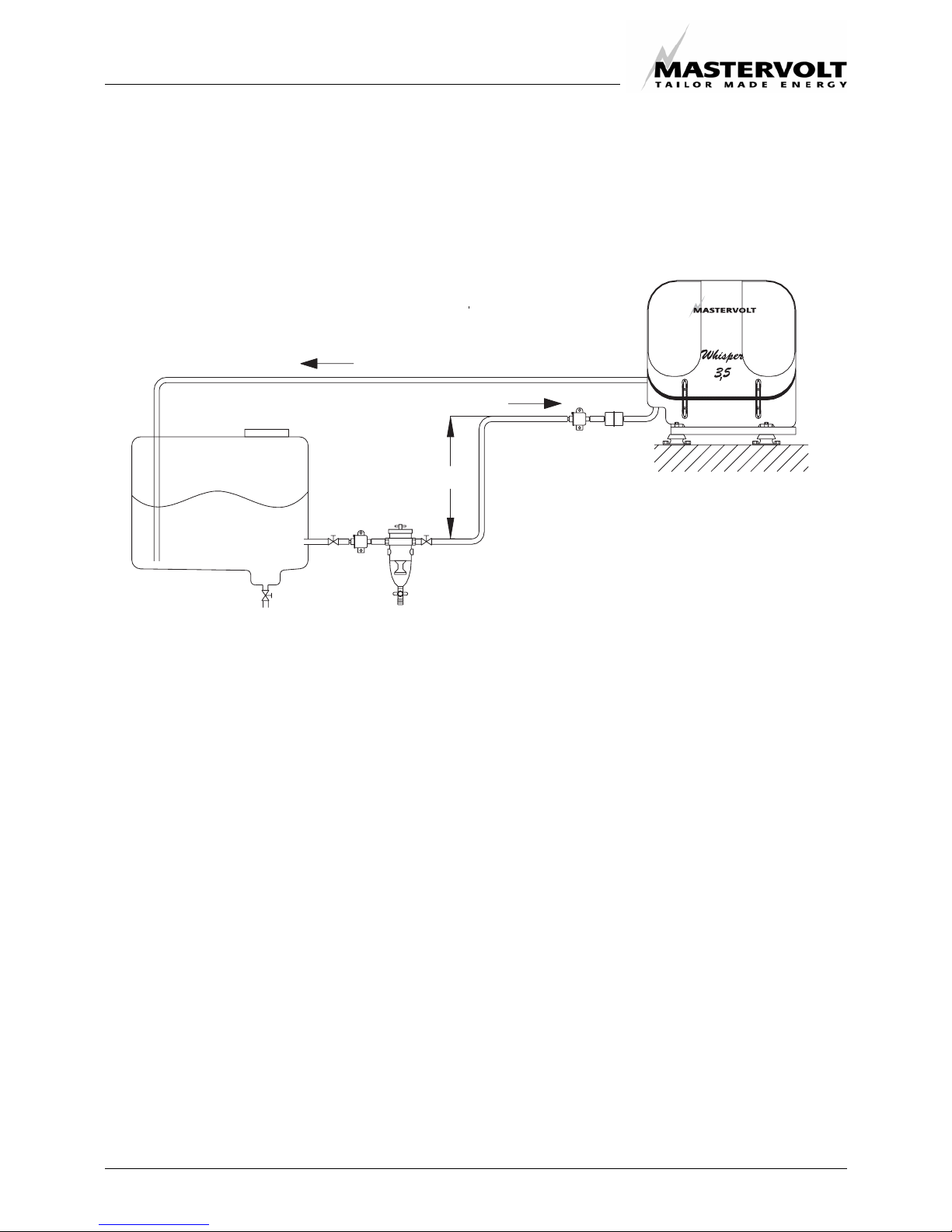
1.3 VENTILATION
The generating set normally draws air from the engine
room. Engine rooms with natural ventilation must have
vent openings of adequate size and location to enable the
generating set to operate without overheating. To allow an
ample supply of air within the temperature limits of the
generating set an opening of at least 100 cm2 is required.
A "sealed" engine compartment must have a good
extraction ventilator to maintain reasonable engine room
temperatures. High temperature of intake air reduces
engine performance and increases engine coolant
temperatures. Air temperatures above 40°C reduce the
engine power by 2% for each 5°C of rise. To minimise
these effects the engine room temperature must not be
more than 15ºC above the outside ambient air
temperature.
Apply a combination of ventilators, blowers and air intake
ducting to meet the temperature limit. The air inlet ducts
should run to the bottom of the engine room to clear fumes
from the bilge and to circulate fresh air. Air outlets should
be at the top of the engine room to remove the hottest air.
An engine room blower should be used as an extraction
ventilator to remove air from the engine room.
In cases where it is impossible to meet the above
mentioned temperature limit by using machine room
ventilation, connections are to be made for an air inlet
directly to the enclosure. With these connections the
generating set can be directly connected to an air duct.