2
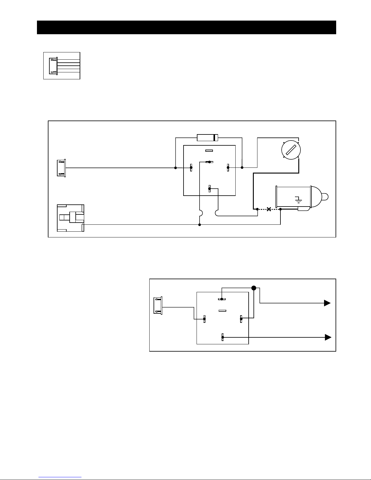
Windshield Receiver/Antenna
• The combination windshield receiver/antenna mounts on the windshield (inside).
• We suggest you mount it on the lower left-hand side of the windshield.
Warning! Do not mount in such a manner that it obstructs the driver’s view.
• The receiver/antenna whip can be vertical or horizontal.
• Remove the protective tape backing.
• Carefully align the receiver/antenna and apply to windshield.
• Route the black connecting cable behind the trim and connect to receiver/antenna.
• Connect the other end to the control module.
Dual-Zone Shock Sensor
Select a mounting location within the passenger's compartment or trunk. Do not mount in the engine compartment or
in any location were it will get wet, greasy or will be subject to heat, direct or indirect. To achieve the best overall level
of protection, select a mounting location that is centrally located in the vehicle. It will be necessary for the shock
sensor to be somewhat accessible to make the correct sensitivity adjustment. The mounting surface should be as flat
as possible for best sensitivity. The sensor can be mounted in any position as long as it is solidly mounted.
Valet Switch
Select a mounting location for the switch that is easily accessible to the driver of the vehicle. The switch does
not have to be concealed, however, concealing the switch is always recommended, as this provides an even
high level of security to the vehicle. Mount the valet switch in a hidden but accessible location. Route the valet
switch wires to the control module.
LED Status Indicator
The LED indicator status should be mounted in a highly visible area. Leave at least 6mm of space behind the
mounting location for LED housing. Once a suitable location is chosen, drill a 1/4" hole. Run the LED wires
through the hole then press the 2 pin LED housing into the place. route the LED wires to the control module.
Installer Warnings!
This remote starter with alarm system is designed to be installed on fuel injected vehicles with an automatic
transmission ONLY.
• Never install this remote starter on a manual transmission vehicle.
• This system must be installed and wired through a safety switch it will not start in any forward or reverse gear.
• Some automatic transmission vehicle (mainly older GM vehicles with a purple starter wire) have a mechanical-
type park safety switch instead of electrical safety switch. The mechanical type does not interrupt the starter
circuit when the transmission is any gear and does not offer the 100% level of safety required for remote
starting purposes. Therefore, our system should never be installed on any vehicle that uses a mechanical type
park safety switch.
• Once you install this system, you must verify that the vehicle will not start any forward or reverse gear.
Regardless of the type of vehicle.
• Read operation manual for operating and programming routine.
• Do not install any component near the brake, gas pedal or steering linkage.
• Some vehicles have a factory installed transponder immobilizer system that can severely complicate the
installation. There is possibility that this system can not be installed on some immobilizer equipped vehicles.
• Most vehicles have an SRS air bag system. Use extreme care and do not probe any wires of the SRS system.
• Disconnect the car battery before connecting work on the vehicle.
• Use conventional crimp lock, bullet on any wiring. Poor wiring, i.e. taped joints will possibly introduce
unreliability into the alarm system and may result in false alarms or incorrect operation.
• Install wiring neatly under carpets or behind trim to prevent possible damage to wires.
• For the wires that operate at currents more than 10A, we suggest soldering all connection points. Do not use
crimp lock type connectors or wire nuts.
Installation
M7A-IM 6/22/06 4:53 PM Page 2