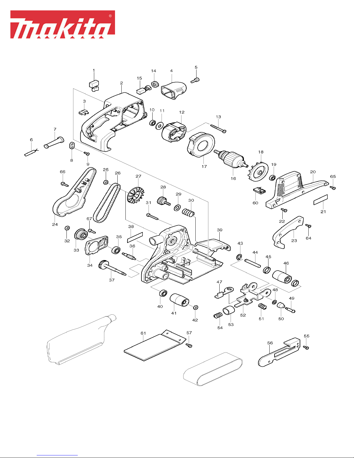
Fig # Part ID Part Name Quantity
1 651284-9 SWITCH, 9920 1
2 151743-8 MOTOR HOUSING CPL., 9903 1
3 654532-5 TERMINAL BLOCK, 9523NB 1
4 417049-7 FRONT GRIP, 9903 1
5 266173-1 T. SCREW FLANGE PT5X3,9015B 1
6 660023-6 N/A 1
7 682503-2 CORD GUARD 8-90, 9005B 1
8 687063-9 STRAIN RELIEF, 4323K 1
9 265995-6 TAPPING SCREW 4X18, 4323K 2
10 211088-7 BALL BEARING 6000DDW, 9005B 1
11 681649-1 INSULATION WASHER, 9921 1
12 523401-0 FIELD ASS'Y, 9903 1
13 266056-5 T. SCREW FLANGE PT5X45,9046 2
14 643750-0 BRUSH HOLDER CAP, HM1100C 2
15 191963-2 CARBON BRUSH CB-303 SET, 9227C 1
16 513336-3 ARMATURE ASS'Y 115V, 9903 1
17 417050-2 BAFFLE PLATE, 9903 1
18 240026-2 FAN 75, 9903 1
19 210023-2 BALL BEARING 627DDW, 9910 1
20 417048-9 MOTOR COVER,9404 1
21 819001-5 MAKITA LABEL, 9015A 1
22 265995-6 TAPPING SCREW 4X18, 4323K 4
23 417051-0 HANDLE COVER, 9903 1
24 417052-8 BELT COVER, 9903 1
25 252153-3 HEX NUT M6-10, 9910 1
26 225084-9 SYNCHRO BELT 6-330, 9903 1
27 241663-5 FAN 76, 9903 1
28 251815-0 SCREW M6X25, 9900B 1
29 253707-9 F. WASHER 16, 6802BV 1
30 231225-7 COMP. SPRING 16, 9900B 1
31 266050-7 P.T. SCREW 4X30, 4304 5
32 931402-8 HEX NUT M8, 5037NB 1
33 222156-1 PULLEY 9.5-46.0, 9903 1
34 317273-1 GEAR COVER, 9903 1
35 211092-6 B. BEARING 629DDW, BO4530 1
35 211092-6 B. BEARING 629DDW, BO4530 1
35 210078-7 BALL BEARING, 2107F 1
36 226520-8 HELICAL GEAR 10, 9903 1
37 151755-1 HELICAL GEAR 39 CPL., 9903 1
38 852053-3 NAME PLATE, 9920 1
39 151747-0 FRAME COMPLETE, 9920 1
40 211088-7 BALL BEARING 6000DDW, 9005B 1
41 162217-4 DRIVING ROLLER, 9903 1
42 252154-1 HEX NUT M8-13, 9910 1
43 961052-5 RETAINING RING S-12, 9218PBL 1
44 323931-9 TENSION ROLLER SHAFT, 9903 1
45 253922-5 CUP WASHER 12, 9900B 2
46 151753-5 TENSION ROLLER CPL., 9903 1
47 344823-9 LEVER, 9903 1
48 267731-6 CUP WASHER, 9910 1
49 265059-6 SHOULDER SCREW M4, 9910 1
50 416417-1 ROLLER, 9910 1
51 233249-9 COMPRESSION SPRING 7, 9903 1
52 151744-6 TENSION ROLLER ARM CPL., 9903 1
53 267746-3 CUP WASHER 17, 9903 1
54 233250-4 COMPRESSION SPRING 12, 9903 1
55 266034-5 TAPPING SCREW 4X16, 9524NB 2
56 344822-1 SAFETY COVER,9404 1
57 911116-5 P.H. SCREW M4X12, 4301BV 2
60 631379-4 CONTROLLER, 9903 1