
Macurco CD-6B Manual (Rev-1.0) Eng
REV – 1.0 [34-2900-0510-2 ] 2 |Page
1 General Safety Information...................................................................................................................................... 4
1.1 List of warnings................................................................................................................................................. 4
2 Use Instructions and Limitations .............................................................................................................................. 4
2.1 Use For.............................................................................................................................................................. 5
2.2 Do NOT use for ................................................................................................................................................. 5
2.3 Features............................................................................................................................................................ 6
2.4 Specifications.................................................................................................................................................... 6
3 Installation and Operating Instructions.................................................................................................................... 7
3.1 Location ............................................................................................................................................................ 7
3.2 Installation........................................................................................................................................................ 7
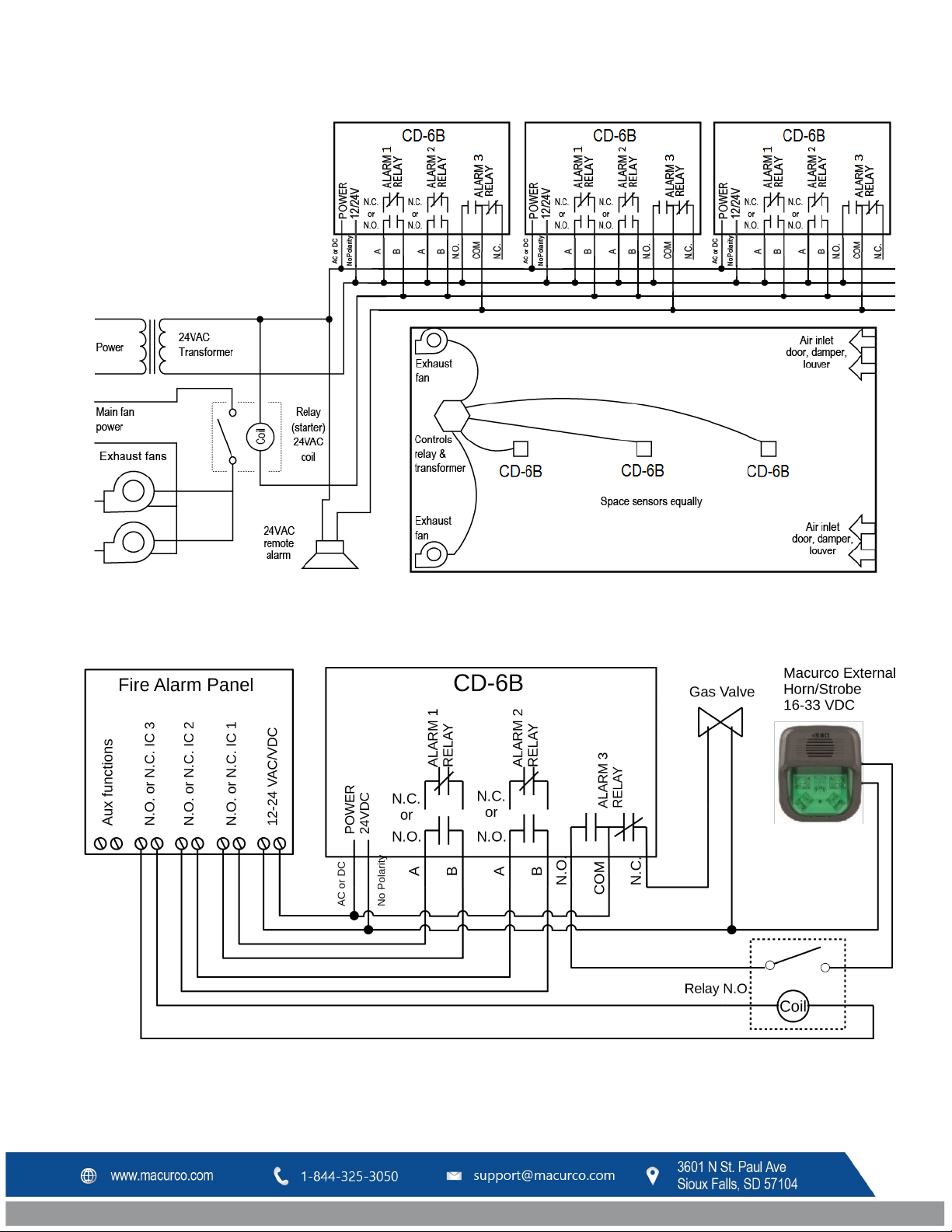
3.3 Wiring Connections ........................................................................................................................................ 11
3.3.1 Power Connection .................................................................................................................................. 11
3.3.2 Alarm 1 Relay Connection ...................................................................................................................... 11
3.3.3 Alarm 2 Relay Connection ......................................................................................................................12
3.3.4 Alarm 3 Relay Connection ...................................................................................................................... 12
3.3.5 Install the Wiring .................................................................................................................................... 12
4 Operations..............................................................................................................................................................12
4.1 Power up.........................................................................................................................................................12
4.2 Awareness Alarm............................................................................................................................................ 12
4.3 Alarm 1 Relay.................................................................................................................................................. 13
4.4 Alarm 2 Relay.................................................................................................................................................. 13
4.5 Alarm 3 Relay.................................................................................................................................................. 13
4.6 Alarm Behavior...............................................................................................................................................13
4.6.1 Alarm Priority.......................................................................................................................................... 13
4.6.2 Display turned “On”................................................................................................................................13
4.6.3 Display turned “Off” ............................................................................................................................... 14
4.7 Relay Latching.................................................................................................................................................14
4.8 Default – Factory Settings ..............................................................................................................................15
4.8.1 Select Default Configuration – “dEF” ..................................................................................................... 16
4.8.2 Select Power-Up Test Setting – “PUt” .................................................................................................... 16
4.8.3 Select Display Configuration – “dSP”...................................................................................................... 17
4.8.4 Select Buzzer Configuration – “bUZ”......................................................................................................17
4.8.5 Select Alarm 1 Relay Setting – “A1S”...................................................................................................... 17
4.8.6 Select Alarm 1 Relay Config – “A1c”....................................................................................................... 18
4.8.7 Select Alarm 1 Relay Latching – “A1L”....................................................................................................18
4.8.8 Select Alarm 1 tWa – “A1t” .................................................................................................................... 18
4.8.9 Select Alarm 2 Relay Setting – “A2S”...................................................................................................... 19
4.8.10 Select Alarm 2 Relay Configuration – “A2c”...........................................................................................19
4.8.11 Select Alarm 2 Relay Latching – “A2L”....................................................................................................19
4.8.12 Select Alarm 3 Relay Setting – “A3S”...................................................................................................... 20
4.8.13 Select Alarm 3 Relay Latching – “A3L”....................................................................................................20
4.8.14 Select Trouble Fan Setting – “tFS”.......................................................................................................... 20
4.8.15 Select Automatic Background Calibration – “Abc”.................................................................................21
4.8.16 Calibration Period – “CAL”...................................................................................................................... 21