
LT -3060 LED Power Repeater 第2
,Foreword,
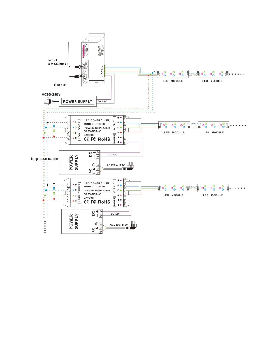
Thanks for choosing our LT-3060 LED Power Repeater. Before installation
and usage, we strongly recommend you to read through this manual
carefully.
,After-sales service,
From the day you purchase our products within a year, if being used
properly in accordance with the instruction, and quality problems occur, we
provide free repair or replacement services except the following cases:
1. Any defects caused by wrong operations.
2. Any damages caused by unauthorized removal, maintenance,
modifying circuit, incorrect connections and replacing chips.
3. Any damages due to transportation, vibration etc after the purchase.
4. Any damages caused by earthquake, fire, lightning strike, pollution
and abnormal voltage.
5. Any damages caused by negligence, inappropriate storing at high
temperature and humidity environment or near harmful chemicals.
6. Product has been updated.
,Safe warnings,
1. Please don’t install this controller in lightening, intense
magnetic and high-voltage fields.
2. To reduce the risk of component damage and fire
caused by short circuit, make sure correct connection
3. Always be sure to mount this unit in an area that
will allow proper ventilation to ensure a fitting temperature.
4. Check if the voltage and power adapter suit the controller & if anode or
cathode definition is the same as the controller’s.
5. Don’t connect cables with power on, make sure a correct connection
and no short circuit checked with instrument before power on.
6. Please don’t open controller cover and operate if problems occur.
For update information, kindly please consult with your supplie