
GENERAL INFORMATION
Translation of the original instructions
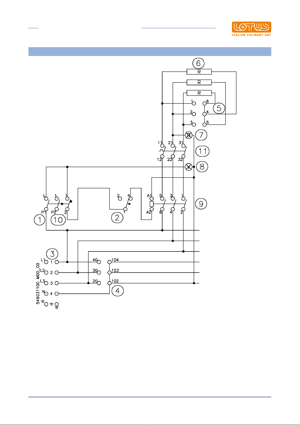
9
2 GENERAL INFORMATION
2.1 Declaration of compliance
The manufacturer declares that the appliances comply with the requirements of the regulation GAR
2016/426 for the gas part and directive 2014/30/EU,2014/35/EU for the electrical part. Installation must be
performed in compliance with current regulations, especially with regard to ventilation of the premises and
the exhaust gas evacuation system.
·Read the warnings in this manual carefully. They provide important information about safe installation,
use and maintenance.
·The instruction manual must be kept for the entire duration of the equipment and made available to users
for every possible consultation. The manual should be consulted for any information concerning
installation, use and maintenance of the appliance.
·After removing the packaging, check the integrity of the equipment.
·All packaging materials (plastic bags, polystyrene, staples, etc.) must be disposed of in compliance with
current regulations.
·Before connecting the appliance, make sure that the information on the data plate matches the electricity
and gas mains where the appliance is installed. The manufacturer accepts no liability if the
equipment is not connected in accordance with current regulations.
·Always keep all parts of the equipment clean to avoid the risk of oxidation/rust and/or aggression by
chemical agents.
·The equipment must only be used by personnel trained for the purpose.
·The installation must be implemented by professionally qualified personnel in accordance with
the manufacturer's instructions and current reference standards.
·The electrical safety of this equipment is only ensured when it is correctly connected to an effective
ground/earth system as required by current electrical safety standards. The manufacturer cannot be held
liable for any damage caused if the system is not connected to ground/earth.
·Before carrying out any cleaning or maintenance tasks on the equipment, unplug it from the electricity
mains. In the event of faults or malfunctions, always deactivate the appliance.
·Repair work of any kind must only be performed by qualified personnel.
·This appliance must only be used for its expressly intended purpose for cooking or heating food. Any
other use is considered improper.
·The appliance is intended for professional use and must be used by trained personnel.
·The installation and possible transformation to another power supply voltage (if envisaged), or
transformation for operation with another type of gas, must be implemented exclusively by qualified and
authorised professional personnel.
·Before using the appliance, carefully clean all surfaces intended to come into contact with food.
·The manufacturer declines any and all liability for any direct or indirect damage resulting from improper
use of the equipment. The manufacturer declines any and all liability for damage caused by incorrect
installation, tampering, poor maintenance and unskilled use. Moreover, the manufacturer declines any
liability for possible inaccuracies that may be contained in this booklet attributable to errors in
transcription or printing and equally reserves the right to make any changes to the product it deems
useful and/or necessary without compromising its essential characteristics.
·The manufacturer cannot be held liable for any damage caused by failure to comply with these
basic standards and all other use and maintenance standards contained in this booklet.