
4
dc1613af
DEMO MANUAL DC1613A
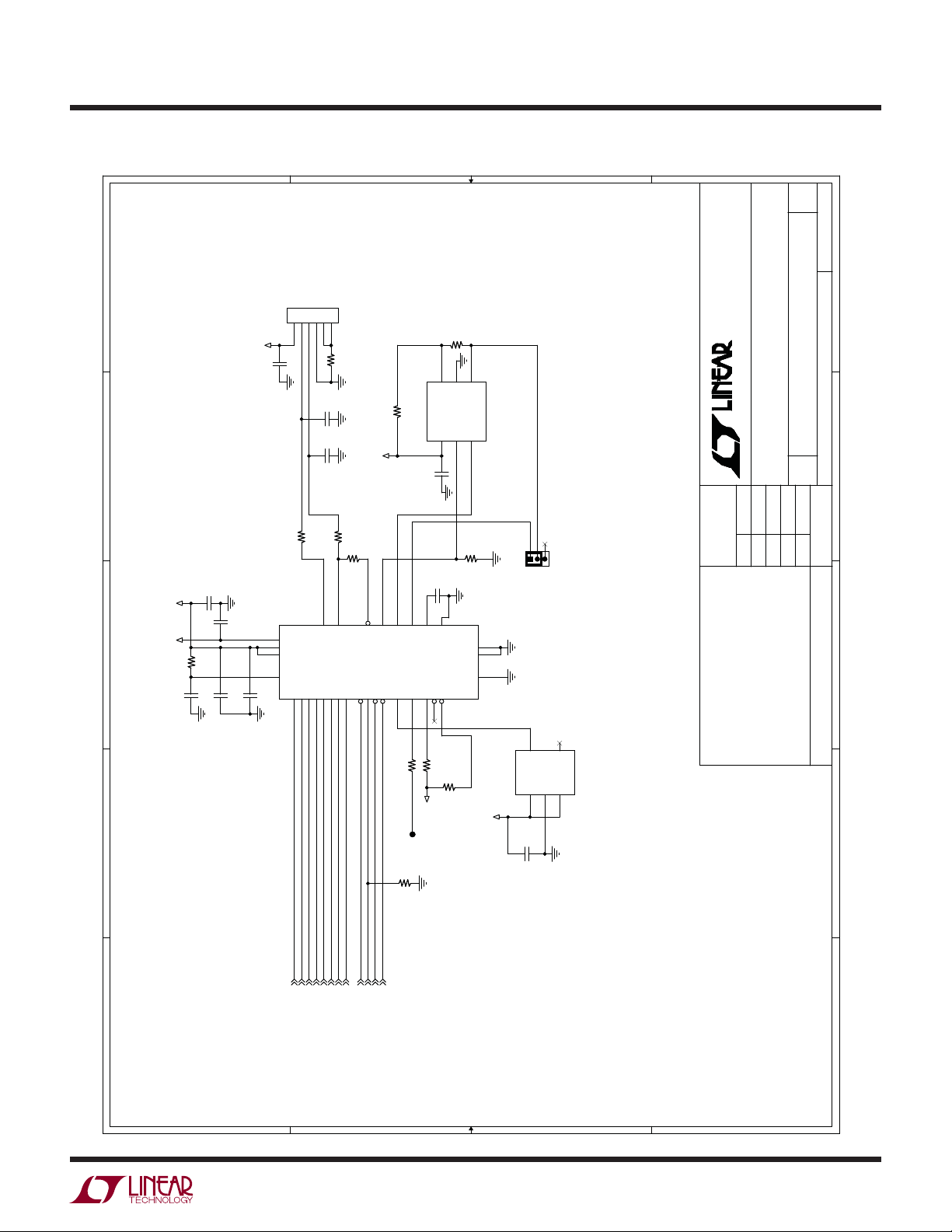
SCHEMATIC DIAGRAM
5
5
4
4
3
3
2
2
1
1
DD
C C
B B
AA
1. ALL RESISTORS ARE IN OHMS, 0402.
ALL CAPACITORS ARE IN MICROFARADS, 0402.
NOTES: UNLESS OTHERWISE SPECIFIED
2. INSTALL SHUNTS ON JUMPERS AS SHOWN.
ASSY R63 R64 R65 R66 R67 R68 Q6 Q7
-A
-B
OPT0 0OPT OPTOPT OPT0
0 OPT OPT 1k OPT 1k 2N7002 2N7002
SYSTEM_RST#
USB_RXF#
VPIC
VCC
VCC
VCC
RC4/MISO/SDAI
PIC_DB3
PIC_DB2
RC5/MOSI/SDAO
PIC_DB0
PIC_DB4
PIC_DB6
RC3_SCK
PIC_DB5
PIC_DB1
PIC_DB7
RB5/CS
USB_RXF#
USB_RD_CLK#
AUX_MAIN#
GPO_2
GPO_1
NXP_RD_
NXP_CE_
NXP_A1_
OUTEN
NXP_WR_
ALERTB
NXP_INT_
USB_TXE#
USB_WR_CLK#
NXP_A0_
RA5
RA4
SIZE
DATE:
IC NO. REV.
SHEET OF
TITLE:
APPROVALS
PCB DES.
APP ENG.
TECHNOLOGY
Fax: (408)434-0507
Milpitas, CA 95035
Phone: (408)432-1900
1630 McCarthy Blvd.
LTC Confidential-For Customer Use Only
CUSTOMER NOTICE
LINEAR TECHNOLOGY HAS MADE A BEST EFFORT TO DESIGN A
CIRCUIT THAT MEETS CUSTOMER-SUPPLIED SPECIFICATIONS;
HOWEVER, IT REMAINS THE CUSTOMER'S RESPONSIBILITY TO
VERIFY PROPER AND RELIABLE OPERATION IN THE ACTUAL
APPLICATION. COMPONENT SUBSTITUTION AND PRINTED
CIRCUIT BOARD LAYOUT MAY SIGNIFICANTLY AFFECT CIRCUIT
PERFORMANCE OR RELIABILITY. CONTACT LINEAR
TECHNOLOGY APPLICATIONS ENGINEERING FOR ASSISTANCE.
THIS CIRCUIT IS PROPRIETARY TO LINEAR TECHNOLOGY AND
SCHEMATIC
SUPPLIED FOR USE WITH LINEAR TECHNOLOGY PARTS.
SCALE = NONE
www.linear.com
N/A
DEMO CIRCUIT 1613A
101
0
2
,
91li
r
pA
,
ya
d
noM 4
I2C / SMBUS / PMBUS CONTROLLER
KT
LEO C.
2
SIZE
DATE:
IC NO. REV.
SHEET OF
TITLE:
APPROVALS
PCB DES.
APP ENG.
TECHNOLOGY
Fax: (408)434-0507
Milpitas, CA 95035
Phone: (408)432-1900
1630 McCarthy Blvd.
LTC Confidential-For Customer Use Only
CUSTOMER NOTICE
LINEAR TECHNOLOGY HAS MADE A BEST EFFORT TO DESIGN A
CIRCUIT THAT MEETS CUSTOMER-SUPPLIED SPECIFICATIONS;
HOWEVER, IT REMAINS THE CUSTOMER'S RESPONSIBILITY TO
VERIFY PROPER AND RELIABLE OPERATION IN THE ACTUAL
APPLICATION. COMPONENT SUBSTITUTION AND PRINTED
CIRCUIT BOARD LAYOUT MAY SIGNIFICANTLY AFFECT CIRCUIT
PERFORMANCE OR RELIABILITY. CONTACT LINEAR
TECHNOLOGY APPLICATIONS ENGINEERING FOR ASSISTANCE.
THIS CIRCUIT IS PROPRIETARY TO LINEAR TECHNOLOGY AND
SCHEMATIC
SUPPLIED FOR USE WITH LINEAR TECHNOLOGY PARTS.
SCALE = NONE
www.linear.com
N/A
DEMO CIRCUIT 1613A
101
0
2
,
91li
r
pA
,
ya
d
noM 4
I2C / SMBUS / PMBUS CONTROLLER
KT
LEO C.
2
SIZE
DATE:
IC NO. REV.
SHEET OF
TITLE:
APPROVALS
PCB DES.
APP ENG.
TECHNOLOGY
Fax: (408)434-0507
Milpitas, CA 95035
Phone: (408)432-1900
1630 McCarthy Blvd.
LTC Confidential-For Customer Use Only
CUSTOMER NOTICE
LINEAR TECHNOLOGY HAS MADE A BEST EFFORT TO DESIGN A
CIRCUIT THAT MEETS CUSTOMER-SUPPLIED SPECIFICATIONS;
HOWEVER, IT REMAINS THE CUSTOMER'S RESPONSIBILITY TO
VERIFY PROPER AND RELIABLE OPERATION IN THE ACTUAL
APPLICATION. COMPONENT SUBSTITUTION AND PRINTED
CIRCUIT BOARD LAYOUT MAY SIGNIFICANTLY AFFECT CIRCUIT
PERFORMANCE OR RELIABILITY. CONTACT LINEAR
TECHNOLOGY APPLICATIONS ENGINEERING FOR ASSISTANCE.
THIS CIRCUIT IS PROPRIETARY TO LINEAR TECHNOLOGY AND
SCHEMATIC
SUPPLIED FOR USE WITH LINEAR TECHNOLOGY PARTS.
SCALE = NONE
www.linear.com
N/A
DEMO CIRCUIT 1613A
101
0
2
,
91li
r
pA
,
ya
d
noM 4
I2C / SMBUS / PMBUS CONTROLLER
KT
LEO C.
2
REVISION HISTORY
DESCRIPTION DATEAPPROVEDECO REV
LEO C.
PRODUCTION
204-19-10
_
REVISION HISTORY
DESCRIPTION DATEAPPROVEDECO REV
LEO C.
PRODUCTION
204-19-10
_
REVISION HISTORY
DESCRIPTION DATEAPPROVEDECO REV
LEO C.
PRODUCTION
204-19-10
_
C2
0.1uF
C2
0.1uF
R5
1k
R5
1k
R2
475
R2
475
JP1
HD2X3-079
PROG
JP1
HD2X3-079
PROG
1
3
5 6
4
2
C3
0.1uF
C3
0.1uF
R10
4.99k
OPT
R10
4.99k
OPT
R12
1M
OPT
R12
1M
OPT
JP2
1
0
HD1X3-079
OPT
JP2
1
0
HD1X3-079
OPT
1
3
2
-
+
LED1
LTST-C190KGKT
COMMAND
GRN
(LITE-ON)
-
+
LED1
LTST-C190KGKT
COMMAND
GRN
(LITE-ON)
R1
49.9k
R1
49.9k
U1
PIC16LF1937-I/PT
U1
PIC16LF1937-I/PT
RD2 40
RD3 41
RD4 2
RD5 3
RD6 4
RD7 5
MCLR
18
OSCIN
30
OSCOUT
31 RB3 11
RB1 9
RB2 10
RB4 14
RX/RC7 1
TX/RC6 44
MOSI/RC5 43
MISO/RC4 42
SCK/RC3 37
RC2 36
RC1 35
RC0 32
VDD 7
VSS
29
PGD/RB7 17
PGC/RB6 16
RB5 15
VSS
6VDD 28
RE2/CS
27
RE1/WR
26
RE0/RD
25
RA5 24
RA4 23
RA3 22
RA2 21
RA1 20
RA0 19
INT/RB0 8
RD1 39
RD0 38
C1
0.1uF
C1
0.1uF
U2
LTC1799CS5
U2
LTC1799CS5
GND
2
V+
1OUT 5
DIV 4
SET
3
R3
20k
R3
20k R4
33.2
R4
33.2