
5
dc2086afb
DEMO MANUAL DC2086A
When Do i neeD this BoArD?
The DC2086A has many useful features that make it an es-
sentialaccessory adaptertooneofLinearTechnology’sUSB
dongles, such as the DC1613A, DC590B, and DC2026A.
The DC590B and DC2026A use a 14-pin ribbon cable
for power and communication to a system board,
whereas the DC1613A uses a 12-pin ribbon cable. The
DC2086A is more versatile and can accept either of these
12-pin or 14-pin ribbon cable inputs and adapt to the
12-pin, 14-pin, or newer and smaller 4-pin or 3-pin con-
nectors.
If designing a board, we highly recommend putting one
of these connectors on your board. The reasons are: the
ability to program PSM devices onboard, powered via
the dongle, and the ability to keep the "brains" of the PSM
device alive independent of the power supply rails on the
board—which is useful in any debugging situation. When
used with LTpowerPlay software, the DC2086A provides a
powerful way to debug an entire power system. Failures are
quickly diagnosed using telemetry, fault status registers,
and the fault logs. The final system configuration can be
quickly developed and stored to the PSM products’ re-
spective nonvolatile memories all using this one interface.
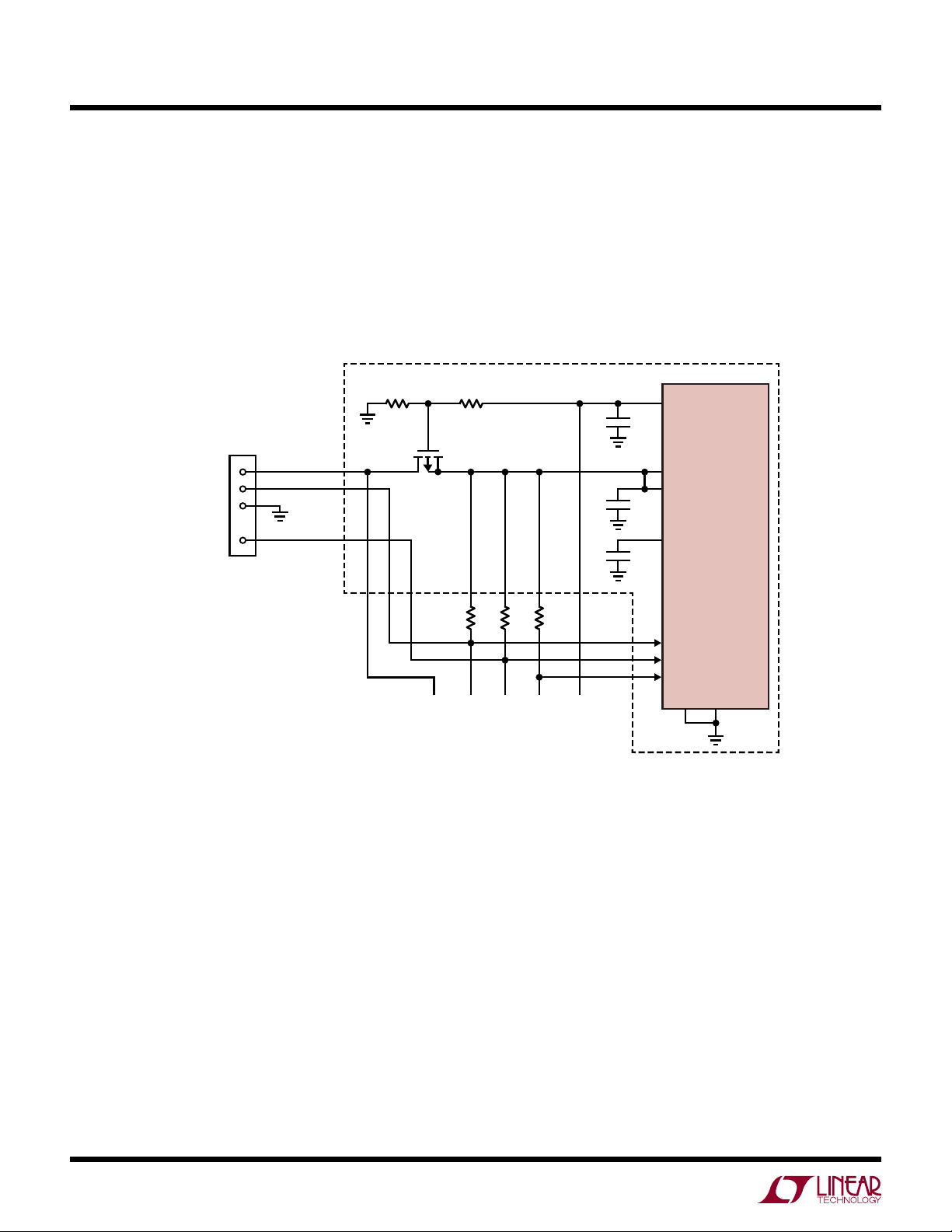
In addition to adapting to the various connectors, the
DC2086A has two higher current power rails which can
provide 3.4V and 5V power to the board. The current USB
dongle solutions, such as the DC1613A, can only source
around 100mA. This is generally sufficient to power a
single device and supporting hardware, and in some cases
approximately four LT C products. With the complexity
in today’s power systems, it is common to have more
devices that need power beyond the capability of the USB
dongles. In these situations, use the DC2086A to power
the board. The DC2086A provides up to 2.3A on the 3.4V
rail, which is more than enough to power over a hundred
devices on the same power source. Consult the data sheet
of the PSM device to verify (this generalization assumes
20mA per PSM device).
Figure 6. Programming Current Capability Comparison Chart
DC2086A (POWERED PROGRAMMING ADAPTER)
DC2026A (14-PIN LinduinoTM ONE USB DONGLE)
DC590B (14-PIN USB DONGLE)
DC1613A (12-PIN USB DONGLE)
1100mA
2300mA
750mA
0mA
100mA
100mA
100mA
100mA 5V
3.3V