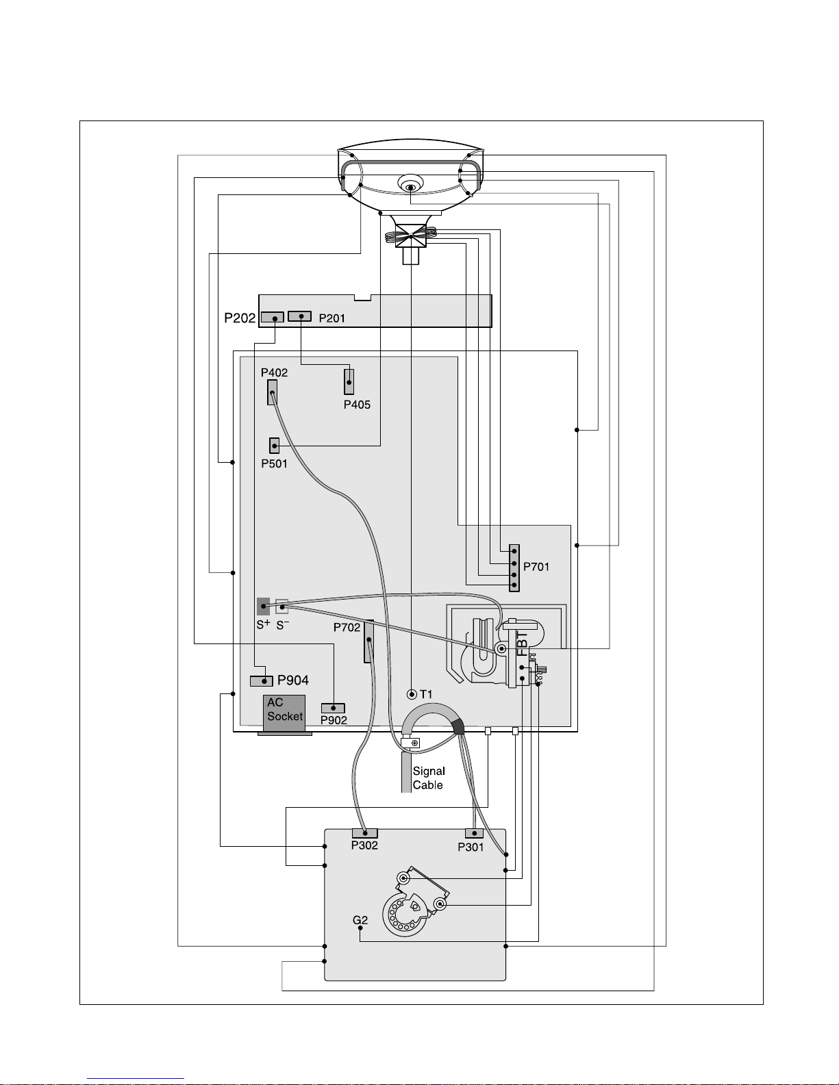
DESCRIPTION OF BLOCK DIAGRAM
1. Line Filter & Associated Circuit.
This is used for suppressing noise of power input line
flowing into the monitor and/or some noise generated in
this monitor flowing out through the power input line.
That is to say, this circuit prevents interference between
the monitor and other electric appliances.
2. Degauss Circuit & Coil.
The degauss circuit consists of the degaussing coil, the
PTC(Positive Temperature Coefficient) thermistor(TH901),
and the relay(RL901). This circuit eliminates abnormal
color of the screen automatically by degaussing the
shadow mask in the CRT during turning on the power
switch. When you need to degauss in using the monitor,
select DEGAUSS on the OSD menu.
3. SMPS(Switching Mode Power Supply).
This circuit is working of 90~264V AC(50/60Hz).
The operation procedure is as follows:
1) AC input voltage is rectified and smoothed by the bridge
diodes (D900) and the capacitor (C908).
2) The rectified voltage(DC) is applied to the primary coil
of the transformer(T901).
3) The control IC(IC901) generates switching pulse to turn
on and off the primary coil of the transformer (T901)
repeatedly.
4) Depending on turn ratio of the transformer, the
secondary voltages appear at the secondary coils of the
transformer(T901).
5) These secondary voltages are rectified by each
diode(D941, D942, D951, D961, D962, D971) and operate
other circuit. (horizontal and vertical deflection, video
amplifier, ...etc.)
4. X-ray Protection.
If the high voltage of the FBT reaches up to 29kV (abnormal
state), IC401(MICOM) pin 35 Sensing from FBT directly.
Then MICOM control IC701 (Deflection controller) to stop
Horizontal drive pulse and stop Horizontal Deflection.
5. Micom(Microprocessor) Circuit.
The operating procedure of Micom(Microprocessor) and
its associated circuit is as follows:
1) H and V sync signal is supplied from the signal cable.
2) The Micom(IC401) distinguishes polarity and
frequency of H and V sync.
3) The Micom sets operating mode and offers the
controlled data. (H-size, H-position, V-size, ... etc.)
4) The controlled data of each mode is stored in itself.
5) User can adjust screen condition by each OSD
function. The data of the adjusted condition is stored
in EEPROM(IC402).
6. Horizontal and Vertical Oscillation.
This circuit generates the horizontal pulse and the vertical
pulse by taking the H and V sync signal.
This circuit consists of the TDA4867J(IC601) and the
associated circuit.
7. D/D(DC to DC) Converter.
This circuit supplies DC voltage to the horizontal deflection
output circuit by increasing DC 50V which is the
secondary voltage of the SMPS in accordance with the
input horizontal sync signal.
8. Side-Pincushion & Trapezoid Correction Cirucit.
This circuit improves the side-pincushion and the
trapezoid distortion of the screen by mixing parabola and
saw-tooth wave to output of the horizontal deflection D/D
converter which is used for the supply voltage(B + ) of the
deflection circuit.
9. Horizontal Deflection Output Circuit.
This circuit makes the horizontal deflection by supplying
the saw-tooth current to the horizontal deflection yoke.
10. High Voltage Output & FBT(Flyback Transformer).
The high voltage output circuit is used for generating pulse
to the primary coil of the FBT(Flyback Transformer
secondary of the FBT and it is supplied to the anode,
focus, and screen voltage of the CRT.
11. H-Linearity Correction Circuit.
This circuit corrects the horizontal linearity for each
horizontal sync frequency.
12. Vertical Output Circuit.
This circuit takes the vertical ramp wave from the
TDA4841(IC701) and performs the vertical deflection by
supplying the saw-tooth current to the vertical deflection
yoke.
13. Dynamic Focus Output Circuit.
This circuit takes the vertical parabola waves from the
TDA4841(IC701) and horizontal parabola waves from the
cs capacitor, amplifies it to maintain constant focus on
center and corners in the screen.
14. H& V Blanking and Brightness Control.
Blanking circuit eliminates retrace line by supplying
negative pulse to the G1 of the CRT. And Brightness
is controlled by micom via IIC communication