1. LCD CHARACTERISTICS
Type : TFT Color LCD Module
Size : 19inch(48cm )diagonal
Pixel Pitch : 0.294(H) x 0.294(V)
Color Depth : 8-bit, 16,777,216 colors
Electrical Interface : LVDS
Surface Treatment : Anti-Glare, Hard Coating(3H)
Operating Mode : Normally Black
Backlight Unit : 4-CCFL (Cold Cathode
Fluorescent Lamp)
2. OPTICAL CHARACTERISTICS
2-1. Viewing Angle by Contrast Ratio
≥
10
Left : -80° min., -85°(Typ)
Right : +80° min., +85°(Typ)
Top : +80° min., +85°(Typ)
Bottom : -80° min., -85°(Typ)
2-2. Luminance : 240(min), 300(Typ)
2-3. Contrast Ratio : 400(min), 700(Typ)
3. SIGNAL (Refer to the Timing Chart)
3-1. Sync Signal
• Type : Separate, Composite,
SOG (Sync On Green)
Digital
3-2. Video Input Signal
1) Type : R, G, B Analog
2) Voltage Level : 0~0.7 V
a) Color 0, 0 : 0 Vp-p
b) Color 7, 0 : 0.35 Vp-p
c) Color 15, 0 : 0.7 Vp-p
3) Input Impedance : 75 Ω
3-3. Operating Frequency
Horizontal(Analog) : 30 ~ 83kHz
Horizontal(Digital) : 30 ~ 71kHz
Vertical : 56 ~ 75Hz
4. MAX. RESOLUTION
D-sub Analog : 1280 x 1024@75Hz
DVI Digital/Analog : 1280 x 1024@60Hz
5. POWER SUPPLY
5-1. Power Adaptor(Built-in Power)
Input : AC 100-240V~, 50/60Hz , 1.0A
5-2. Power Consumption
6. ENVIRONMENT
6-1. Operating Temperature: 10°C~35°C (50°F~95°F)
(Ambient)
6-2. Relative Humidity : 10%~80%
(Non-condensing)
6-3. MTBF : 50,000 Hours
Lamp Life : 30,000 Hours(Typ)
7. DIMENSIONS (with TILT/SWIVEL)
Width : 413 mm (16.25'')
Depth : 223 mm (8.78'')
Height : 435mm (17.13'')
8. WEIGHT (with TILT/SWIVEL)
Net. Weight : 7.20kg (15.87 lbs)
Gross Weight : 9.83kg (21.67 lbs)
9. USB
Upstream : 1 port, Downstream : 2 port
Speed : Full-12Mbps, Low-1.5Mbps
CONTENTS
SPECIFICATIONS
- 2 -
SPECIFICATIONS ................................................... 2
PRECAUTIONS ....................................................... 4
TIMING CHART ....................................................... 5
OPERATING INSTRUCTIONS ................................ 6
WIRING DIAGRAM ................................................. 9
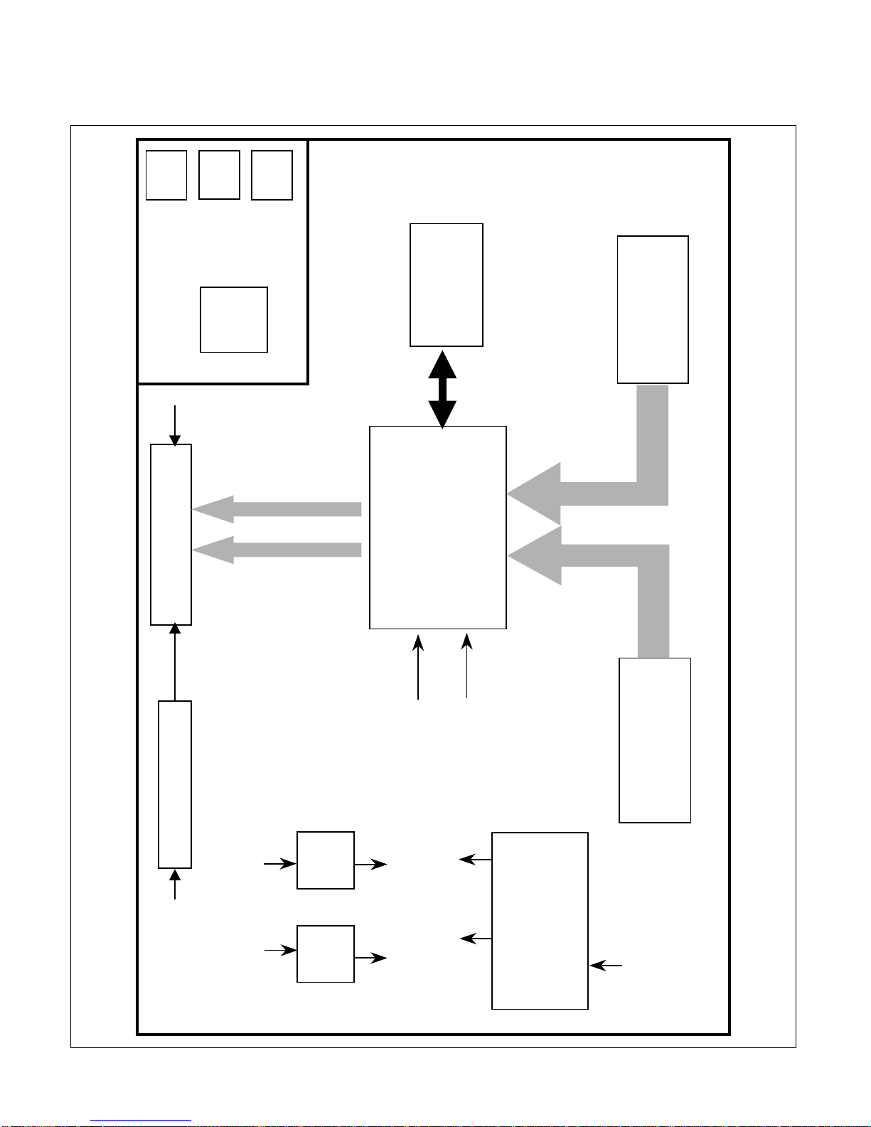
BLOCK DIAGRAM ..................................................10
DESCRIPTION OF BLOCK DIAGRAM...................11
ADJUSTMENT ...................................................... 13
TROUBLESHOOTING GUIDE .............................. 14
PRINTED CIRCUIT BOARD................................... 18
EXPLODED VIEW...................................................21
REPLACEMENT PARTS LIST ...............................23
PIN CONFIGURATION............................................27
SCHEMATIC DIAGRAM......................................... 28
MODE
POWER ON (NORMAL)
STAND-BY
SUSPEND
DPM OFF
H/V SYNC
ON/ON
OFF/ON
ON/OFF
OFF/OFF
POWER CONSUMPTION
less than 43 W
less than 3 W
less than 3 W
less than 3 W
LED COLOR
GREEN
AMBER
AMBER
AMBER
VIDEO
ACTIVE
OFF
OFF
OFF