
EACH UNIT IS HEAVY. FOR SAFE HANDLING,
INSTALLER SHOULD OBTAIN HELP AS
NEEDED, OR EMPLOY APPROPRIATE
MATERIALS HANDLING EQUIPMENT (SUCH AS
A FORKLIFT, DOLLY, OR PALLET JACK) TO
REMOVE THE UNIT FROM THE SKID AND
MOVE IT TO THE PLACE OF INSTALLATION.
CAUTION ANY STAND, COUNTER OR OTHER DEVICE ON
WHICH FRYER WILL BE LOCATED MUST BE
DESIGNED TO SUPPORT THE WEIGHT OF THE
FRYER.
SHIPPING STRAPS ARE UNDER TENSION AND
CAN SNAP BACK WHEN CUT.
DANGER THIS APPLIANCE MUST BE GROUNDED AT
THE TERMINAL PROVIDED. FAILURE TO
GROUND THE APPLIANCE COULD RESULT IN
ELECTROCUTION AND DEATH.
WARNING INSTALLATION OF THE UNIT MUST BE DONE
BY PERSONNEL QUALIFIED TO WORK WITH
ELECTRICITY. IMPROPER INSTALLATION CAN
CAUSE INJURY TO PERSONNEL AND/OR
DAMAGE TO EQUIPMENT. UNIT MUST BE
INSTALLED IN ACCORDANCE WITH ALL
APPLICABLE CODES.
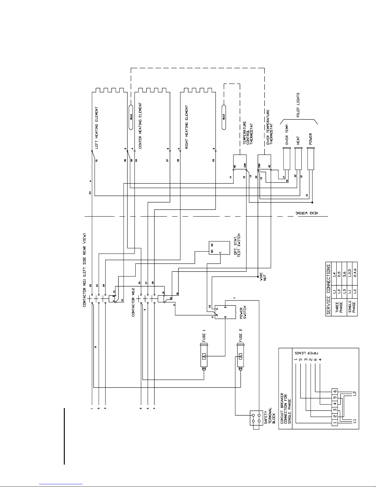
The data plate is located behind access door
over tank drain. The fryer voltage, wattage,
serial number, wire size, and clearance
specifications are on the data plate. This
information should be carefully read and
understood before proceeding with the
installation.
NOTICE: The installation of any components such as a
vent hood, grease extractors, fire extinguisher
systems, must conform to their applicable
National, State and locally recognized
installation standards.
During the first few hours of operation, you
may notice a small amount of smoke coming
off the melter, and a faint odor from the smoke.
This is normal for a new melter and will
disappear after the first few hours of use.
ALWAYS KEEP THE AREA NEAR THE
APPLIANCE FREE FROM COMBUSTIBLE
MATERIALS.
CAUTION: KEEP FLOOR IN FRONT OF EQUIPMENT
CLEAN AND DRY. IF SPILLS OCCUR, CLEAN
IMMEDIATELY, TO AVOID THE DANGER OF
SLIPS OR FALLS.