
KW-AV58/KW-AV50
Installation/Connection Manual
Manual de instalación/conexión
Manuel d’installation/raccordement
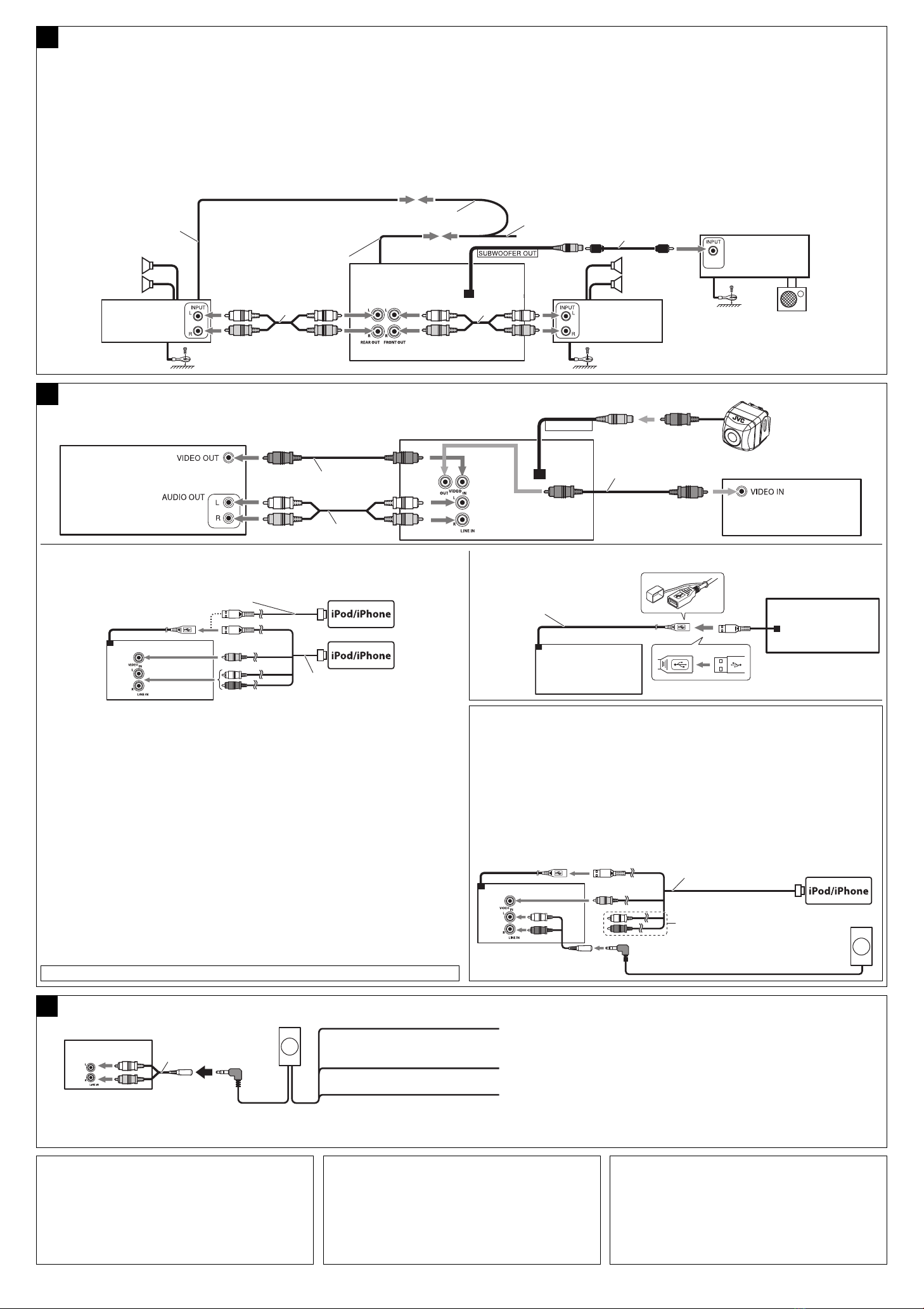
Parts list for installation and connection
The following parts are provided for this unit.
If anything is missing, contact your dealer immediately.
ENGLISH
This unit is designed to operate on 12 V DC, NEGATIVE ground
electrical systems. If your vehicle does not have this system, a
voltage inverter is required, which can be purchased at JVC car audio
dealers.
WARNINGS
• DO NOT install any unit or wire any cable in a location where;
– it may obstruct the steering wheel and gearshift lever operations,
as this may result in a traffic accident.
– it may obstruct the operation of safety devices such as air bags, as
this may result in a fatal accident.
– it may obstruct visibility.
• DO NOT operate any unit while manipulating the steering wheel, as
this may result in a traffic accident.
• The driver must not watch the monitor while driving. It may lead to
carelessness and cause an accident.
• If you need to operate the unit while driving, be sure to look around
carefully or you may be involved in a traffic accident.
• If the parking brake is not engaged, “Parking Brake” appears on the
monitor, and no playback picture will be shown.
– This warning appears only when the parking brake lead is
connected to the parking brake system built in the car.
To prevent short circuits, we recommend that you disconnect the
battery’s negative terminal and make all electrical connections before
installing the unit.
• Be sure to ground this unit to the car’s chassis again after
installation.
• Be sure any cable is not caught on the car’s chassis or under seats.
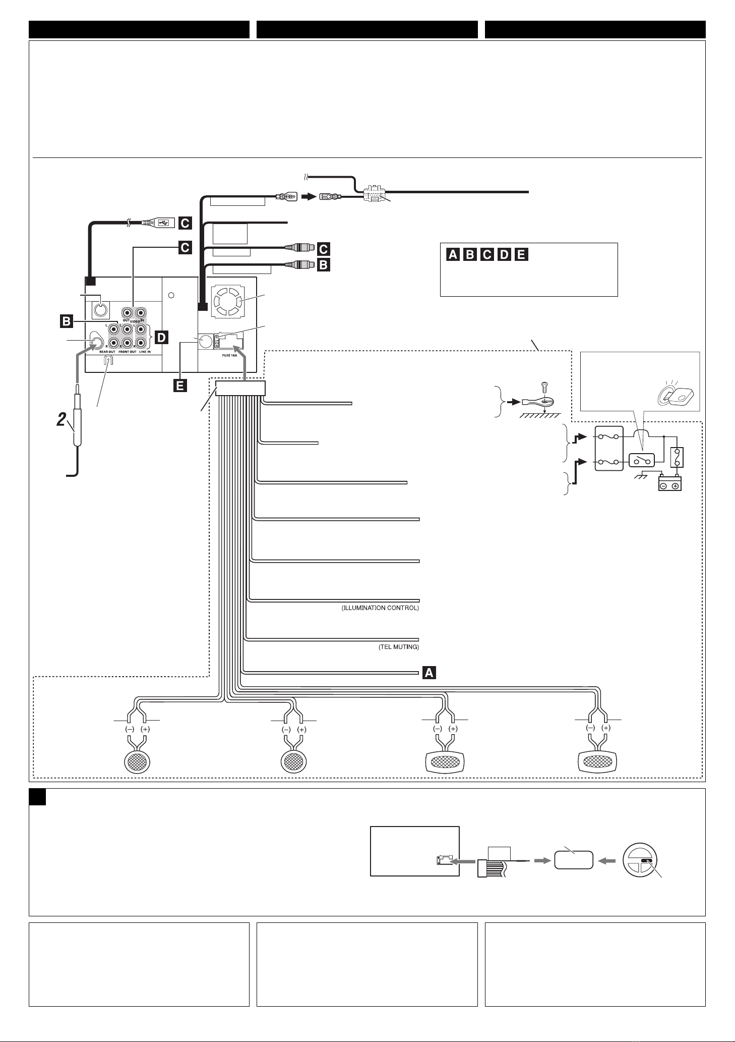
Notes on electrical connections:
• Replace the fuse with one of the specified rating. If the fuse blows
frequently, consult your JVC car audio dealer.
• It is recommended to connect speakers with maximum power
of more than 50 W (both at the rear and at the front, with an
impedance of 4 to 8 Ω).
If the maximum power is less than 50 W, change <Amplifier Gain>
setting to prevent the speakers from being damaged (see page 45 of
the INSTRUCTIONS).
• To prevent short circuits, cover the terminals of the UNUSED leads
with insulating tape.
• The heat sink becomes very hot after use. Be careful not to touch it
when removing this unit.
• At the time of installation, be sure to fix all wires (wires both from
this unit and from the car itself) in a way that any wires cannot
come into contact with heat sinks on the rear and side of the unit.
Heat sink
Sumidero térmico
Dissipateur de chaleur
LVT2285-002A
[J/JW]
0911NSHMDWJEIN
EN, SP, FR
© 2011 JVC KENWOOD Corporation
Round head screws (M5 x 8 mm/M5 x 3/8”)
Tornillos de cabeza esférica (M5 x 8 mm/M5 x 3/8 pulgada)
Vis à tête ronde (M5 x 8 mm/M5 x 3/8 pouces)
Main unit/Sleeve/Trim plate
Unidad principal/Cubierta/Placa de guarnición
Appareil principal/Manchon/Plaque d’assemblage
Power cord
Cordón de alimentación
Cordon d’alimentation
Crimp connector
Conector de sujeción
Raccord à sertir
Use these screws when installing the unit without the supplied sleeve. (See page 2.)
Utilice estos tornillos cuando instale la unidad sin la cubierta suministrada. (Consulte la página 2.)
Utilisez ces vis lors de l’installation de l’appareil sans le manchon fourni. (Voir page 2.)
Monitor panel and soft case
Panel del monitor y estuche blando
Panneau du moniteur et étui souple
Handles
Manijas
Poignées
Lista de piezas para instalación y conexión
Con esta unidad se suministran las siguientes piezas.
Si hay algún elemento faltante, póngase inmediatamente en
contacto con su concesionario.
ESPAÑOL
Esta unidad está diseñada para funcionar con 12 V de CC, con
sistemas eléctricos de masa NEGATIVA. Si su vehículo no posee
este sistema, será necesario un inversor de tensión, que puede ser
adquirido en los concesionarios de JVC de equipos de audio para
automóviles.
ADVERTENCIAS
• NO instale ningún receptor o tienda ningún cable en una
ubicación donde;
– donde pueda obstruir la maniobra del volante de dirección
y del cambio de engranajes, con el consiguiente riesgo de
accidentes de tráfico.
– donde pueda obstruir el funcionamiento de dispositivos de
seguridad tales como bolsas de aire, pues podría resultar en un
accidente fatal.
– donde pueda obstruir la visibilidad.
• NO OPERE la unidad mientras está maniobrando el volante de
dirección, pues podría producirse un accidente de tráfico.
• El conductor no debe mirar el monitor mientras conduce. Podría
producirse un descuido, y causar un accidente.
• Si necesita operar la unidad mientras conduce, asegúrese de
mirar atentamente a su alrededor pues de lo contrario, se podría
producir un accidente de tráfico.
• Si el freno de mano no está en uso, aparecerá “Parking Brake
(Freno de Mano)” en la pantalla y no se mostrará ninguna
secuencia de imagen.
– Esta advertencia aparece únicamente cuando el cable del freno
de estacionamiento se encuentra conectado al sistema del
freno de estacionamiento incorporado al automóvil.
Para evitar cortocircuitos, recomendamos que desconecte el
terminal negativo de la batería y que efectúe todas las conexiones
eléctricas antes de instalar la unidad.
• Asegúrese de volver a conectar a masa esta unidad al chasis
del automóvil después de la instalación.
• Asegúrese de que ningún cable quede atrapado en el chasis del
automóvil o debajo de los asientos.
Notas sobre las conexiones eléctricas:
• Reemplace el fusible por otro del régimen especificado. Si el
fusible se funde frecuentemente, consulte con su concesionario
de JVC de equipos de audio para automóviles.
• Se recomienda conectar los altavoces con una potencia máxima
de más de 50 W (tanto atrás como adelante, con una impedancia
de 4 a 8 Ω).
Si la potencia máxima es de menos de 50 W, cambie <Amplifier
Gain> para evitar daños en los altavoces (consulte la página 45
del MANUAL DE INSTRUCCIONES).
• Para evitar cortocircuitos, cubra los cables NO UTILIZADOS con
cinta aislante.
• El sumidero térmico estará muy caliente después del uso.
Asegúrese de no tocarlo al desmontar esta unidad.
• Al realizar la instalación, asegúrese de fijar todos los cables (tanto
los que proceden de esta unidad como los del vehículo en sí) de
manera tal que ninguno quede en contacto con los disipadores
térmicos de las partes traseras y laterales de la unidad.
Rubber cushion
Cojín de goma
Amortisseur en caoutchouc
Mounting bolt—M4 x 20 mm/M4 x 13/16”
Perno de montaje—M4 x 20 mm/M4 x 13/16 pulgada
Boulon de montage—M4 x 20 mm/M4 x 13/16 pouces
Lock nut (M5)
Tuerca de seguridad (M5)
Ecrou d’arrêt (M5)
Washer (ø5)
Arandela (ø5)
Rondelle (ø5)
FRANÇAIS
Cet appareil est conçu pour fonctionner sur des sources de courant
continu de 12 V à masse NEGATIVE. Si votre véhicule n’offre pas ce
type d’alimentation, il vous faut un convertisseur de tension, que vous
pouvez acheter chez un revendeur d’autoradios JVC.
AVERTISSEMENTS
• N’INSTALLEZ aucun appareil ni aucun câble dans un endroit où:
– où il peut gêner l’accès au volant ou au levier de vitesse car cela
peut entraîner un accident de la circulation.
– où il peut gêner la manipulation de dispositifs de sécurité tels que
les airbags car cela peut entraîner un accident fatal.
– où il peut gêner la visibilité.
• NE COMMANDEZ PAS l’appareil lors de la manipulation du volant
car cela peut entraîner un accident de la circulation.
• Le conducteur ne doit pas regarder le moniteur lorsqu’il conduit. Cela
peut lui faire perdre sa concentration et causer un accident.
• Si vous souhaitez opérer l’appareil pendant que vous conduisez,
assurez-vous de bien regarder autour de vous afin de ne pas causer un
accident de la circulation.
• Si le frein à main n’est pas engagé, “Parking Brake (Frein à Main)”
s’affiche sur le moniteur et aucune image de lecture n’apparaît.
– Cet avertissement apparaît uniquement quand le fil du frein de
stationnement est connecté au système de frein de stationnement
intégré à la voiture.
Pour éviter tout court-circuit, nous vous recommandons de débrancher
la borne négative de la batterie et d’effectuer tous les raccordements
électriques avant d’installer l’appareil.
• Assurez-vous de raccorder de nouveau la mise à la masse de
cet appareil au châssis de la voiture après l’installation.
• Assurez-vous qu’aucun câble n’est coincé sur châssis de la voiture ou
sous les sièges.
Remarques sur les connexions électriques:
• Remplacer le fusible par un de la valeur précisée. Si le fusible saute
souvent, consulter votre revendeur d’autoradios JVC.
• Il est recommandé de connecter des enceintes avec une puissance de
plus de 50 W (les enceintes arrière et les enceintes avant, avec une
impédance comprise entre 4 Ω à8 Ω).
Si la puissance maximum est inférieure à 50 W, changez <Amplifier
Gain> pour éviter d’endommager vos enceintes (voir page 45 du
MANUEL D’INSTRUCTIONS).
• Pour éviter les court-circuits, couvrir les bornes des fils qui ne sont
PAS UTILISÉS avec de la bande isolante.
• Le dissipateur de chaleur devient très chaud après usage. Faire
attention de ne pas le toucher en retirant cet appareil.
• Au moment de l’installation, assurez-vous de fixer tous les fils (les fils
de cet appareil et aussi de la voiture elle-même) de façon qu’aucun
fil ne puisse entrer en contact avec les dissipateurs de chaleur situés à
l’arrière et sur le côté de l’appareil.
Liste des pièces pour l’installation et
raccordement
Les pièces suivantes sont fournies avec cet appareil.
Si quelque chose manquait, contactez votre revendeur immédiatement.
Extension lead
Cable prolongador
Fil prolongateur
Only for KW-AV58
Sólo para KW-AV58
Uniquement pour le KW-AV58
Remote controller
Control remoto
Télécommande
Flat head screws (M5 x 8 mm/M5 x 3/8”)
Tornillos de cabeza plana (M5 x 8 mm/M5 x 3/8 pulgada)
Vis à tête plate (M5 x 8 mm/M5 x 3/8 pouces)
Install_KW-AV50[JJW].indb 1Install_KW-AV50[JJW].indb 1 11.9.21 3:04:11 PM11.9.21 3:04:11 PM