
KD-AV7100
Installation/Connection Manual
ϰ༬ો˿
°“√µ‘¥µ—Èß/§ŸË¡◊Õ°“√µ‘¥µ—Èß
ENGLISH
This unit is designed to operate on 12 V DC, NEGATIVE ground
electrical systems. If your vehicle does not have this system, a
voltage inverter is required, which can be purchased at JVC car audio
dealers.
WARNINGS
• DO NOT install any unit or wire any cable in a location where;
– it may obstruct the steering wheel and gearshift lever operations,
as this may result in a traffic accident.
– it may obstruct the operation of safety devices such as air bags, as
this may result in a fatal accident.
– it may obstruct visibility.
• DO NOT operate any unit while manipulating the steering wheel, as
this may result in a traffic accident.
• The driver must not watch the monitor while driving. It may lead to
carelessness and cause an accident.
• If you need to operate the unit while driving, be sure to look around
carefully or you may be involved in a traffic accident.
• If the parking brake is not engaged, the following warning appears
on the monitor, and no playback picture will be shown.
CAUTION!!!
IT’S UNLAWFUL TO OPERATE A VEHICLE WHILE VIDEO
IS DISPLAYED IN THE DRIVERS VIEWING AREA
ENGAGE EMERGENCY BRAKE TO ENJOY VIDEO
– This warning appears only when the parking brake lead is
connected to the parking brake system built in the car.
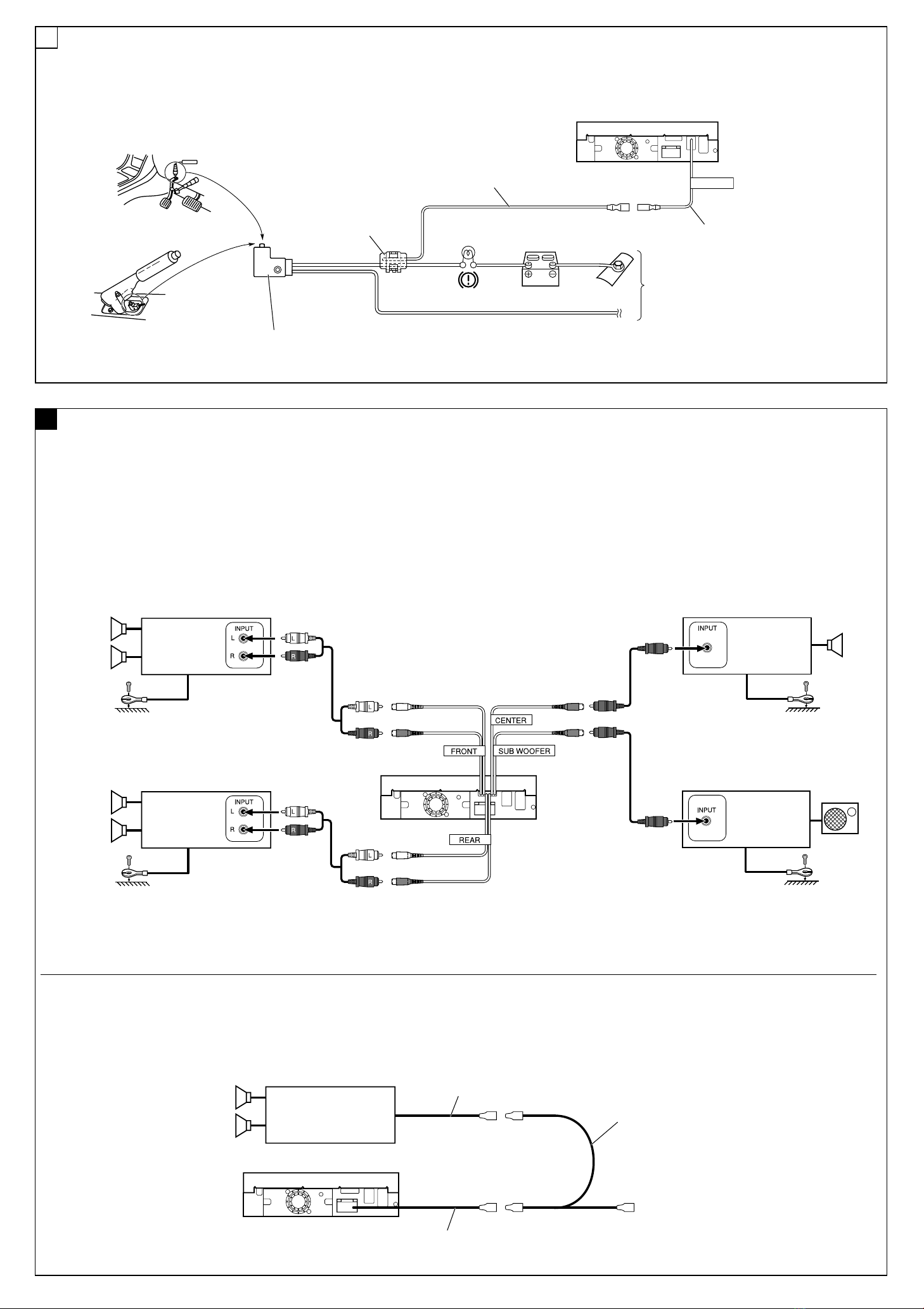
Notes on electrical connections:
•Replace the fuse with one of the specified rating. If the fuse blows
frequently, consult your JVC car audio dealer.
•It is recommended to connect speakers with a maximum power
of more than 50 W (both at the rear and at the front, with an
impedance of 4 Ω to 8 Ω).
•To prevent short circuits, cover the terminals of the UNUSED leads
with insulating tape.
•The heat sink becomes very hot after use. Be careful not to touch it
when removing this unit.
n
Remote controller
ჲ
√’‚¡µ§Õπ‚∑√≈
Parts list for installation and connection
The following parts are provided for this unit.
If anything is missing, contact your dealer immediately.
a
Main unit
ጅ
µí«‡§√◊ËÕß
0508MNMMDWSKP
EN, CT, TH
©2008 Victor Company of Japan, Limited
b
Sleeve
ࢭጅೋ
ª≈Õ°ÀÿÈ¡
c
Trim plate
༫ྟ
·ºËπ‚≈À–¢Õ∫·µËß
LVT1824-007C
[U]
i
Mounting bolt (M5 x 20 mm)
ႌ֣ᒘ(M5 x 20 mm)
≈—°µ‘¥ (M5 x 20
¡¡.
)
d
Power cord
ྐཔ·ڄለӧ
“¬‡§‡∫‘≈°”≈—ß
k
Handles
ػܓӕ˾
§—π∫—ß§—∫
j
Rubber cushion
ጁሗՎ࿑
¬“ß°—π°√–·∑°
e
Parking brake lead
˾۫Ծለ
“¬‡∫√°¡◊Õ
m
Cleaning cloth
ଡᆸ·
ºÈ“∑”§«“¡–Õ“¥
g
Round head screws (M5 x 8 mm)
ฐᏃᒘീ (M5 x 8 mm)
°√ŸÀ—«°≈¡ (M5 x 8 ¡¡.)
h
Tapping screw
бӣᒘീ
°√Ÿª≈“¬«Ë“π
When shipped from the factory, the battery is
installed in the remote controller.
ᅪྐЖʵ༫ʈჲé
‡¡◊ËÕ‘π§È“Ëß®“°‚√ßß“π ®–¡’·∫µ‡µÕ√’˵‘¥µ—Èß¡“„ÀÈ·≈È«„π√’‚¡∑
ˁ
ʹጅ෮՟·ڈޠ12 V é࠸ોϚڅྑກԧéϨسڄԾቩ
ԅЉɾྐԦç۱ᄔ࠱ɾࡴྐᏫ᜵ಗçϚJVCԆԾ
ࡖᛏ˜ኀளකռé
ᙲѿ
• ˝ˡϚʓтϯ༫ʹጅྐង;
–
Ҟᗉዬѕώᇟ֜᜵ᐑଁڄтçѴ۱˺ചΟ
Ֆݭé
– Ҟᗉዬѕϯη༫çϨϯηெമڄтçѴ۱
˺ചࠓ֡ڄΟՖݭé
– Ҟᗉඁ௴ڄтé
•
˝ˡϚዬѕώᇟڄཫദˀዬѕʹጅçѴ۱˺ചΟՖݭé
• ኢአçኢአ࢜˝ˡႌԠΕéࠓՓ˺ചՖ
ݭé
• Ϛኢአཫദˀࠜᄔ࠱ዬѕʹጅç˝৩࠱ં˝ٌำۮçѴ۱
˺ചΟՖݭé
• ࠜ˾۫ԾͶ⽂ϐçʓλᙱѾۑࣥϚΕʕçٗᆑ؞
࿌é
CAUTION!!!
IT’S UNLAWFUL TO OPERATE A VEHICLE WHILE VIDEO
IS DISPLAYED IN THE DRIVERS VIEWING AREA
ENGAGE EMERGENCY BRAKE TO ENJOY VIDEO
– ෮ະ˾۫ԾለႩԆԾ˖ڄ˾۫ԾԦߟЏᙱѾۑ
ࣥʼé
нྑཕોٍิ:
• ӕۘᎳീӦಗᖃ׆࠷மࡩڄۘᎳീéϨسۘᎳീગጛᖢç
ቁώJVC ԆԾࡖᛏ˜ኀ༿é
•
݈֜ۮಙᑵڄఛʨ᎔ʈᏻʨؠ50 Wçմۇӏ
4Ωü8 Ωé
• Վྐഠཔçቁ·ഽሇઘу͵՟·ྐለڄၷʪé
• ʹጅ՟·݈çಞᇊ݃ᇊéϕЏçϚ୰ʹጅçʮ˻ʿ࠱
᙮ညಞᇊé
‰∑¬
™ÿ¥ª√–°Õ∫π’ȉ¥È√—∫°“√ÕÕ°·∫∫¡“‡æ◊ËÕ„™Èß“π°—∫√–∫∫ °√–·‰øøÈ““¬¥‘π¢—È«≈∫°√–
·µ√ß 12 ‚«≈∑Ï À“°√∂¬πµÏ¢Õß§ÿ≥‰¡Ë‰¥È„™È√–∫∫π’È µÈÕß„™È‡§√◊ËÕß·ª≈ß°√–
·‰ø™Ë«¬ ´÷Ëß“¡“√∂À“´◊ÈÕ‰¥È®“°√È“π¢“¬‡§√◊ËÕ߇’¬ß√∂¬πµÏ JVC
§”‡µ◊Õπ
• լ˓µ‘¥µ—È߇§√◊ËÕ߇≈ËπÀ√◊Õ‡¥‘𓬉ø„πµ”·ÀπËß∑’Ë;
– Õ“®°’¥¢«“ß°“√∑”ß“π¢Õßæ«ß¡“≈—¬·≈–§—π‡°’¬√Ï ‡æ√“–Õ“®°ËÕ„Àȇ°‘¥Õÿ∫—µ‡Àµÿ¢÷È
–
Õ“®°’¥¢«“ß°“√∑”ß“π¢ÕßÕÿª°√≥ϪÈÕß°—π§«“ª≈Õ¥¿—¬ ‡™Ëπ ·Õ√Ï·∫§ ‡æ√“–
Õ“®°ËÕ„Àȇ°‘¥Õ—πµ√“¬√È“¬·√ß∂÷ß™’«‘µ¢÷Èπ‰¥È
– Õ“®°’¥¢«“ß“¬µ“
• լ˓„™Èß“π¢≥–¢—∫¢’Ë ‡æ√“–Õ“®°ËÕ„Àȇ°‘¥Õÿ∫—µ ‘‡Àµÿ¢÷Èπ‰¥È
• ºŸÈ¢—∫µÈÕ߉¡Ë¡Õß∑’ˮաÕ𑇵Õ√Ï¢≥–¢—∫¢’Ë ‡æ√“–Õ“®π”‰ªŸË§«“¡ª√–¡“∑‡≈‘π‡≈ËÕ·≈–
°ËÕ„Àȇ°‘¥Õÿ∫—µ ‘‡Àµÿ‰¥È
•À“°µÈÕß°“√„™Èß“π‡§√◊ËÕߢ≥–¢—∫¢’Ë µÈÕß·πË„®«Ë“‰¥È„™È§«“¡√–¡—¥√–«—ßլ˓ߥ’
‡æ◊ËÕÀ≈’°‡≈’ˬ߰“√‡°‘¥Õÿ∫—µ ‘‘‡Àµÿ
• À“°‰¡Ë‰¥È„™Èß“π‡∫√°¡◊Õ §”‡µ◊ÕπµËÕ‰ªπ’È®–ª√“°Ø¢÷Èπ∑’ËÀπÈ“®Õ ·≈–®–‰¡Ë¡’√Ÿª°“√
‡≈Ëπ·¥ß¢÷Èπ¡“
CAUTION!!!
IT’S UNLAWFUL TO OPERATE A VEHICLE WHILE VIDEO
IS DISPLAYED IN THE DRIVERS VIEWING AREA
ENGAGE EMERGENCY BRAKE TO ENJOY VIDEO
– §”‡µ◊Õππ’È®–ª√“°Ø¢÷Èπ‡©æ“–‡¡◊ËÕµËÕ“¬‡∫√°°—∫√–∫∫‡∫√°„π√∂¬πµÏ‰«È‡∑Ë“π—Èπ
¡ÈÕπŸ≈„π°“√•ËÕ√–∫∫‰ø:
•„™Èæ‘°—¥®”‡æ“–·∑πøî«À“°øî«Ï¢“¥∫ËÕ¬ „ÀȪ√÷°…“√È“ π¢“¬‡§√◊ËÕ߇’¬ß√∂¬πµÏ JVC
•¢Õ·π–π”„ÀȵËÕ≈”‚æß ∑’Ë¡’°”≈—ߢ—∫ßÿ¥‡°‘π°«Ë“
50 W
(∑—ÈߥȓπÀπÈ“·≈–¥È“πÀ≈—ß
¡’§Ë“§«“¡µÈ“π∑“π 4Ω∂÷ß 8 Ω)
•°“√ªÈÕß°—π°“√≈—¥«ß®√ ®–µÈÕßæ—π¢—È«“¬µ–°—Ë« ∑’ˉ¡Ë„™È·≈È«¥È«¬‡∑ ªæ—𓬉ø
•
·ºËπ√–∫“¬§«“¡√ÈÕπ®–√ÈÕπ¡“°À≈—ß®“°„™È √–¡—¥√–«—ßլ˓‰ª —¡º—‡¡◊ËÕ∂Õ¥™ÿ¥ª√–°Õ∫π’È
Heat sink
ಞᇊ
·ºËπ√–∫“¬§«“¡√ÈÕπ
Έءϰ༬֝ોڅྒྷέଢశ
ʹጅకʓྒάé
ࠜചথ˲έщɾάྒάçቁѮոᑷുڄ˜ኀé
√“¬°“√Ë«πª√–°Õ∫”À√—∫µ‘¥µ—Èß·≈–‡™◊ËÕ¡µËÕ°—π
Ë«πª√–°Õ∫µËÕ‰ªπ’È„ÀÈ¡“°—∫™ÿ¥ª√–°Õ∫π’È À“°¡’‘Ëß„¥‰¡Ë§√∫ °√ÿ≥“µ‘¥µËÕµ—
«·∑π®”ÀπË“¬‚¥¬∑—π∑’
f
Special cable for iPod
iPod ·ྐង
“¬‰øæ‘‡»…”À√—∫ iPod
l
Stay
ށ
µ—«¬÷¥
CT_TH_KD-AV7100U2_Install.indb 1CT_TH_KD-AV7100U2_Install.indb 1 7/11/08 10:12:49 AM7/11/08 10:12:49 AM