
PARAMOUNT PARTS LIST
R
WEED EATER PARTS LIST
R
R
POULAN PARTS LIST
RPARTS LIST
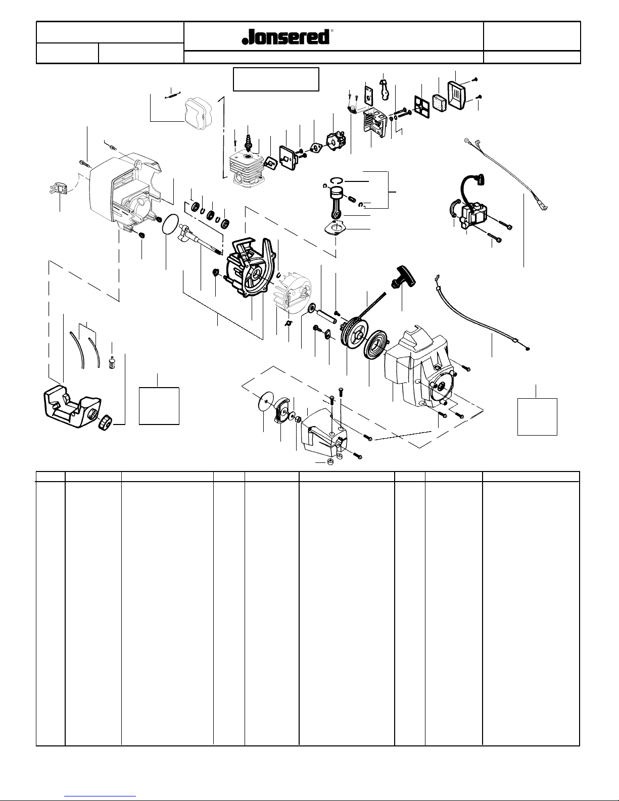
Note: Illustration may differ from actual model due to design changes
PARTS LIST NO.
PAGE NO.
MODEL(s)
530084491 GT26L
DATE
7/24/02 3
REPLACES
530084491--12/05/01
1. -- -- -- Kit -- Muf f ler
530069989 -- Previous style
530071390 -- New style
2. -- -- -- Spring --M u f f ler
530016197 -- Previous Style
530042088 -- New Style
3. 530015953 Screw--Cylinder
4. 952030201 Spark Plug (RCJ 8Y)
5. 530069757 Kit -- Cylinder
6. 530069622 Gasket--Cyl./Carb.(kit)
7. 530071250 Adapter--Carb.
8. 530016014 Screw
9. 530069622 Gasket--Carb. (kit)
10. 530069902 Kit -- Carburetor Ass’y
(Incl. Limiter Cap)
11. 530016090 Screw--Primer Bulb
12. 530037326 Choke Plate Mounting
13. 530038102 Shutter--Choke
14. 530015887 Screw
15. 530037413 Plate -- Filter Support
16. 530037331 Foam--Air Filter
17. 530037292 Cover--Air Filter
18. 530015957 Screw
19. 530015849 Screw
20. 530015852 Spacer--Choke
21. 530015254 Washer
22. 530037966 Air Box
23. 530038874 Assy--Primer Bulb
24. 530069987 Kit -- Piston
(Incl. 25, 26 & Pin)
25. 530055120 Ring--Piston
26. 530015162 Retainer--Piston Pin
27. 530069615 Assy--Connecting Rod
28. 530069622 Gasket--Cylinder (kit)
29. 530036145 Spacer--Module
30. 530039163 Ignition Module
31. 530015954 Screw
32. 530047278 Assy--Switch Wire
33. 530069622 Kit--Engine Gasket
(Incl. 6,9,28,49)
34. 530037415 Assy--Throttle Cable
35. 530027569 Handle--Starter
36. 530069232 Kit -- Rope
37. 530016080 Screw
38. 530037414 Spacer--Flywheel
39. 530015941 Retain. Ring--C’shaft
40. 530032124 Bearing--Outer
41. 530019179 Seal--C’case
42. 530015945 Retainer Ring--C’case
43. 530032125 Bearing--Inner
44. 530038191 Shroud--Rear
45. 530015934 Screw
46. 530015810 Screw
47. 530054536 Guard--Muffler
48. 530036793 Isolator--Shroud
49. 530069622 O--Ring--C’case (kit)
50. 530052344 Assy--Crankshaft
51. 5530036792 Isolator--Crankcase
52. 530012414 Assy--Crankcase
(Incl. 40--43)
53. 530014906 Assy--C’case & C’shaft
(Incl. 39,50,52)
54. 530069886 Assy--Flywheel
55. 530023817 Spring--Starter Dog
56. 530015149 Washer
57. 530015775 Screw
58. 530027523 Retainer
59. 530069400 Kit--Starter Pull(incl 37)
60. 530042085 Spring--Starter
61. 530047493 Assy.--Fan Hsg
62. 530015810 Screw
63. 530015767 Screw
64. 530047073 Assy--Clutch Hsg.
65. 530015828 Washer--Flat
66. 530015768 Nut
67. 530626605 Nut--Clutch
68. 530069491 Assy--Clutch
69. 530015611 Washer--Clutch
70. ------ Kit--Spark Arrestor
530069380 Previous Style
530071391 New Style
71. 530014347 Assy--Fuel Cap
72. 530095646 Assy--Fuel Pickup
73. 530069599 Kit--Fuel Line
74. 530069862 Assy--Fuel Tank
Ref. Part No. Description Ref. Part No. Description Ref. Part No. Description
59
56 57
46
35
5
38
39
53
29
28 30
54
38
26 24
50
44
41
42
43
49
467
27
9
22
10
12
20
13 17
16
72
33
62
36
37
58
25
21
52
60
1
Engine
Gasket
Kit
71
18
15
14
45
2
‘
74 73
31
34
32
=NEW PART NUMBER FOR THIS IPL
n=REFER TO THE SERVICE REFERENCE INDICATED FOR MORE INFORMATION. (LOCATED AT END OF IPL)
K
40
61
69 68
65
67 66
64 63
11
23
48
51
55
Previous Style
New Style
1
2
19
70
Kit
Spark
Arrestor
47
n
n
n
n
n
n
n
TYPE 1,2