
WWW.JOHNSONSYSTEMS.COM
8
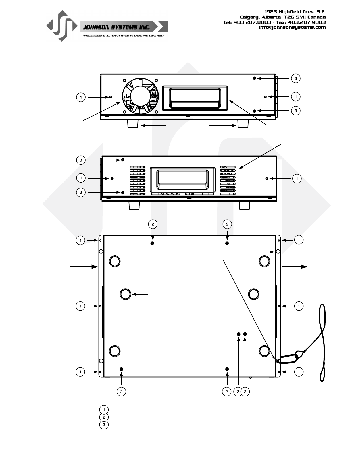
AC Power Supply
Input Terminals
AC Power Supply Input Options
J-PACK Series dimmer packs are capable of various 120VAC power supply input
congurations.
Remove the top panel (lid) of the dimmer pack chassis to access the contractor
termination area, where the required AC power supply input terminals are
located. To remove the top panel (lid), remove the ten (10) SEMS #6-32 x 3/8"
Philips pan head mountings screws located on the sides and the six (6) #6-
32 x 3/8" Philips at head mounting screws located on the top, using a Philips
#2 screwdriver, and carefully lift the lid up. The cooling fan is mounted on the
lid, so be careful not to strain the fan wiring cable. If the fan cable needs to
be disconnected, carefully cut off the strain relief wire tie and unplug the fan
connector from the J10 PCB connector. Be sure to save the mounting screws to
secure the top panel (lid) once the AC power supply input wiring termination is
complete.
A 1.109" knockout (suitable for 0.75" conduit) located on the rear panel of the
relay pack chassis is provided for wire/conduit entry to the AC power supply
input terminals. Ensure an adequate tting is used to secure the conduit to the
rear panel. Only use wire rated for the specications provided. Route the wire
directly from the conduit entry into the power terminals. Use a 3/16" athead
screwdriver to torque the power terminals to the specications provided.
Once the AC power supply input wiring termination is complete, carefully
reinstall the top panel (lid). If the cooling fan cable was disconnected, be sure
to reconnect it to the J10 PCB connector, and install a wire tie for strain relief.
Carefully slide the lid down into place, making sure the fan cable does not get
pinched in the metalwork. Secure the lid using the mounting screws previously
removed. To ensure ground continuity between all chassis panels, be sure to use
the SEMS mounting screws with integral star washers on the sides.
WARNING: All wiring must comply with local electrical codes and be
completed by qualied personnel only!
WARNING: For connection use copper wire only, rated for 167ºF (75ºC)
minimum!
WARNING: All AC power supply input options require an external disconnect!
WARNING: Ensure the AC power supply external disconnect is turned off and
locked out while wiring terminations are completed!
WARNING: For permanent installations, the external disconnect must be
located adjacent to the equipment.
AVERTISSMENT: Pour les installations permanentes, le débrancher externe
doit être trouvé adjacent à l'équipement.