IPS Controllers M720 Manuel utilisateur

M720 pH/ORP Controller
Owner’s
Manual
ipscontrollers.com
pH
Dose
Alert
Dose
Alert
ORP mV
FlowAuto pH ORP
IPS-M720
AC PowerpH ORP Flow
pH
ORP
Up
MODE
Down Set
Level
Dose
Time
Delay
Time
pH
Cal

Table of Contents
I. Introduc on page 2
A. Water Chemistry page 2
B. Safety page 3
C. System Components page 4
D. Speci ca ons page 7
E. Controller Panel Descrip ons page 8
F. Electrical Descrip ons page 10
II. Installa on page 11
A. Setup page 11
B. Tools page 11
C. Procedure page 11
III. Opera on page 14
A. Startup and Shutdown page 14
B. Modes and Adjustments page 15
C. Maintenance page 23
IV. Troubleshoo ng page 25
V. Warranty page 28
1

I. Introducon
A. Water Chemistry
Water chemistry is a complex science that contains many variables.
These variables not only aect the water environment itself, but
they can have adverse eects on your equipment as well as your
health. These are only some of the factors which we follow closely
to ensure the most healthy water interacons:
pH is the measurement of the acidity or basicity in an aqueous
soluon. A measurement below 7 is considered acid, while a
measurement above 7 is base or alkaline. It is a signicant factor
in determining the water quality as it aects sanizer levels, water
color, and human reacon to the water.
ORP (Oxidaon Reducon Potenal) is the measurement of the
oxidizing capacity present in water. ORP cannot be fooled by the
eects of pH, total dissolved solids (TDS), stabilizers, and non-
chlorine oxidizers. A typical ORP sensor measures Hypochlorous
Acid (HOCI), which is the more eecve component of free
chlorine. A higher ORP reading equates to the sanizer working
more eecvely.
Water balance is comprised of pH, calcium hardness, total
alkalinity, temperature, and TDS. When water is balanced, the
Langelier saturaon index is 0. Values above +0.3 lead to scaling
and cloudy water, while values below -0.3 can cause corrosion of
pool equipment and surfaces. If the water balance is not xed in
a mely manner, secondary eects can lead to rapidly declining
water condions that can aect the health of the water occupants.
pH and ORP work conversely to one another, and are aected by
other factors such as temperature and TDS’ that can increase the
negave impacts of unbalanced water.
2
M720 pH/ORP Controller Owner’s Manual

B. IMPORTANT SAFETY INSTRUCTIONS
1. READ AND FOLLOW ALL
INSTRUCTIONS.
2. Risk of electric shock: Connect the controller to a dedicated
ground-fault circuit interrupter (GFCI) circuit breaker.
3. Disconnect power before servicing the controller.
4. Inspect all power cords frequently. Any damaged cords should
be replaced immediately to reduce the risk of injury by shock.
5. Always maintain a record of manual water chemistry readings
using an accurate test kit.
6. WARNING — To reduce the risk of injury, do not
permit children to use this product unless they are closely
supervised at all mes.
7. Danger — Risk of injury.
a. Replace damaged cord immediately.
b. Do not bury cord.
c. Connect to a grounded, grounding type receptacle only.
8. WARNING — Risk of electric shock. Install at least
5 feet (1.5m) from inside wall of water enclosure using non-
metallic plumbing.
9. Operaon of this controller without a funconing ow-switch
will void the NSF Cercaon.
10. WARNING — Do not install this controller where it is
accessible to the public.
11. SAVE THESE INSTRUCTIONS.
3
M720 pH/ORP Controller Owner’s Manual

C. System Components
1. IPS M720 pH/ORP Controller
a. Allows automac monitoring of pH and ORP levels through
a simple, user-friendly interface, resulng in easier
management of water balance in swimming pools, spas, or
circulang water environments.
b. Can be easily installed into your exisng pool environment
and equipment, or can be customized to your needs.
c. Monitors and displays the pH and ORP levels using LEDs
and digital readouts on the front panel.
In addion, ve separate funcon buons allow simple
pushbuon control of these individual parameters:
1) Mode - Auto or pH Standby (programming),
2) Set Level - pH level to be maintained,
3) Dose Timer - Timed or Connuous feed modes,
4) Delay Time - Delay period aer each Dose Time,
5) pH Cal - pH calibraon.
d. When the pH level rises above (acid feed) or falls below
(base feed) the set level, the controller will acvate the
chemical feeder for the set dose me. Then the set delay
me will occur. This dose and delay me will occur unl
the set level is reached.
e. When the ORP (sanizer) level reaches the set level, the
controller will acvate the chemical feeder for the set dose
me. Then the set delay me will occur. This dose and
delay me will occur unl the set level is reached.
2. Flow Cell with Flow Switch
a. An injecon-molded ow cell with integrated ow-switch
houses the pH and ORP sensors, and partners with the
M720 controller to monitor the pH and ORP levels in the
water.
4
M720 pH/ORP Controller Owner’s Manual

b. The ow switch veries that water is owing during a feed
cycle, and sends the controller instrucons to deacvate
the feed if water is not owing.
c. Operaon of this controller without a funconing ow-
switch will void the NSF Cercaon. Rounely check that
the ow-switch is funconing by closing the le valve on
the boom of the ow-cell (ow light should turn o).
3. pH and ORP Sensors
a. pH Sensor – standard (Use only IPS Controllers part # SXPH
to maintain NSF Cercaon)
b. ORP Planum Sensor – standard (Use only IPS Controllers
part # SXORP to maintain NSF Cercaon)
c. ORP Gold Sensor - for use with Salt Chlorine systems
(Use only IPS Controllers part # SXORP-G to maintain NSF
Cercaon)
4. Fings – for tapping installaon of ow cell input/output
5. In-line Filter – installed prior to ow cell to protect ow switch
and sensors
6. Tubing – 25 feet of 3/8” for providing ltered water to and from
the ow cell
7. Mounng Board – ABS plasc with mounng holes and
stainless hardware (16” x 12” standard, 24” x 19” oponal)
8. Chemical Feeders – peristalc pumps for pH and ORP control
(purchased separately)
5
M720 pH/ORP Controller Owner’s Manual

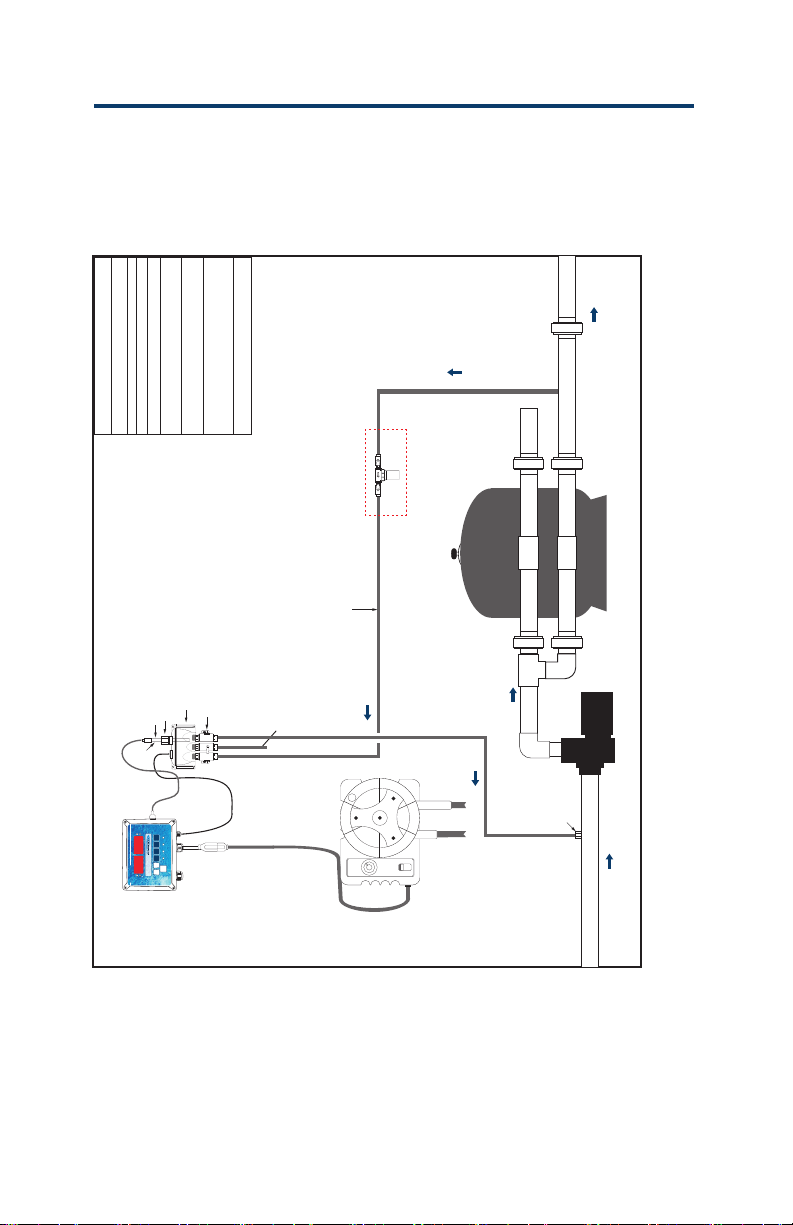
Figure 1: This is a typical installa on using IPS’ system package, which consists of an
M720 pH/ORP Controller, ow cell with switch, and two pumps mounted on the large board.
6
M720 pH/ORP Controller Owner’s Manual
Chemical
Pump
Pump
Sample
Typical Installa�on
FC100G
SXPH
Valve
1
3
5
6
7
8
(6
IPS Parts List
ipscontrollers.com
pH
Dose
Alert
Dose
Alert
ORP mV
FlowAuto pH ORP
IPS-M720
ACPowerpH ORP Flow
pH
ORP
Up
MODE
Down Set
Level
Dose
Time
Delay
Time
pH
Cal

D. Specicaons
Enclosure: 6.375”L x 4.75”W x 3.5”D (Note: Mounng board
dimensions are 16”L x 12”W x 0.25”D)
Electrical Input/Output: 110/230 VAC, 50 - 60 Hz
pH Set Level: 7.0 to 8.0
ORP Set Level: 400 mV to 900 mV
Dose Time: O, Connuous, or Timed cycle
High Alert: pH default of 8.0, ORP default of 900
Low Alert: pH default of 7.0, ORP default of 100
Readout: Funcon LED and numerical digital displays
Alarm: Red alert LEDs
7
M720 pH/ORP Controller Owner’s Manual

E. Controller Panel Descrip ons
1. Digital Displays and Func on LEDs
a. pH
1. Alert - red LED
2. Dose - green LED
b. ORP
1. Alert - red LED
2. Dose - yellow LED
Figure 2: M720 Controller Components Connec ons
8
M720 pH/ORP Controller Owner’s Manual
Electrical
Flow Cell
digital display
pushbutton
LEDs
Controller Communication
ipscontrollers.com
pH
Dose
Alert
Dose
Alert
ORP mV
FlowAuto pH ORP
IPS-M720
AC PowerpH ORP Flow
pH
ORP
Up
MODE
Down Set
Level
Dose
Time
Delay
Time
pH
Cal

2. Mode - pushbuon adjustments
a. Auto - red LED
b. pH standby - green LED
c. ORP standby - yellow LED
d. OFF mode - In standby, press and hold Mode buon for 3
seconds to turn controller o.
3. Flow - green LED
4. Up/Down buon to adjust the following:
• Set Level
• Dose Time
• Delay Time
• pH Cal
5. Electrical Connecons (peripherals)
a. pH output (le receptacle) - max. 5 amps @ 110/230 VAC
b. ORP output (right receptable) - max. 5 amps @ 110/230
VAC
c. AC power - 110/230 VAC, 50-60 Hz
d. Flow - from ow cell
e. pH sensor - BNC connecon
f. ORP sensor - BNC connecon
9
M720 pH/ORP Controller Owner’s Manual
Table des matières
Autres manuels IPS Controllers Contrôleurs





















