Do not apply drive power for more than five secondswithout adjust-
ing the tune control or damage to the tubes can result.
~
I
Jpply drive power and adjust the drive control (on the rear
panel) so that the amplifier produces approximately 1Q0 w~tts
output.
The input tuning coil is preset for the 26-31 MHz range. If
operated outside this range it should be reset. To reset the
input tuning coil (accessible from bottom), first place a VSWR
bridge between the linear and the exciter. Apply drive power and
reset the coil slug with a hex shaped non-metallic alignment
tool for lowest SWRand maximum output in the "tune" position
of the switch. '
Set the Tune-Operate slide switch to the Operate position, re-
apply drive power and adjust the drive control for 150 watts
output on the watt meter. A re-adjustment of the input tuning
coil may be necessary to produce minimum input VSWR.
Readjust the tune control for maximum output and reset the drive
control for 150 watts carrier output.
The amplifier is now adjusted to provide 150 watts carrier and 300
watts with full upward modulation. If the average output power de-
creases with modulation then either the transmitter (exciter) is in-
capable of upward modulation or the Amplifier has not been tuned
up correctly and the above procedure shouId be re-checked. If this
does not correct the situation, the drive control (on the rear paneD
should be adjusted for a slightly lower power level necessary to pro-
duce upward modulation. It is far better to have reduced carrier power
with upward modulation than a carrier power of a higher level with
I""""'\nward modulation, this will increase your communication range
_1'
provide a clearer signal with much less distortion.
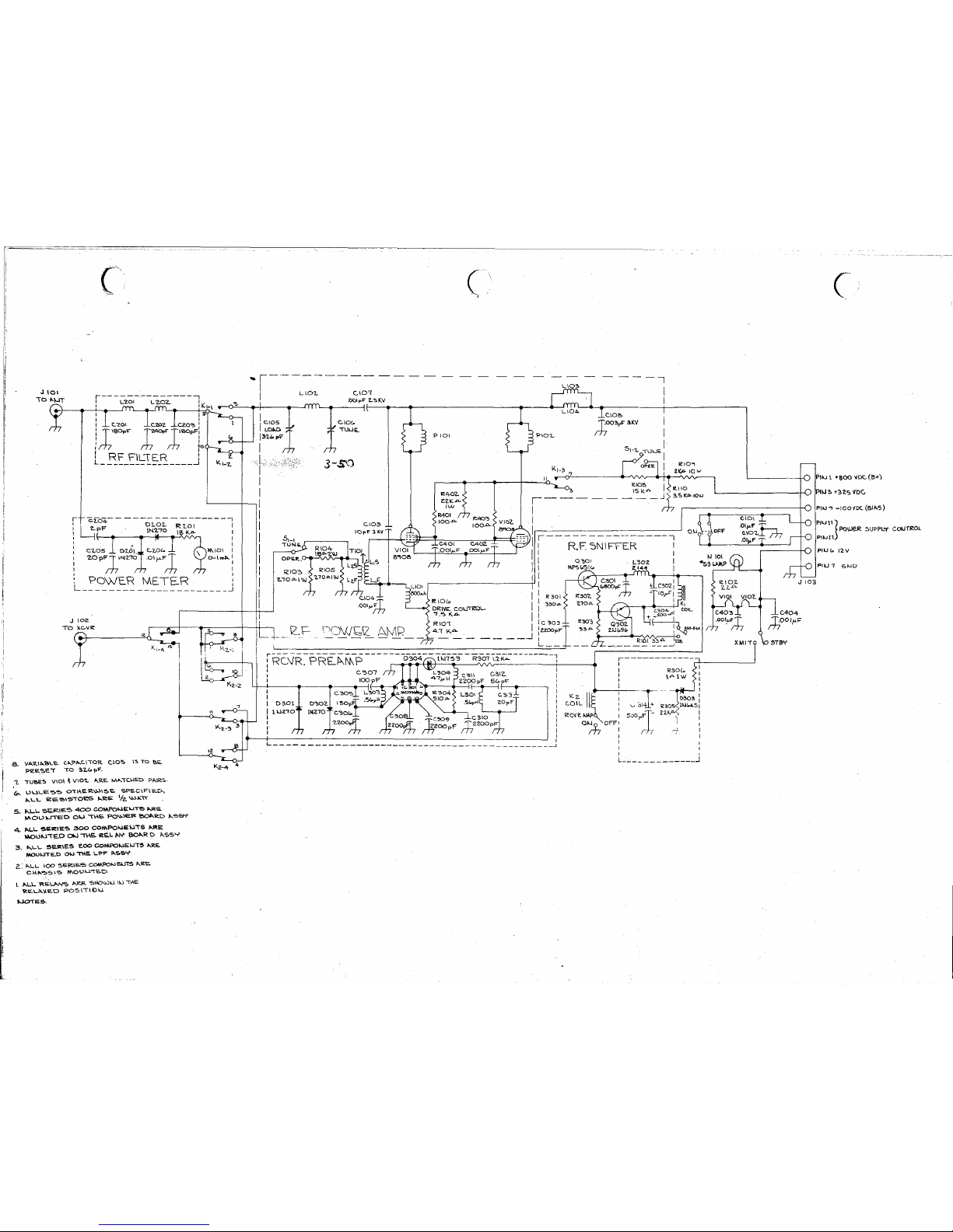
The automatic antenna change-over operation in the amplifier is
provided by a special transistorized input sensing circuit. Should you
desire to hold the amplifier in a ready position, but not use it until
needed, simply place the XMT-Standby switch in the Standby posi-
tion. The sensing circuit will be disabled and the antenna connected
to'the exciter (tronsceiver) at all times. (The RecAmp switch must be
in the off position),
3.5 TUNING FOR AM WITHOUT WATTMETER
(26-31 MHz)
After proper installation and attachment of a nominal 50 ohm
antenna, place the function switch in the AM-FM position and
push the ON-OF F Switch to ON.
The meter illumination light will come on. After allowing ap-
proximately 60 seconds for warm-up, push the XMT Standby
switch to XMT. This will energize the automatic antenna relay
control circuitry and provide power to the integrated circuit
receive amplifier.
Set the Slide switch on the rear panel to the Tune position.
Adjust the drive control for midway position. Apply 3.5 watts
drive power by keying the exciter (transceiver) microphone and
quickly adjust the tune control for maximum reading on the output
meter. Remove the drive power after adjustment.
(\
Do not apply drive power for more than five seconds without
adjusting, the tune control or damage to the tlJbes can result.
Re-apply drive power and adjust the drive control for a meter
reading of "6". Remove drive power.
Set the Tune-Operate switch to the Operate position, reapply
drive power and adjust the drive control for a meter reading of
"7". Readjust the Tune Control for maximum reading on the
meter. Reset the dri ve control for a meter reading of "7", if
necessary.
The amplifier is now adjusted to provide approximately 150 watts
carrier output with full upward modulation to 300 watts. If the
meter reading decreases with modulation, either the exciter is
incapable of upward modulation or the amplifier has not been
. tuned correctly and the procedure' should be re-checked. If
this does not correct the situation the drive control (on the rear
panel) should be adjusted for a slightly lower power level neces-
sary to produce upward modulation.
For best AM operation' the Iinear must be tuned accordi ng to
above procedures. Many misconceptions regarding linear oper-
ation exist among Iinear. users., Reviewing a few points regard-
ing proper Iinear operation wi II help to provide better tune-up
and communications for the user.
If the output signal reproduced is identical to the
cept stronger, the amplifier is said to be linear.
amplifier is non-linear.
input, ex-
If not, the
Non-linear operation produces spurious outputs and distor-
tion of the signal.
5. All power used to produce distortion and spurious signals is
power not being used for communication.
6. The Model 600 provides a 300 watt RF envelope maximum
power output.
7. Any attempt to operate AM at the 300 watt carrier level wi II
produce downward modulation with distortion, and spurious
signals.
8. Distortion and spurious signals (lost power) will occur in all
Iinear amps if operation at maximum carrier power is attempted.
9. All linear amplifiers should be operated at about one half the
maximum carrier output to allow for modulation expansion of
the carri er.
10. Operation without leaving room for modulation expansion will
not provide good communication. The carrier contributes
nothing toward intelligibility, only good modulation can carry
intelligence. Running higher carrier power and lower modu-
lation is a detriment rather than an asset.