
CONTENTS
CONTENTS
CHAPTER 1 GENERAL INFORMATION
SPECIFICATIONS.................................................. 1-1
COMPARISON OF SPECIFICATION ..................... 1-2
COMPARISON OF MAIN CONTROL ICs .............. 1-2
CHAPTER 2 DISASSEMBLY
DISASSEMBLY PROCEDURE .............................. 2-1
CHAPTER 3 ELECTRIC CIRCUIT
ADJUSTMENT
1. Test Equipment/Jigs Necessary for
Adjustment ...................................................... 3-1
1.1 List of equipment and jigs ....................................... 3-1
1.2 List of charts for Adjustment ................................... 3-1
1.3 Test equipment, etc. ................................................ 3-1
2. Before Starting Adjustment ............................ 3-2
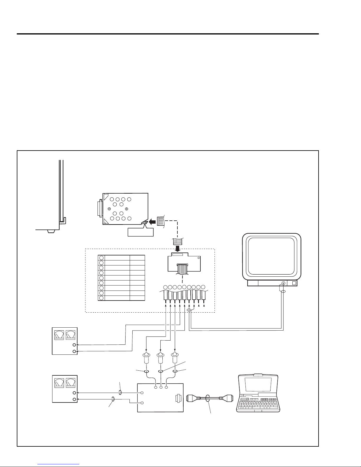
2.1 Connections for adjustment .................................... 3-2
2.2 Notes....................................................................... 3-2
2.3 Setting test equipment ............................................ 3-3
3. List of Adjustment Items................................. 3-4
4. Starting Adjustment Program (SMAP) ........... 3-5
5. Adjustment Procedure .................................... 3-6
5.1 Data initialize .......................................................... 3-6
(1) Data initialize ..................................................... 3-6
5.2 Electronic Volume ................................................... 3-6
(1) CDS Sampling Pulse Adjustment ...................... 3-6
5.3 Adjustment .............................................................. 3-7
(1) Auto Iris Control Adjustment.............................. 3-7
(2) White Balance Adjustment ................................ 3-7
(3) Chroma Gain Adjustment .................................. 3-8
5.4 Autofocus ................................................................ 3-9
(1) Zoom/Focus Tracking Adjustment ..................... 3-9
(2) AF Noise Level Adjustment ............................... 3-9
(3) Check of Zoom Track ....................................... 3-10
5.5 Spot Noise ............................................................ 3-10
(1) Spot Noise Adjustment .................................... 3-10
5.6 IR Control .............................................................. 3-11
(1) IR Control Adjustment ..................................... 3-11
6. Error Message................................................ 3-12
6.1 Error Message of Electrical Volume and
Adjustment ............................................................ 3-12
6.2 Error Message of Autofocus ................................. 3-13
7.3 Error Message of Spot Noise................................ 3-13
7.4 Error Message of IR Control ................................. 3-13
7. Troubleshooting of Autofocus ...................... 3-14
(1) No zoom and focus operation ............................... 3-14
(2) No focus lens operation ........................................ 3-16
(3) No zoom operation................................................ 3-17
(4) No autofocus operation ......................................... 3-18
(5) Subject is greatly out-of -focus when zoomed ...... 3-19
CHAPTER 4 EXPLODED VIEW
EXPLODED VIEW .................................................. 4-1
CHAPTER 5 REPLACEMENT
PARTS LIST
MECHANICAL PARTS ........................................... 5-1
ELECTRICAL PARTS ............................................ 5-2
SCHEMATIC, CIRCUIT
BOARD AND BLOCK
CHAPTER 6 DIAGRAMS/MICRO-
PROCESSOR PIN
FUNCTION TABLE
INTERNAL WIRING DIAGRAM ............................. 6-1
SENSOR [SP] .................................... 6-3 / 6-13
PROCESS [PC].................................. 6-5 / 6-11
SWITCHING REGULATOR [CSR] ..... 6-8 / 6-14
WAVEFORMS ........................................................ 6-2
BLOCK DIAGRAMS ............................................ 6-15
MICROPROCESSOR PIN FUNCTIONTABLE .... 6-17
SCHEMATIC / CIRCUIT
BOARD
8. Troubleshooting of IR control....................... 3-19
(1) No IR control operation ......................................... 3-20