
CONTENTS
1.Instmction Manual
1.
MAIN
SPECIFICATIONS
.................................................................................................
2
2.
INSTALL
THE
MOTOR
...................................................................................................
2
3.
CONNECT
THE
CLUTCH
LEVER
WITH
THE
PEDAL
.............................................................
2
4.
PREPARATION
AND
LUBRICATION.•
................................................................................
3
5.
REPLACE
NEEDLES
......................................................................................................
3
6.
NEEDLE,
THREAD
AND
MATERIAL
TO
BE
SEWN
..............................................................
4
7.
RUN-IN
OPERATION
...................................................................................
·
..................
4
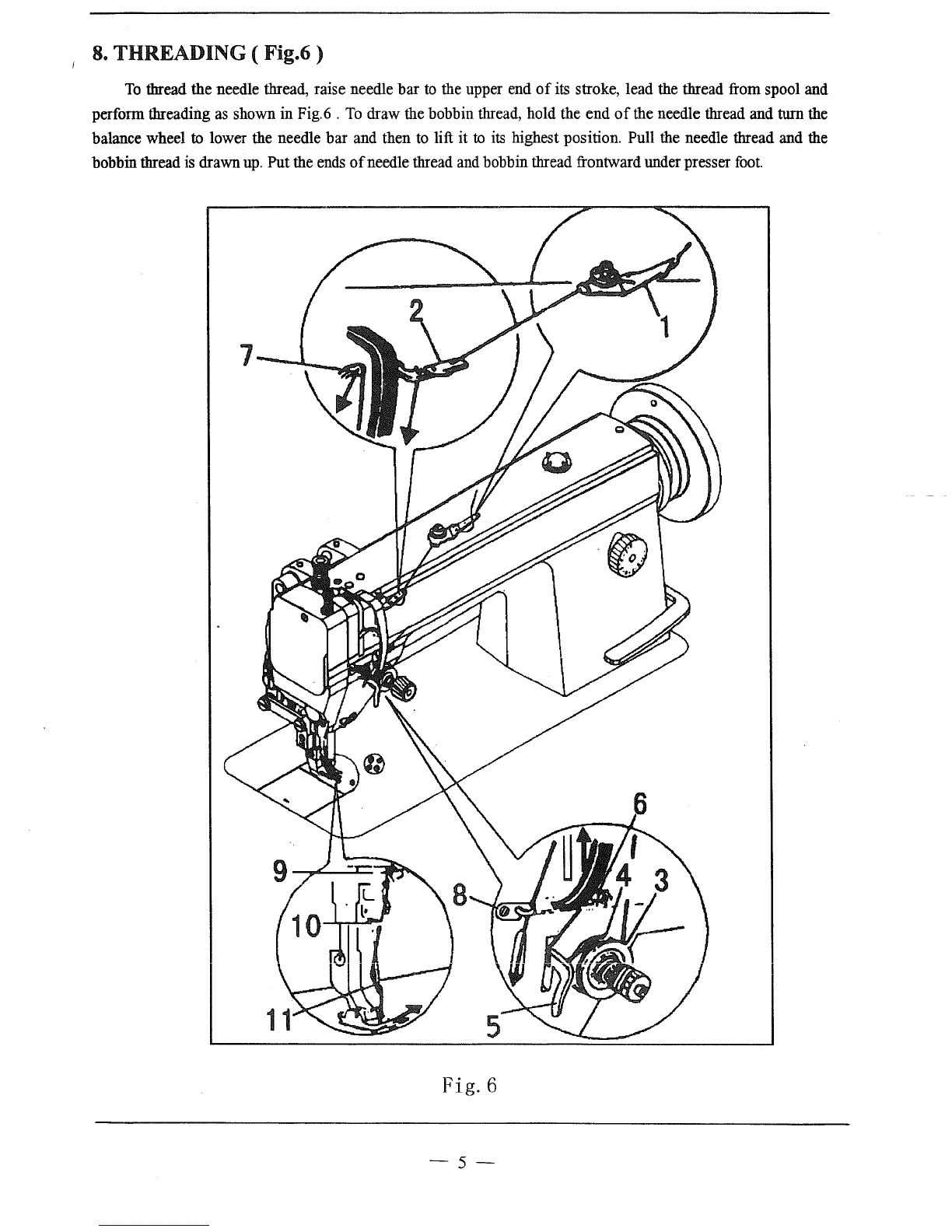
8.
THREADING
....................................................
·
...........................................................
5
9.
WINDING ADJUSTMENT
...............................................................................................
6
10.
SET
STITCH
LENGTH
AND
REVERSE FEEDING
.................................................................
7
11.
POSITION
PRESSERBAR
..............................................................................
:
................
7
12.
ADJUST
THE
PRESSURE
OF
PRESSEREOOT
.....................................................................
8
13.
ADJUST
THREAD
TENSION
...........................................................................................
8
14.
ADJUST
THREAD
TAKE-UP
SPRING
................................................................................
9
15.
ADJUST
THREAD
GUIDE
AND
THREAD
TENSION
............................................................
10
16.
TIME
NEEDLE
TO
ROTAING
HOOK
................................................................................
11
17.
REPLACE
ROTATING
HOOK
..........................................................................................
12
18.
ADJUSTTHE HEIGHT
OF
FEED DOG
..............................................................................
12
19.
ADJUST
THE
POSITION
OF
FEED
DOG
...........................................................................
13
~
20.
TIME
FEED
MOTION
TO
NEEDLE
MOTION
.....................................................................
13
21.
ADJUST
OPENING
TIME
OF
THE
TENSION
DISCS
............................................................
14
22.
LUBRICATION
ADJUSTMENT
.......................................................................................
15
23.
REGULAR
CLEANING
.................................................................................................
16
2•.Parts Catalog
A.
ARM
BED
AND
ITS
ACCESSORIES
...................................................................................
17
B.
NEEDLE
BAR
AND
TAKE-UP,
ARM
SHAFT
AND
VERTICAL SHAFT
MECHANISM
....................
20
C.
STITCH
REGULATOR
MECHANISM
..................................................................................
23
D.
FEEDING
AND
FEED
LIFTING
MECHANISM
.......................................................................
25
E.
PRESSER FOOT MECHANISM
..........................................................................................
27
F.
PRESSER LIFTING, FEEDING
MECHANISM
......................................................................
29
G
LUBRICATION
MECHANISM
.......................................................................................
32
H.
OIL
RESERVOIR
AND
OTHERACCESSORIES
.....................................................................
34
I.
BONNIN
WINDER MECHANISM
.......................................................................................
36
J.
OTHERACCESSORIES
...................................................................................................
38
-1-